Vai al contenuto
Melius Club

Amplificatore integrato Yamaha CA-400 (1975)


Messaggi raccomandati

Tra le cose da buttare del fu suocero c'era questo piccolo ampli segnato come "guasto".   Troppo bello per buttarlo, così l'ho sistemato (1 strano fusibile, pulizia pot, commutatori e connettori a pettine, taratura Ic0) ed eseguita una prova di funzionamento prolungato. 

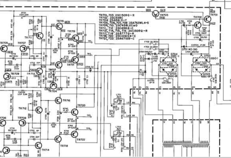
Quello che non sono riuscito a capire è il cervellotico stadio di alimentazione: 

 

image.thumb.png.e2ec0734408bf46128774badbd5a8dd1.png

 

Ci sono due avvolgimenti uno semplice alimenta un raddrizzatore e un alimentatore stabilizzato a doppia uscita che provvede a fornire: 

- Positivo stabilizzato allo stadio controllo toni, ad alimentazione singola

- Positivo  stabilizzato al VAS e al driver dell'amp principale, con alimentazione doppia.

 

Il secondo avvolgimento con DUE prese centrali alimenta un diverso raddrizzatore il quale fornisce: 

- Positivo a driver e finale della coppia darlington "alta"

- Negativo del finale sul darlington "basso"

Le tensioni sono asimmetriche rispetto alla massa. 

 

Ed ora il primo mistero:  Tramite due diodi e il loro C di livellamento una seconda presa centrale del trafo provvede a fornire un ulteriore negativo 2,4V sotto al precedente, che alimenta:

- Driver del darligton "basso" sul finale

- Tramite un transistor in serie, il negativo stabilizzato al VAS


Secondo mistero: Le uscite altoparlanti right richiudono su una delle prese centrali del trafo (che NON E' quella al centro dei due C di livellamento principali)  tramite una R 10ohm e un fusibile da 0,5A : Questa R e questo fusibile non sono in serie alle uscite ???  (il cosetto eroga 20+20W nominali su 8 ohm e 24+24 su 4)  - le uscite del canale left richiudono sull'altra presa intermedia del trafo

 

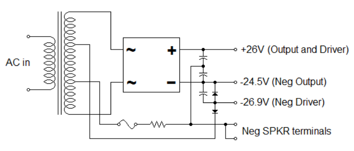
Anni fa qualcuno si era già accorto di questa strana power-supply e aveva chiesto lumi su Diyaudio, senza ottenere risposte. Ripropongo lo schema da lui tracciato:

image.png.30f968c7796d6217d6ce05fefc1b08ca.png

 

Altre note sul cosetto: A dispetto della semplicità dello schema, la stabilizzazione di Ic0 è incredibile: Tarato a 24mV a freddo, scaldando i dissipatori fino a 50°C e poi brinandoli con la bomboletta il range è stato 24,3 - 23,4 mV (!)   

Campionati 5 elettrolitici, sono risultati in tolleranza  (!!! - è del 1974) 

 

Chi mi dà un bello spiegone elettronico su questo schema di alimentazione e su quel fusibile loffio in serie ai carichi di un canale assieme ai 10 ohm ???   

 

Ah, dimenticavo: Come suona. 

- La prima cosa da notare, visto lo schema, è che nonostante le alimentazioni asimmetriche e i canali che chiudono su center-tap diversi, l'ampli non presenta la benché minima traccia di hum, e solo incollando l'orecchio al tw con volume al massimo di sente un flebilissimo accenno di hiss. 

- A dispetto dell'assenza di pedigree e la non trascurabile anzianità,  suona come mai mi sarei aspettato. Certo in basso non è il bryston-3b (ma questo ne mette in riga parecchi e non fa testo)  ma in generale il risultato è in egual misura gradevole e verosimile (per dare un termine di paragone, trovo il quasi coetaneo Nikko trm500 più sbilanciato sul gradevole - le differenze tra i due si evidenziano al massimo riproducendo un pianoforte) 

Non solo il cosetto yamaha si fa ascoltare a lungo, ma viene pure voglia di alzare il volume. 

Link al commento
https://melius.club/topic/11440-amplificatore-integrato-yamaha-ca-400-1975/
Condividi su altri siti

@pino Ho visto che anche il CA1010 ha stadi di alimentazione molto curati, tensioni differenziate per stadi pre/VAs (tutte stabilizzate) e stadio finale. Sono però tutte ricavate da collegamenti "classici" al trasformatore, tensioni simmetriche con zero centrale unico e senza fusibili e/o resistori in serie. 

Link al commento
https://melius.club/topic/11440-amplificatore-integrato-yamaha-ca-400-1975/#findComment-655574
Condividi su altri siti

Crea un account o accedi per lasciare un commento

Devi essere un membro per lasciare un commento

Crea un account

Iscriviti per un nuovo account nella nostra community. È facile!

Registra un nuovo account

Accedi

Sei già registrato? Accedi qui.

Accedi Ora
  • Notizie

  • Badge Recenti

    • Reputazione
      gnagna1967
      gnagna1967 ha ottenuto un badge
      Reputazione
    • Ottimi Contenuti
      Summerandsun
      Summerandsun ha ottenuto un badge
      Ottimi Contenuti
    • Ottimi Contenuti
      whitewave
      whitewave ha ottenuto un badge
      Ottimi Contenuti
    • Contenuti Utili
      robem
      robem ha ottenuto un badge
      Contenuti Utili
    • Reputazione
      zagor333
      zagor333 ha ottenuto un badge
      Reputazione
  • KnuKonceptz

    Kord Ultra Flex speakers cable

    Rame OFC 294 fili 12 AWG

    61dl-KzQaFL._SL1200_.jpg

  • Truthear Gate
    In-ear Monitor

    41cdpiDrQDL._AC_.jpg

×
×
  • Crea Nuovo...