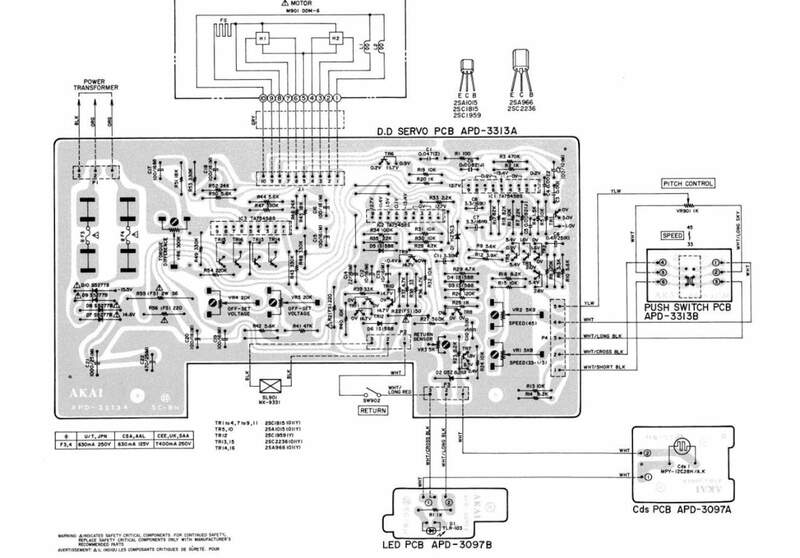
holden75 Inviato 1 Dicembre 2022 Condividi Inviato 1 Dicembre 2022 Buongiorno a tutti. Apro questa discussione per chiedere un consiglio da assoluto inesperto della materia, dunque chiedo venia per eventuali castronerie che scriverò. Ho un vecchio impianto che sto usando con uno streamer, ma che comprende anche un giradischi: è un Akai AP-D33. Quando l’ho riacceso dopo molto tempo girava più lentamente del dovuto, dunque l’ho aperto, disossidato il potenziometro del pitch control e regolato i trimmer sulla scheda. Tutto è andato bene per un po’, poi la velocità è diventata fortemente instabile: ora il piatto rallenta e accelera a caso, sia a 33 che a 45 giri. Da vari forum ho letto che si tratta di un problema noto, e che il principale indiziato è il condensatore indicato come C6 nello schema allegato. Ora, questo condensatore è indicato come 0,47uF/25 Volt. Ho cercato in rete e trovo solo condensatori di pari capacità con voltaggi superiori (50, 63, 100V). Si possono usare al posto di quello previsto o no, e se sì, creano altri problemi? Dallo schema, che io non sono in grado di decifrare completamente, ci sono altri condensatori coinvolti nel controllo della velocità che conviene cambiare? So bene che è un lavoro che andrebbe fatto da un tecnico, ma onestamente non credo che il valore del giradischi sia tale da giustificare la spesa e poi volevo provare a farlo io per gusto personale Link al commento https://melius.club/topic/11585-condensatori-capacit%C3%A0-e-voltaggio/ Condividi su altri siti Altre opzioni di condivisione...
Moderatori joe845 Inviato 1 Dicembre 2022 Moderatori Condividi Inviato 1 Dicembre 2022 sì, lo puoi usare tranquillamente, stesso valore, tensione uguale o superiore. G Link al commento https://melius.club/topic/11585-condensatori-capacit%C3%A0-e-voltaggio/#findComment-659674 Condividi su altri siti Altre opzioni di condivisione...
holden75 Inviato 1 Dicembre 2022 Autore Condividi Inviato 1 Dicembre 2022 @joe845 Grazie! Link al commento https://melius.club/topic/11585-condensatori-capacit%C3%A0-e-voltaggio/#findComment-659768 Condividi su altri siti Altre opzioni di condivisione...
Moderatori joe845 Inviato 1 Dicembre 2022 Moderatori Condividi Inviato 1 Dicembre 2022 per così poco.. 😉 G Link al commento https://melius.club/topic/11585-condensatori-capacit%C3%A0-e-voltaggio/#findComment-659841 Condividi su altri siti Altre opzioni di condivisione...
holden75 Inviato 1 Dicembre 2022 Autore Condividi Inviato 1 Dicembre 2022 Senza voler approfittare della cortesia: conviene che provi a cambiarli tutti? Il giradischi avrà 40 anni Link al commento https://melius.club/topic/11585-condensatori-capacit%C3%A0-e-voltaggio/#findComment-659852 Condividi su altri siti Altre opzioni di condivisione...
Martin Inviato 1 Dicembre 2022 Condividi Inviato 1 Dicembre 2022 7 ore fa, holden75 ha scritto: conviene che provi a cambiarli tutti? Il giradischi avrà 40 anni i condensatori che "soffrono" di più l'età sono spesso quelli piccoli, proprio come il 0,47uF che devi cambiare: una volta che hai il paziente aperto sul tavolo operatorio, cambiarli tutti a mio avviso ha senso. Link al commento https://melius.club/topic/11585-condensatori-capacit%C3%A0-e-voltaggio/#findComment-660241 Condividi su altri siti Altre opzioni di condivisione...
holden75 Inviato 2 Dicembre 2022 Autore Condividi Inviato 2 Dicembre 2022 @Martin ok grazie Link al commento https://melius.club/topic/11585-condensatori-capacit%C3%A0-e-voltaggio/#findComment-660313 Condividi su altri siti Altre opzioni di condivisione...
Moderatori BEST-GROOVE Inviato 5 Dicembre 2022 Moderatori Condividi Inviato 5 Dicembre 2022 Il 1/12/2022 at 14:15, holden75 ha scritto: Senza voler approfittare della cortesia: conviene che provi a cambiarli tutti? Il giradischi avrà 40 anni di solito sui giradischi che acquisto il recap lo faccio al gran completo anche perchè dopo 40 anni l'elettrolita comincia a trafilare corrodendo i piedini assumendo il classico colore verderame per poi, aspettando ancora finire a corredere lo stampato ...non penso che quell'Akai ne abbia in quantità tale da richiedere un capitale di spesa. Link al commento https://melius.club/topic/11585-condensatori-capacit%C3%A0-e-voltaggio/#findComment-664463 Condividi su altri siti Altre opzioni di condivisione...
Messaggi raccomandati
Crea un account o accedi per lasciare un commento
Devi essere un membro per lasciare un commento
Crea un account
Iscriviti per un nuovo account nella nostra community. È facile!
Registra un nuovo accountAccedi
Sei già registrato? Accedi qui.
Accedi Ora