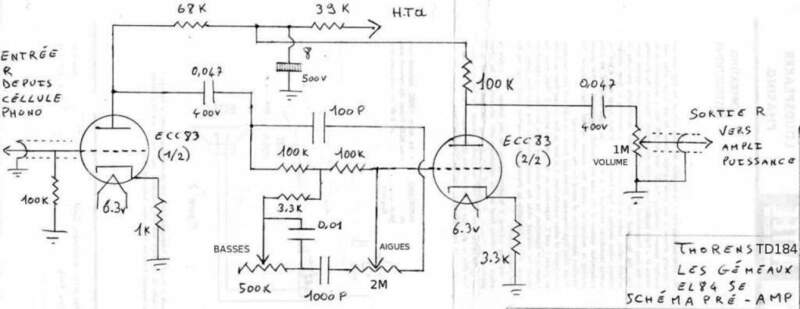
lucaz78 Inviato 20 Gennaio 2023 Autore Condividi Inviato 20 Gennaio 2023 questa dovrebbe essere la sezione del preamplificatore. Link al commento https://melius.club/topic/12434-thorens-les-gemeaux-mi-aspetta-un-lungo-e-laborioso-restauro/page/2/#findComment-710096 Condividi su altri siti Altre opzioni di condivisione...
Moderatori BEST-GROOVE Inviato 20 Gennaio 2023 Moderatori Condividi Inviato 20 Gennaio 2023 @lucaz78 Mai visto uno simile in vita mia... penso abbia per le mani un'oggetto abbastanza raro. Link al commento https://melius.club/topic/12434-thorens-les-gemeaux-mi-aspetta-un-lungo-e-laborioso-restauro/page/2/#findComment-710182 Condividi su altri siti Altre opzioni di condivisione...
madero Inviato 20 Gennaio 2023 Condividi Inviato 20 Gennaio 2023 Per gli esoterici è un single ended in classe A 1 Link al commento https://melius.club/topic/12434-thorens-les-gemeaux-mi-aspetta-un-lungo-e-laborioso-restauro/page/2/#findComment-710192 Condividi su altri siti Altre opzioni di condivisione...
lucaz78 Inviato 21 Gennaio 2023 Autore Condividi Inviato 21 Gennaio 2023 8 ore fa, madero ha scritto: single ended in classe A questo mi fa ben sperare, anche se ovviamente da una "fonovaligia" non ci si può aspettare il miracolo. Penso che chiederò aiuto ad un tecnico di mia conoscenza per quanto riguarda l'ampli, io non ho nè la strumentazione nè le competenze per metterci le mani. I condensatori potrei cambiarli,ma per il resto non ne so nulla. Da quello che vedo anche la sezione di alimentazione sembra a valvole, e devo sperare che i due trasformatori siano entrambi in buono stato. Link al commento https://melius.club/topic/12434-thorens-les-gemeaux-mi-aspetta-un-lungo-e-laborioso-restauro/page/2/#findComment-710287 Condividi su altri siti Altre opzioni di condivisione...
lucaz78 Inviato 21 Gennaio 2023 Autore Condividi Inviato 21 Gennaio 2023 questi sono i diffusori. Griglie in plastica sia davanti che dietro (strana costruzione). 2 trasduttori in carta, un ellittico 18x13 e un piccolo 5cm. Un condensatore (credo come filtro) tra i due. Si notano alcune piccole fioriture di muffa sulla carta che non so come trattare. a questi posso pensarci da solo,si tratta di ripulire ed incollare nuovamente il rivestimenti in alcuni punti dove si sta staccando dal legno, eventualmente sostituire il cavetto,i connettori punto-linea ed il condensatore. operazione economica e alla mia portata (apparte trattare la carta degli altoparlanti...che posso fare?) Link al commento https://melius.club/topic/12434-thorens-les-gemeaux-mi-aspetta-un-lungo-e-laborioso-restauro/page/2/#findComment-710289 Condividi su altri siti Altre opzioni di condivisione...
P.Bateman Inviato 21 Gennaio 2023 Condividi Inviato 21 Gennaio 2023 La muffa la puoi ammazzare con la varichina, però su quella carta potresti far danni. Link al commento https://melius.club/topic/12434-thorens-les-gemeaux-mi-aspetta-un-lungo-e-laborioso-restauro/page/2/#findComment-710407 Condividi su altri siti Altre opzioni di condivisione...
lucaz78 Inviato 21 Gennaio 2023 Autore Condividi Inviato 21 Gennaio 2023 Quindi come potrei trattare i coni in carta? Le restanti parti del cabinet non ci sono problemi, è legno e pelle sintetica quindi vado di sgrassatore o altri prodotti ,ma gli altoparlanti non so cosa fare. Se li lascio stare che succede? Considerando che adesso resteranno in casa all'asciutto le piccole fioriture di muffa potrebbero andarsene da sole? Link al commento https://melius.club/topic/12434-thorens-les-gemeaux-mi-aspetta-un-lungo-e-laborioso-restauro/page/2/#findComment-710462 Condividi su altri siti Altre opzioni di condivisione...
oscilloscopio Inviato 21 Gennaio 2023 Condividi Inviato 21 Gennaio 2023 @lucaz78 A mio parere dagli solo una spazzolata con un pennello a setole medie e non fare altro. Link al commento https://melius.club/topic/12434-thorens-les-gemeaux-mi-aspetta-un-lungo-e-laborioso-restauro/page/2/#findComment-710571 Condividi su altri siti Altre opzioni di condivisione...
78 giri Inviato 21 Gennaio 2023 Condividi Inviato 21 Gennaio 2023 11 minuti fa, oscilloscopio ha scritto: A mio parere dagli solo una spazzolata con un pennello a setole medie e non fare altro. Quoto 👍 Link al commento https://melius.club/topic/12434-thorens-les-gemeaux-mi-aspetta-un-lungo-e-laborioso-restauro/page/2/#findComment-710580 Condividi su altri siti Altre opzioni di condivisione...
lucaz78 Inviato 21 Gennaio 2023 Autore Condividi Inviato 21 Gennaio 2023 si certo,meglio non usare nessun prodotto aggressivo sulla carta,le faccio asciugare bene poi provo a dare una spazzolata. Link al commento https://melius.club/topic/12434-thorens-les-gemeaux-mi-aspetta-un-lungo-e-laborioso-restauro/page/2/#findComment-710587 Condividi su altri siti Altre opzioni di condivisione...
ediate Inviato 22 Gennaio 2023 Condividi Inviato 22 Gennaio 2023 @lucaz78 Bello, complimenti!!!! 1 Link al commento https://melius.club/topic/12434-thorens-les-gemeaux-mi-aspetta-un-lungo-e-laborioso-restauro/page/2/#findComment-711364 Condividi su altri siti Altre opzioni di condivisione...
lucaz78 Inviato 22 Gennaio 2023 Autore Condividi Inviato 22 Gennaio 2023 riguardo al giradischi,ho sentito Lucchetti, al momento non potrebbe lavorarci,e comunque visto il valore "relativo" del td184 mi ha consigliato di procedere da solo alla revisione. Quindi sostituzione dei funghetti motore e telaio, puleggia, cinghia ed eventualmente bronzine motore (tutto ordinabile dal suo sito). I leveraggi sembrano tutti funzionali,hanno solo bisogno di essere puliti e lubrificati. Il condensatore antiscintilla è da cambiare perchè in perdita. costruirò una base "provvisoria" su cui fissare la top-plate in legno rivestito, per poter lavorare meglio sul giradischi (4 tavolette di legno e 8 viti),in modo da avere accesso ai meccanismi e poterlo appoggiare su un lato. Sapete dirmi che tipo di condensatore cercare (è lo stesso dei td124), e che prodotti usare per pulire e lubrificare i leveraggi e tutto il resto (motore,perno ecc.)? Link al commento https://melius.club/topic/12434-thorens-les-gemeaux-mi-aspetta-un-lungo-e-laborioso-restauro/page/2/#findComment-711394 Condividi su altri siti Altre opzioni di condivisione...
oscilloscopio Inviato 22 Gennaio 2023 Condividi Inviato 22 Gennaio 2023 @lucaz78 per pulire dal grasso i leveraggi uso benzina avio o trielina. Link al commento https://melius.club/topic/12434-thorens-les-gemeaux-mi-aspetta-un-lungo-e-laborioso-restauro/page/2/#findComment-711420 Condividi su altri siti Altre opzioni di condivisione...
lucaz78 Inviato 22 Gennaio 2023 Autore Condividi Inviato 22 Gennaio 2023 @oscilloscopio la trielina me la procuro senza problemi, ma se mi va a finire sulla vernice del giradischi potrebbe danneggiarla? Come la usi? Con un pennellino per entrare tra i meccanismi? Altrimenti ho del petrolio bianco ma non so se sia indicato Link al commento https://melius.club/topic/12434-thorens-les-gemeaux-mi-aspetta-un-lungo-e-laborioso-restauro/page/2/#findComment-711580 Condividi su altri siti Altre opzioni di condivisione...
rock56 Inviato 22 Gennaio 2023 Condividi Inviato 22 Gennaio 2023 @lucaz78 molto bello, complimenti! Io anni fa mi sono trovato davanti ad in convegno filatelico un foglietto commemorativo proprio del TD184 della Svizzera: l'ho preso e messo in quadro.... 2 Link al commento https://melius.club/topic/12434-thorens-les-gemeaux-mi-aspetta-un-lungo-e-laborioso-restauro/page/2/#findComment-711612 Condividi su altri siti Altre opzioni di condivisione...
cactus_atomo Inviato 22 Gennaio 2023 Condividi Inviato 22 Gennaio 2023 la presa otrebbe essere quwlla dei revx a77 e delle macchine da cucire singer 1 Link al commento https://melius.club/topic/12434-thorens-les-gemeaux-mi-aspetta-un-lungo-e-laborioso-restauro/page/2/#findComment-711649 Condividi su altri siti Altre opzioni di condivisione...
oscilloscopio Inviato 22 Gennaio 2023 Condividi Inviato 22 Gennaio 2023 1 ora fa, lucaz78 ha scritto: Come la usi? Con un pennellino per entrare tra i meccanismi? Esattamente. Link al commento https://melius.club/topic/12434-thorens-les-gemeaux-mi-aspetta-un-lungo-e-laborioso-restauro/page/2/#findComment-711711 Condividi su altri siti Altre opzioni di condivisione...
viale249 Inviato 22 Gennaio 2023 Condividi Inviato 22 Gennaio 2023 Il 20/1/2023 at 18:29, lucaz78 ha scritto: il cavo di alimentazione,che ha una presa a 2 poli abbastanza inusuale. prova a vedere anche nei negozi che trattano ricambi per elettrodomestici, meglio se sul mercato da qualche anno: vista l'età non è raro che la presa sia in comune a qualche elettrodomestico agèe... 1 Link al commento https://melius.club/topic/12434-thorens-les-gemeaux-mi-aspetta-un-lungo-e-laborioso-restauro/page/2/#findComment-711720 Condividi su altri siti Altre opzioni di condivisione...
Messaggi raccomandati
Crea un account o accedi per lasciare un commento
Devi essere un membro per lasciare un commento
Crea un account
Iscriviti per un nuovo account nella nostra community. È facile!
Registra un nuovo accountAccedi
Sei già registrato? Accedi qui.
Accedi Ora