ediate Inviato 23 Agosto 2024 Condividi Inviato 23 Agosto 2024 @ferdydurke strano, avrei scommesso anche io che non avrebbe funzionato (il led non pulsa a 50-60Hz come le lampade ad incandescenza). Meglio così, ne so una di più… 👍 Link al commento https://melius.club/topic/21288-lampada-strobo-thorens-td-124-1%C2%B0-serie/page/2/#findComment-1277685 Condividi su altri siti Altre opzioni di condivisione...
what Inviato 29 Agosto 2024 Autore Condividi Inviato 29 Agosto 2024 Il 20/08/2024 at 08:07, ferdydurke ha scritto: Il led va benissimo, ho sostituito la lampada strobo sul teorema td125 con led tramite una restenza adeguata e va senza problemi Sarebbe utile sapere a cosa serva la resistenza,se va applicata in ogni caso per adeguare la lampada elettricamente o cos'altro. Link al commento https://melius.club/topic/21288-lampada-strobo-thorens-td-124-1%C2%B0-serie/page/2/#findComment-1282501 Condividi su altri siti Altre opzioni di condivisione...
ferdydurke Inviato 29 Agosto 2024 Condividi Inviato 29 Agosto 2024 La resistenza causa una caduta di tensione in modo da poter alimentare correttamente i 4 diodi. Ti lascio un paio di foto, alcuni anni fa il pcb era in vendita su ebay. Riprodurlo sarebbe molto semplice. Link al commento https://melius.club/topic/21288-lampada-strobo-thorens-td-124-1%C2%B0-serie/page/2/#findComment-1282512 Condividi su altri siti Altre opzioni di condivisione...
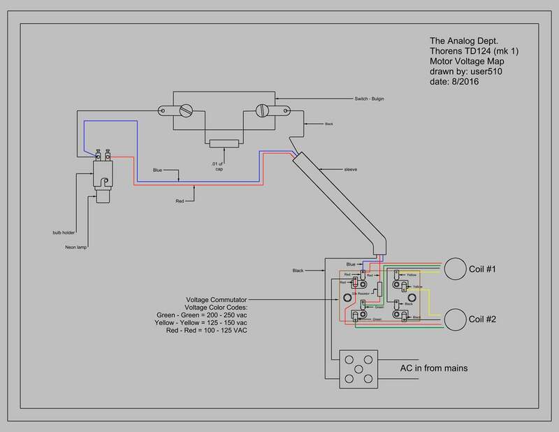
lucaz78 Inviato 29 Agosto 2024 Condividi Inviato 29 Agosto 2024 @ferdydurke nel td 124 c'è una resistenza, ma una sola lampada collegata ad essa. Se dopo riesco metto le schema elettrico. Forse per ridurre la tensione, visto che il giradischi è impostato su 220v ma la lampada è da 110. Link al commento https://melius.club/topic/21288-lampada-strobo-thorens-td-124-1%C2%B0-serie/page/2/#findComment-1283126 Condividi su altri siti Altre opzioni di condivisione...
lucaz78 Inviato 29 Agosto 2024 Condividi Inviato 29 Agosto 2024 lo schema è questo. La resistenza è al centro del commutatore di tensione, collegata al cavetto di colore rosso. Link al commento https://melius.club/topic/21288-lampada-strobo-thorens-td-124-1%C2%B0-serie/page/2/#findComment-1283283 Condividi su altri siti Altre opzioni di condivisione...
Questo è un messaggio popolare. lucaz78 Inviato 1 Settembre 2024 Questo è un messaggio popolare. Condividi Inviato 1 Settembre 2024 lampada sostituita con successo con la cinese led da 4 euro. metto il link del prodotto anche se al momento sembra esaurito,ma sicuramente si trovano da altri venditori. https://it.aliexpress.com/item/1005006386042144.html?spm=a2g0o.order_list.order_list_main.5.72f53696BukKEf&gatewayAdapt=glo2ita Mi raccomando il voltaggio 110v, potenza 3w al massimo (l'originale philips che avevo era da 1w, ma non ho trovato niente sotto i 3w in giro). vedo che ce ne sono molte da 110v 5W, ma potrebbero essere troppo potenti. Si dovrebbe provare. ho selezionato "wharm white", anche se essendo a led è più "luminosa" e meno "giallastra" della originale. Il corpo della lampadina è leggermente piu lungo,ma nessun problema nel montaggio. C'è spazio a sufficienza, basta rispettare le distanze indicate nel manuale del TD124. 3 1 Link al commento https://melius.club/topic/21288-lampada-strobo-thorens-td-124-1%C2%B0-serie/page/2/#findComment-1285912 Condividi su altri siti Altre opzioni di condivisione...
what Inviato 1 Settembre 2024 Autore Condividi Inviato 1 Settembre 2024 @lucaz78 Grazie per le info.Io l' ho acquistata in 'Amazzonia' il 20/8,credo in settimana arrivi anche se forse avrei fatto meglio a prenderla direttamente in Cina,coi tempi stiamo di consegna stiamo li,e il costo è pressappoco lo stesso considerando le spese di spedizione. 1 Link al commento https://melius.club/topic/21288-lampada-strobo-thorens-td-124-1%C2%B0-serie/page/2/#findComment-1286011 Condividi su altri siti Altre opzioni di condivisione...
what Inviato 12 Settembre 2024 Autore Condividi Inviato 12 Settembre 2024 Aggiornamento:Amazon perde i colpi,consegna ritardata più volte e tuttora non pervenuta risultando da giorni in sdoganamento.... Ho appena ordinato 2 lampade su Aliexpress,per questo motivo non ho ancora rilasciato un mio parere sull'oggeto in questione.Ho appurato comunque che le Cineserie vanno acquistate direttamente sul prorpio sito,finora sempre affidabile... Link al commento https://melius.club/topic/21288-lampada-strobo-thorens-td-124-1%C2%B0-serie/page/2/#findComment-1296050 Condividi su altri siti Altre opzioni di condivisione...
miguelantoniofernandez Inviato 28 Ottobre 2024 Condividi Inviato 28 Ottobre 2024 Ho un 126 mkII, mi si é spento lo strobo, i suggerimenti scritti sopra possono andare anche per me? Grassie Link al commento https://melius.club/topic/21288-lampada-strobo-thorens-td-124-1%C2%B0-serie/page/2/#findComment-1337644 Condividi su altri siti Altre opzioni di condivisione...
what Inviato 28 Ottobre 2024 Autore Condividi Inviato 28 Ottobre 2024 Il 12/09/2024 at 17:40, what ha scritto: Aggiornamento:Amazon perde i colpi,consegna ritardata più volte e tuttora non pervenuta risultando da giorni in sdoganamento.... Ho appena ordinato 2 lampade su Aliexpress,per questo motivo non ho ancora rilasciato un mio parere sull'oggeto in questione.Ho appurato comunque che le Cineserie vanno acquistate direttamente sul prorpio sito,finora sempre affidabile... @miguelantoniofernandez Dopo tante "pere pe zia", (cit Totò) soltanto una settimana fa ho sostituito la nuova lampada al 124.La luce è più intensa e di molto,ma comunque efficace seppure più "tozza" dell'originale.Per quanto riguarda il tuo 126,non so che tipo di lampada monta e le caratteristiche.tuttavia essendo più recente del 124 presumo non sia di difficile reperibilità.Se puoi smontala e verifica,o cerca in rete info a riguardo e facci sapere. PS: la lampada adatta al 124 in vendita sull'amazzonia è arrivata a costare esattamente il doppio rispetto ai giorni di Settembre,conviene Aliexpress...dove ne ho acquistate 2. Link al commento https://melius.club/topic/21288-lampada-strobo-thorens-td-124-1%C2%B0-serie/page/2/#findComment-1337742 Condividi su altri siti Altre opzioni di condivisione...
lucaz78 Inviato 28 Ottobre 2024 Condividi Inviato 28 Ottobre 2024 @what in effetti il corpo lampada è leggermente piu lungo e tozzo, ma c'è spazio per montarla senza problemi. L'originale era da 1 watt mentre quelle che ho preso io in cina sono da 3 watt. Per quello che costa va benissimo. Link al commento https://melius.club/topic/21288-lampada-strobo-thorens-td-124-1%C2%B0-serie/page/2/#findComment-1337748 Condividi su altri siti Altre opzioni di condivisione...
what Inviato 28 Ottobre 2024 Autore Condividi Inviato 28 Ottobre 2024 @miguelantoniofernandez Ho trovato questo,spero possa esserti di aiuto. https://www.vinylengine.com/turntable_forum/viewtopic.php?t=33262 per vedere l'interno e provare a verificare i contatti https://www.google.com/search?sca_esv=f9749d82eb8de094&sxsrf=ADLYWIJCFnJX6faPTOOO00NchLO_Cr5gHQ:1730134274212&q=lampada+strobo+thorens+126&tbm=vid&source=lnms&fbs=AEQNm0Be9hsxO5zOUoY5v2srYNPRIvTz_02aG-_CVE5t-hWDE1VEgRZgwAleAEAQCRBuIW6iPD3v_y5HG-TpwGdczjUsf0zGnlCfCwRVkxWskzOPew8exI2BOqhxYPfw8o2C4BbRY1ss1ufPRvVfyTbDEcDSE4PG_mk5ZA2BWlA0pX29ouz6q853ZKpalVutIzAPB2D9NvDM&sa=X&ved=2ahUKEwjL18-2xLGJAxV80wIHHc9yLC4Q0pQJegQIERAB&biw=1536&bih=703&dpr=1.25#fpstate=ive&vld=cid:d52df744,vid:4nA9nKtD4j4,st:0 Link al commento https://melius.club/topic/21288-lampada-strobo-thorens-td-124-1%C2%B0-serie/page/2/#findComment-1337758 Condividi su altri siti Altre opzioni di condivisione...
what Inviato 28 Ottobre 2024 Autore Condividi Inviato 28 Ottobre 2024 42 minuti fa, lucaz78 ha scritto: @what in effetti il corpo lampada è leggermente piu lungo e tozzo, ma c'è spazio per montarla senza problemi. L'originale era da 1 watt mentre quelle che ho preso io in cina sono da 3 watt. Per quello che costa va benissimo. Certamente,volendo si potrebbe oscurare un po e addirittura a dargli colore inserendo una pellicola colorata all'interno,volendo... la vedo un po più complicata per l'amico @miguelantoniofernandez Link al commento https://melius.club/topic/21288-lampada-strobo-thorens-td-124-1%C2%B0-serie/page/2/#findComment-1337777 Condividi su altri siti Altre opzioni di condivisione...
miguelantoniofernandez Inviato 29 Ottobre 2024 Condividi Inviato 29 Ottobre 2024 ... @lucaz78 e @what grazie, vedró cosa e come fare, vi faró sapere.... intanto mi faró coraggio e cominceró con l'áprirlo il 126... Link al commento https://melius.club/topic/21288-lampada-strobo-thorens-td-124-1%C2%B0-serie/page/2/#findComment-1338178 Condividi su altri siti Altre opzioni di condivisione...
lucaz78 Inviato 29 Ottobre 2024 Condividi Inviato 29 Ottobre 2024 @miguelantoniofernandez la lampada del 126 dovrebbe essere di questo tipo (ci sono 3 versioni del td126 ma credo la lampada sia la stessa. Non ci metto la mano sul fuoco però.) Sinceramente non ne ho mai viste in giro. Se non risolvi, potresti provare a sentire simone lucchetti se può aiutarti. Il 126 inoltre ha un circuito elettronico molto piu evoluto dei suoi predecessori. Link al commento https://melius.club/topic/21288-lampada-strobo-thorens-td-124-1%C2%B0-serie/page/2/#findComment-1338181 Condividi su altri siti Altre opzioni di condivisione...
Rimini Inviato 29 Ottobre 2024 Condividi Inviato 29 Ottobre 2024 Il mio 124 ha la strobo che funziona regolarmente (sgrat - sgrat!). Ma una o due di riserva le prenderò per maggior tranquillità. Link al commento https://melius.club/topic/21288-lampada-strobo-thorens-td-124-1%C2%B0-serie/page/2/#findComment-1338660 Condividi su altri siti Altre opzioni di condivisione...
what Inviato 29 Ottobre 2024 Autore Condividi Inviato 29 Ottobre 2024 @Rimini Funzionava anche il mio ma la luce emessa era molto fioca,per quel che costa...se posso consigliarti,su aliexpress costano meno.Ora scontate poco più di 7€ compreso la spedizione x 2 lampade.amazon 11 € circa x 1... Link al commento https://melius.club/topic/21288-lampada-strobo-thorens-td-124-1%C2%B0-serie/page/2/#findComment-1338724 Condividi su altri siti Altre opzioni di condivisione...
miguelantoniofernandez Inviato 30 Ottobre 2024 Condividi Inviato 30 Ottobre 2024 Allora ragazzi, intanto ringrazio tutti. Oggi mi son preso del tempo ed ho smontato il 126. Il piatto portadischi, la cinghia ed il piatto interno. E qui ho la sorpresa, non é la lampada ad essere partita, é il copri-lampada spezzato in due e quindi non riesce a tenere giú la lampada in sede. Cosa ho fatto, ho ritagliato un pezzeto di PET trasparente, sagomato, fatto i buchini per le due viti e l'ho fissato sotto ai due pezzi del chiamiamolo tappo copri-lampada (una cosa che ho letto da qualche parte in uno dei tuoi riferimenti @what ). Semplice, ma funzionale. Ho rimesso insieme il tutto et voilá, les jeux son faits. Le 'lucette' hanno ripreso a farsi vedere. Mi é andata bene. Grazie ancora a tutti, siete una comunitá Fortissima. Link al commento https://melius.club/topic/21288-lampada-strobo-thorens-td-124-1%C2%B0-serie/page/2/#findComment-1339152 Condividi su altri siti Altre opzioni di condivisione...
Messaggi raccomandati
Crea un account o accedi per lasciare un commento
Devi essere un membro per lasciare un commento
Crea un account
Iscriviti per un nuovo account nella nostra community. È facile!
Registra un nuovo accountAccedi
Sei già registrato? Accedi qui.
Accedi Ora