Akla Inviato 9 Maggio 2025 Condividi Inviato 9 Maggio 2025 Mi hanno offerto un A100 ad un centinaio di euro.ma un canale distorce in modo evidente penso sia un calo di tensione nell alimentatore un problema di tensione che ne altera la polarizzazione di qualche stadio. Secondo vs parere va preso e riparato? So metterci mano ma forse voi lo conoscete meglio... Accetto vs suggerimenti Link al commento https://melius.club/topic/25244-musical-fidelity-a-100/ Condividi su altri siti Altre opzioni di condivisione...
nirone95 Inviato 9 Maggio 2025 Condividi Inviato 9 Maggio 2025 Ciao , dipende un po' dal prezzo, però se ti piace metterci le mani potrebbe essere un affare, non sono complicati da riparare i MF anche se è difficile reperire schemi , essendo in classe A potrebbero essere i filtri sull alimentatore, oppure qualche altro componente cotto, specie i condensatori.... Link al commento https://melius.club/topic/25244-musical-fidelity-a-100/#findComment-1509379 Condividi su altri siti Altre opzioni di condivisione...
Akla Inviato 9 Maggio 2025 Autore Condividi Inviato 9 Maggio 2025 42 minuti fa, nirone95 ha scritto: Ciao , dipende un po' dal prezzo, però se ti piace metterci le mani potrebbe essere un affare, non sono complicati da riparare i MF anche se è difficile reperire schemi , essendo in classe A potrebbero essere i filtri sull alimentatore, oppure qualche altro componente cotto, specie i condensatori.... E solo un canale sx. Se l alimentatore e in comune. Non sono i condensatori di filtro ma non so se l alimentatore e duale o singolo. Link al commento https://melius.club/topic/25244-musical-fidelity-a-100/#findComment-1509392 Condividi su altri siti Altre opzioni di condivisione...
qzndq3 Inviato 9 Maggio 2025 Condividi Inviato 9 Maggio 2025 @Akla Ho ascoltato più volte l'A100 ed ho avuto l'A120 che ho rivenduto dopo pochi mesi. Secondo me suona meglio l'A200 che ho ancora (più dinamica e più spinta in gamma bassa). Tutti e tre scaldano parecchio, l'A100 tra i tre è l'unico ad avere il tape monitor e la ventolina di raffreddamento. Link al commento https://melius.club/topic/25244-musical-fidelity-a-100/#findComment-1509396 Condividi su altri siti Altre opzioni di condivisione...
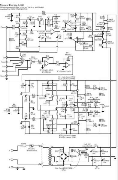
qzndq3 Inviato 9 Maggio 2025 Condividi Inviato 9 Maggio 2025 @Akla Potrebbe tornarti utile, la sezione di alimentazione sembrerebbe comune per i due canali, ma non è certo. Link al commento https://melius.club/topic/25244-musical-fidelity-a-100/#findComment-1509398 Condividi su altri siti Altre opzioni di condivisione...
Akla Inviato 10 Maggio 2025 Autore Condividi Inviato 10 Maggio 2025 8 ore fa, qzndq3 ha scritto: @Akla Potrebbe tornarti utile, la sezione di alimentazione sembrerebbe comune per i due canali, ma non è certo. Grazie comunque da alcune foto e n line ha la doppia alimentazione separata. A sto punto penso sia una coppia di condensatori. di filtro del canale sx che distorce. Esauriti.. Percui alle 130 euro che vogliono devo aggiungere al meno 4 elettrolitici da 10.000 uf 63 volt 105 gradi basso Egr In pratica almeno 120 . 130;euro. Esclusivamente dendo ore lavoro che farei io a tempo perso. A sto punto Non so se conviene.. Link al commento https://melius.club/topic/25244-musical-fidelity-a-100/#findComment-1509483 Condividi su altri siti Altre opzioni di condivisione...
qzndq3 Inviato 10 Maggio 2025 Condividi Inviato 10 Maggio 2025 @Akla una volta che lo apri io metterei in conto la sostituzione del potenziometro del volume. Alla fine anche io ho dei dubbi che ne valga la pena Link al commento https://melius.club/topic/25244-musical-fidelity-a-100/#findComment-1509498 Condividi su altri siti Altre opzioni di condivisione...
Akla Inviato 10 Maggio 2025 Autore Condividi Inviato 10 Maggio 2025 2 ore fa, qzndq3 ha scritto: @Akla una volta che lo apri io metterei in conto la sostituzione del potenziometro del volume. Alla fine anche io ho dei dubbi che ne valga la pena Il calore generato dalla Classe A in spazio ristretto case dell A 100 asciuga l elettrolita dei condensatori a lungo andare. Tempo e soldi buttati 1 Link al commento https://melius.club/topic/25244-musical-fidelity-a-100/#findComment-1509605 Condividi su altri siti Altre opzioni di condivisione...
nirone95 Inviato 10 Maggio 2025 Condividi Inviato 10 Maggio 2025 @Akla sicuramente è duale, ci mancherebbe , due rami da almeno 40 v per la potenza che eroga, se il lavoro lo fai tu allora conviene perché è un A1 con più potenza, in rete trovi una sterminata documentazione. L'unico problema sono le ventole, però magari puoi andare su roba cinese, si trovano anche discrete cose....i finali sono 2N3055 e suo complementare anche per questi trovi i nuovi equivalenti.... Link al commento https://melius.club/topic/25244-musical-fidelity-a-100/#findComment-1509914 Condividi su altri siti Altre opzioni di condivisione...
Akla Inviato 10 Maggio 2025 Autore Condividi Inviato 10 Maggio 2025 6 minuti fa, nirone95 ha scritto: @Akla sicuramente è duale, ci mancherebbe , due rami da almeno 40 v per la potenza che eroga, se il lavoro lo fai tu allora conviene perché è un A1 con più potenza, in rete trovi una sterminata documentazione. L'unico problema sono le ventole, però magari puoi andare su roba cinese, si trovano anche discrete cose....i finali sono 2N3055 e suo complementare anche per questi trovi i nuovi equivalenti.... I finali non sono un problema. Mi gira le scatole sostituire 130 euro di elettrolitici da 10.000uf 63volt. Basse EGR. 105 gradi. (Kendeil). Link al commento https://melius.club/topic/25244-musical-fidelity-a-100/#findComment-1509919 Condividi su altri siti Altre opzioni di condivisione...
nirone95 Inviato 10 Maggio 2025 Condividi Inviato 10 Maggio 2025 @Akla è un apparecchio che se in buono stato costa intorno ai 4/500 euro, e comunque se lo vuoi tenere è una bella esperienza....poi se lo paghi un centinaio di euro è un rischio accettabile.....se lo devi portare da un tecnico allora lascia perdere..... Link al commento https://melius.club/topic/25244-musical-fidelity-a-100/#findComment-1509992 Condividi su altri siti Altre opzioni di condivisione...
Akla Inviato 10 Maggio 2025 Autore Condividi Inviato 10 Maggio 2025 59 minuti fa, nirone95 ha scritto: @Akla è un apparecchio che se in buono stato costa intorno ai 4/500 euro, e comunque se lo vuoi tenere è una bella esperienza....poi se lo paghi un centinaio di euro è un rischio accettabile.....se lo devi portare da un tecnico allora lascia perdere..... Grazie sono tentato nel prenderlo ora che so il valore effettivo .. Link al commento https://melius.club/topic/25244-musical-fidelity-a-100/#findComment-1510038 Condividi su altri siti Altre opzioni di condivisione...
Luca44 Inviato 10 Maggio 2025 Condividi Inviato 10 Maggio 2025 Penso valga la pena e che forse rischieresti anche alla fine di avere un ampli migliore che in origine usando i condensatori moderni. Lo aveva mio cognato una vita fa e oggi lo ha un amico comune, lo ricordo come molto piacevole . Se il lavoro lo fai tu vale assolutamente la pena ! 1 Link al commento https://melius.club/topic/25244-musical-fidelity-a-100/#findComment-1510064 Condividi su altri siti Altre opzioni di condivisione...
Luca44 Inviato 10 Maggio 2025 Condividi Inviato 10 Maggio 2025 P.S. lo chiamavamo "la bistecchiera" sia per via dell'estetica della parte superiore che per il calore sprigionato... Pero` e` una bistecchiera molto musicale ! Link al commento https://melius.club/topic/25244-musical-fidelity-a-100/#findComment-1510065 Condividi su altri siti Altre opzioni di condivisione...
Akla Inviato 11 Maggio 2025 Autore Condividi Inviato 11 Maggio 2025 10 ore fa, Luca44 ha scritto: P.S. lo chiamavamo "la bistecchiera" sia per via dell'estetica della parte superiore che per il calore sprigionato... Pero` e` una bistecchiera molto musicale ! Dipende dal guasto e dalla sua entità. La distorsione su un canale. Può dipendere da molti fattori non escludo gli elettrolitici a 20.000 uf. Il fatto che non possa esaminarlo a priori ma devo limitarmi a limitarmi al solo ascolto....... Mi lascia perplesso può essere di tutto anche un connettore di massa un elettrolitico. Uno zenrer con tensioni sballate etc. Il tentennamento dipende dal fattore acquisto s scatola chiusa. Link al commento https://melius.club/topic/25244-musical-fidelity-a-100/#findComment-1510225 Condividi su altri siti Altre opzioni di condivisione...
long playing Inviato 11 Maggio 2025 Condividi Inviato 11 Maggio 2025 @Akla Scusa se mi permetto di dire la mia , io non mi cimenterei nell'acquisto di questo MF A100 in particolare se presenta i problemi consueti. Quella tipologia di apparecchi che produsse la MF a cominciare dall'A1 sono sempre stati precari per via della tipologia di funzionamento e relativo calore in virtu' del progetto , della componentistica e costruzione a dir pico deficitaria. E poi se questo sacrificio di sopportare tutte le carenze tecniche ecc. , fosse ricompensato da chissa' quali stupefacenti prestazioni sonore ( e tecniche ) bhe' al limite potrebbe essere anche accettato da chi ritiene di farsene carico nonostsnte i " contro " . Ma invece , imho , non ci sono queste superprestazioni...esistevano ed esistono integrati che senza avere i " notevoli " e seccanti problemi di questi MF , sempre imho , a parte che li surclassano per prestazioni tecniche ma suonano quanto meno alla pari se non meglio. PS : Se proprio vuoi prendere un MF dal bel suono senza quei fastidiosissimi contro , prenditi un B200 , AB ma ben polarizzato , non incontra problemi negli anni , veramente potente , suona magnificamente. Lo feci acquistare ad un mio caro amico 5 - 6 anni fa , me me parla sempre in toni entusiastici ed ha messo definitivamente da parte l'A1 e pure l'A 100 che a fronte di noie confrontato col B200 non spuntano migliori doti sonore , anzi...abbina grazia e musicalita' di alto grado ma anche potenza e drive dinamico anch'essi molto importanti per godere al meglio la musica. Quanto mai appropriato il detto :" Pugno di ferro in guanto di velluto ". 1 Link al commento https://melius.club/topic/25244-musical-fidelity-a-100/#findComment-1510431 Condividi su altri siti Altre opzioni di condivisione...
Akla Inviato 11 Maggio 2025 Autore Condividi Inviato 11 Maggio 2025 9 minuti fa, long playing ha scritto: @Akla Scusa se mi permetto di dire la mia , io non mi cimenterei nell'acquisto di questo MF A100 in particolare se presenta i problemi consueti. Quella tipologia di apparecchi che produsse la MF a cominciare dall'A1 sono sempre stati precari per via della tipologia di funzionamento e relativo calore in virtu' del progetto , della componentistica e costruzione a dir pico deficitaria. E poi se questo sacrificio di sopportare tutte le carenze tecniche ecc. , fosse ricompensato da chissa' quali stupefacenti prestazioni sonore ( e tecniche ) bhe' al limite potrebbe essere anche accettato da chi ritiene di farsene carico nonostsnte i " contro " . Ma invece , imho , non ci sono queste superprestazioni...esistevano ed esistono integrati che senza avere i " notevoli " e seccanti problemi di questi MF , sempre imho , a parte che li surclassano per prestazioni tecniche ma suonano quanto meno alla pari se non meglio. PS : Se proprio vuoi prendere un MF dal bel suono senza quei fastidiosissimi contro , prenditi un B200 , AB ma ben polarizzato , non incontra problemi negli anni , veramente potente , suona magnificamente. Lo feci acquistare ad un mio caro amico 5 - 6 anni fa , me me parla sempre in toni entusiastici ed ha messo definitivamente da parte l'A1 e pure l'A 100 che a fronte di noie confrontato col B200 non spuntano migliori doti sonore , anzi...abbina grazia e musicalita' di alto grado ma anche potenza e drive dinamico anch'essi molto importanti per godere al meglio la musica. Premessa: ho di già anche troppo McIntosh e Conrad Johnson. A 100 visto mi ha incuriosito. In quanto chi lo ha messo in vendita fa parte di una catena di vendita tipo Mercatopoli, che non comprende la differenza tra un finto vaso ming e un prosciutto. Bene la premessa era importante,, perché al solito ed è colpa mia quando vedo un oggetto con una certa fama buttato lì come un rottame mi sorge un immotivato senso di tristezza. Ora che sia da sistemare lo so. Non so se vincerà la sfida tra il ripararlo,,, e lasciarlo perdere. Finirà male ..ma non si può certamente acquistare tutto ...grazie Link al commento https://melius.club/topic/25244-musical-fidelity-a-100/#findComment-1510450 Condividi su altri siti Altre opzioni di condivisione...
nirone95 Inviato 11 Maggio 2025 Condividi Inviato 11 Maggio 2025 @long playing Per anni ho avuto un MF A1, raffreddato con una ventola da PC ultra silenziosa , mai un problema e di contro ho avuto ascolti fantastici con delle piccole tannoy titan ....se poi riesci a fare manutenzione da solo allora qual è il problema? Se tra acquisto e riparazione spendi un 200 euro vale sicuramente la pena, se poi ti devi affidare ad un tecnico, per mia esperienza, allora tutto il vintage è pericoloso per il proprio portafoglio..... Link al commento https://melius.club/topic/25244-musical-fidelity-a-100/#findComment-1510558 Condividi su altri siti Altre opzioni di condivisione...
Messaggi raccomandati
Crea un account o accedi per lasciare un commento
Devi essere un membro per lasciare un commento
Crea un account
Iscriviti per un nuovo account nella nostra community. È facile!
Registra un nuovo accountAccedi
Sei già registrato? Accedi qui.
Accedi Ora