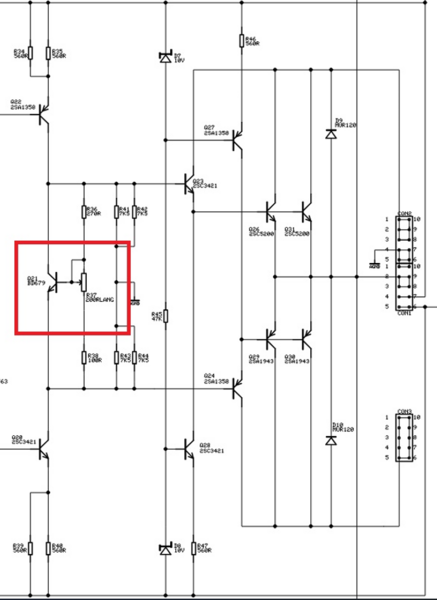
Ultima Legione @ Inviato 13 Agosto 2025 Condividi Inviato 13 Agosto 2025 . L'elettronica è un gran bel amplificatore AW 120 DMB (Dual Mono Balanced) dello storico brand norvegese Electrocompaniet. . Due trimmer: . - R4 per il controllo e la regolazione a 1/ 2 mV della Tensione Continua residua sui morsetti di uscita diffusori; . - R37 per la regolazione del Punto di Lavoro statico e del BIAS delle due coppie di Transistor complementari di Potenza. . La domanda per i più scafati ed esperti è: ..... in assenza delle Resistenze di Emettitore sui quattro BJT di Potenza, dove misurereste la Tensione per la regolazione del BIAS ? . . Link al commento https://melius.club/topic/26135-regolazione-bias-finale-di-potenza/ Condividi su altri siti Altre opzioni di condivisione...
ildoria76 Inviato 13 Agosto 2025 Condividi Inviato 13 Agosto 2025 Sulla resistenza R37 stessa 1 Link al commento https://melius.club/topic/26135-regolazione-bias-finale-di-potenza/#findComment-1564994 Condividi su altri siti Altre opzioni di condivisione...
madero Inviato 14 Agosto 2025 Condividi Inviato 14 Agosto 2025 Electrocompaniet è sempre stata molto avara di documentazione, ma qualcosa ho trovato per il mio dmb100 e mi pare di ricordare che le resistenze di test c'erano ed erano indicati i valori da settare 1 Link al commento https://melius.club/topic/26135-regolazione-bias-finale-di-potenza/#findComment-1565438 Condividi su altri siti Altre opzioni di condivisione...
Ultima Legione @ Inviato 15 Agosto 2025 Autore Condividi Inviato 15 Agosto 2025 9 ore fa, madero ha scritto: Electrocompaniet è sempre stata molto avara di documentazione, ma qualcosa ho trovato per il mio dmb100 e mi pare di ricordare che le resistenze di test c'erano ed erano indicati i valori da settare . Confermo che per gli Ampliwire 65, 100 e 250 qualcosina sul web si trova per poter verificare il BIAS ma per l' AW 120 DBM, a parte lo schema sopra postato, non esiste nulla. . Pertanto procederò per confronto tra i due canali misurando il livello di Tensione e la Corrente tra il trimmer R37 e il Resistore R38 da 100 Ohm come anche suggerito da @ildoria76. . Link al commento https://melius.club/topic/26135-regolazione-bias-finale-di-potenza/#findComment-1565495 Condividi su altri siti Altre opzioni di condivisione...
walge Inviato 15 Agosto 2025 Condividi Inviato 15 Agosto 2025 2 ore fa, Ultima Legione @ ha scritto: Pertanto procederò per confronto tra i due canali misurando il livello di Tensione e la Corrente tra il trimmer R37 e il Resistore R38 da 100 Ohm È una misura insufficiente per verificare il bias dato che i dispositivi finali hanno evidentemente delle caratteristiche non perfettamente uguali tra di loro Il costruttore avrà sicuramente selezionato i transistor finali anche perché lavorano in coppia Però per verificare la uguaglianza di bias tra i due canali è necessario misurare. una soluzione sarebbe capire se ci sono fusibili separati per i due canali e da lì ci si può ragionare Walter 1 Link al commento https://melius.club/topic/26135-regolazione-bias-finale-di-potenza/#findComment-1565533 Condividi su altri siti Altre opzioni di condivisione...
Messaggi raccomandati
Crea un account o accedi per lasciare un commento
Devi essere un membro per lasciare un commento
Crea un account
Iscriviti per un nuovo account nella nostra community. È facile!
Registra un nuovo accountAccedi
Sei già registrato? Accedi qui.
Accedi Ora