landi34 Inviato 24 Dicembre 2025 Condividi Inviato 24 Dicembre 2025 Perchè non viene utilizzato ? A memoria ricordo le Linn Sara e isobarik , poi , fine , scomparso . Eppure , in genere , appare interessante , due woofer relativamente piccoli in scatola ermetica inseriti in un mobile relativamente piccolo , in reflex . Scomparso perchè difficoltoso oppure perchè servono due woofer invece di un solo woofer ? Anche la linea di trasmissione appare eliminata dai diffusori audio , eppure appariva anch'essa interessante , vedi IMF e TDL . Link al commento https://melius.club/topic/27788-isobarico/ Condividi su altri siti Altre opzioni di condivisione...
Ulmerino Inviato 24 Dicembre 2025 Condividi Inviato 24 Dicembre 2025 @landi34 eliminate o quasi, perché non ci sono programmi attendibili di simulazione di carico, perché non c'è più il manico e il genio del progettista che testa e misura sul campo, perché è costoso, perché oggi siamo abituati all'efficienza medioalta e alle basse frequenze d'impatto quasi sempre poco reali e naturali...oltre alle Linn, segnalo per il carico isibarico, qualche diffusore Dynaudio (il top di Gamma Consequence aveva bassi che rasentavano la perfezione). Ho avuto per qualche anno le linn Sara, e posso dire che in poco più di una scatola di scarpe, uscivano basse frequenze di definizione, punch e potenza inusitate per il volume di carico... Per quanto riguarda la linea di trasmissione è la stessa cosa, basse efficienze ma estensioni da primato...è il mercato che sceglie la via più semplice per fare profitti... 1 Link al commento https://melius.club/topic/27788-isobarico/#findComment-1660255 Condividi su altri siti Altre opzioni di condivisione...
teramusic Inviato 24 Dicembre 2025 Condividi Inviato 24 Dicembre 2025 La Linn lo usa ancora, vedi la Serie 5. Per la linea di trasmissione, oltre ai difetti evidenziati da Ulmerino, mettici anche le dimensioni del condotto, anche se ripiegato. Link al commento https://melius.club/topic/27788-isobarico/#findComment-1660302 Condividi su altri siti Altre opzioni di condivisione...
Dufay Inviato 24 Dicembre 2025 Condividi Inviato 24 Dicembre 2025 2 ore fa, landi34 ha scritto: Perchè non viene utilizzato ? A memoria ricordo le Linn Sara e isobarik , poi , fine , scomparso . Eppure , in genere , appare interessante , due woofer relativamente piccoli in scatola ermetica inseriti in un mobile relativamente piccolo , in reflex . Scomparso perchè difficoltoso oppure perchè servono due woofer invece di un solo woofer ? Anche la linea di trasmissione appare eliminata dai diffusori audio , eppure appariva anch'essa interessante , vedi IMF e TDL . Dynaudio e Totem anche . Sono pochi perché hanno più difetti che pregi. Il difetto principale è un aumento di costo elevato certo a fronte di un presunto miglioramento delle prestazioni. Stesso discorso per la linea di trasmissione che a fronte di ingombri doppi o tripli a parità di altoparlante offre prestazioni non troppo lontane da un reflex ben fatto Link al commento https://melius.club/topic/27788-isobarico/#findComment-1660344 Condividi su altri siti Altre opzioni di condivisione...
domenico80 Inviato 25 Dicembre 2025 Condividi Inviato 25 Dicembre 2025 @landi34 Oggi una linea di trasmissione e pure un isobarico potrebbero avere prestazioni assai performanti con le eccellenze di componenti pro disponibili e partendo da quanto fatto in passato . Un esempio sono le recenti Laho dove un due vie è impressionante non so se per i componenti pro o per la linea di trasmissione o del connubio di entrambi nelle Futura che hanno efficienze ben oltre i 90 db . Chiaro ci vuole un progettista che pensa , azione che in hiend pare un crimine , e vada ben oltre il solito Clio e simulatore cui demandare con un clic il lavoro cerebrale , un progettista non appiattito alla solita banale concettualità . Il basso delle antiche linee come IMF era due spanne oltre i soliti bass reflex del tempo e pure l'isobarico linn lo era , leggasi le piccole Sara , roba di mezzo secolo fa , ma , a@@@ . Isobarico e linea costano troppo ? Perché gli attuali diffusori , 4 assi verniciate bene , costano poco ? Forse gli attuali diffusori fanno pagare spropositi per una falegnameria e laccature da mobiliere solo da interior design , ma vuota di contenuti ? Diciamo che è più semplice lavorare con un appiattente Clio che rapporterebbe un hobbysta a progettisti di diffusori dei tempi passati . Isobarico e linea sono ingombranti ? Ma non è vero , è solo un antico luogo comune addotto a scusante dell'attuale banalismo diffuso , le Futura non lo sono . L' isobarico nemmeno , anzi , quasi dimezza la cubatura del mobile e se è poco . Quindi , tutte chiacchiere rifinalizzate ancora che in hiend è meglio optare per la via più facile e canonica e per i conetti smollacci , ma da Cartier , questo sì che è importante , nord europei Link al commento https://melius.club/topic/27788-isobarico/#findComment-1660659 Condividi su altri siti Altre opzioni di condivisione...
domenico80 Inviato 25 Dicembre 2025 Condividi Inviato 25 Dicembre 2025 @Ulmerino credo che il sistema isobarico Linn non basava su due woofer in push pull , ma su un solo woofer ed un passivo ..... ad ogni modo , chapeau Link al commento https://melius.club/topic/27788-isobarico/#findComment-1660768 Condividi su altri siti Altre opzioni di condivisione...
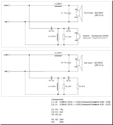
Ulmerino Inviato 25 Dicembre 2025 Condividi Inviato 25 Dicembre 2025 @domenico80 le vecchie Linn Isobarik Dms/Pms e le Isobarik Sara usavano due altoparlanti attivi identici, nel primo caso 2 kef b139, nelle Sara venivano utilizzati i kef b200 (nella prima serie delle Sara erano appesantiti da un dischetto posto sul parapolvere). Il woofer a vista è caricato da un volume ridottissimo, coibentato nel perimetro interno, quel tanto che basta a contenere il cestello e il magnete. Il secondo woofer (quello nascosto alla vista) serve per "ingannare" il primo, in pratica muovendosi in fase con l'altoparlante anteriore nel piccolo volume tra i due non c'è variazione di pressione, il primo woofer è come se fosse caricato in un volume enorme, come se fosse un baffle infinito. Le basse frequenze sono molto lineari e definite, non c'è il picco di risonanza di una cassa chiusa o di un reflex. Quello che posso dire, avendole avute, è che funziona. La Linn inoltre, per questo tipo di diffusori, prevedeva il posizionamento a ridosso della parete. 1 Link al commento https://melius.club/topic/27788-isobarico/#findComment-1660803 Condividi su altri siti Altre opzioni di condivisione...
teramusic Inviato 25 Dicembre 2025 Condividi Inviato 25 Dicembre 2025 41 minuti fa, domenico80 ha scritto: @Ulmerino credo che il sistema isobarico Linn non basava su due woofer in push pull , ma su un solo woofer ed un passivo ..... ad ogni modo , chapeau se fosse stato passivo non sarebbe stato "isobarico". Link al commento https://melius.club/topic/27788-isobarico/#findComment-1660807 Condividi su altri siti Altre opzioni di condivisione...
Ulmerino Inviato 25 Dicembre 2025 Condividi Inviato 25 Dicembre 2025 Link al commento https://melius.club/topic/27788-isobarico/#findComment-1660808 Condividi su altri siti Altre opzioni di condivisione...
Ulmerino Inviato 25 Dicembre 2025 Condividi Inviato 25 Dicembre 2025 Addirittura il crossover prevede due circuiti identici, con celle dedicate per ciascun woofer, sdoppiate anche per il tweeter, una utilizzata dall'altoparlante, l'altra con una resistenza di carico uguale a quella del tweeter Link al commento https://melius.club/topic/27788-isobarico/#findComment-1660810 Condividi su altri siti Altre opzioni di condivisione...
Dufay Inviato 25 Dicembre 2025 Condividi Inviato 25 Dicembre 2025 12 ore fa, domenico80 ha scritto: @landi34 Oggi una linea di trasmissione e pure un isobarico potrebbero avere prestazioni assai performanti con le eccellenze di componenti pro disponibili e partendo da quanto fatto in passato . Un esempio sono le recenti Laho dove un due vie è impressionante non so se per i componenti pro o per la linea di trasmissione o del connubio di entrambi nelle Futura che hanno efficienze ben oltre i 90 db . Chiaro ci vuole un progettista che pensa , azione che in hiend pare un crimine , e vada ben oltre il solito Clio e simulatore cui demandare con un clic il lavoro cerebrale , un progettista non appiattito alla solita banale concettualità . Il basso delle antiche linee come IMF era due spanne oltre i soliti bass reflex del tempo e pure l'isobarico linn lo era , leggasi le piccole Sara , roba di mezzo secolo fa , ma , a@@@ . Isobarico e linea costano troppo ? Perché gli attuali diffusori , 4 assi verniciate bene , costano poco ? Forse gli attuali diffusori fanno pagare spropositi per una falegnameria e laccature da mobiliere solo da interior design , ma vuota di contenuti ? Diciamo che è più semplice lavorare con un appiattente Clio che rapporterebbe un hobbysta a progettisti di diffusori dei tempi passati . Isobarico e linea sono ingombranti ? Ma non è vero , è solo un antico luogo comune addotto a scusante dell'attuale banalismo diffuso , le Futura non lo sono . L' isobarico nemmeno , anzi , quasi dimezza la cubatura del mobile e se è poco . Quindi , tutte chiacchiere rifinalizzate ancora che in hiend è meglio optare per la via più facile e canonica e per i conetti smollacci , ma da Cartier , questo sì che è importante , nord europei È un reflex non una linea di trasmissione. Anche le ultime Unika sono reflex come le altre tranne le oxygen. Link al commento https://melius.club/topic/27788-isobarico/#findComment-1661033 Condividi su altri siti Altre opzioni di condivisione...
Dufay Inviato 25 Dicembre 2025 Condividi Inviato 25 Dicembre 2025 Il sistema isobarico funziona come un push pull ma con gli altoparlanti messi uno dietro l'altro. Potrebbero essere messi magnete contro magnete e in questo caso ridiventerebbe push pull. In pratica è come avere un solo altoparlante con una massa mobile doppia a cui bisogna anche aggiungere la massa d'aria intrappolata tra i due altoparlanti che devono essere messi in parallelo per avere la stessa sensibilità di uno solo il che è un altro difetto. In pratica l'unico vantaggio dell'isobarico è quello di ridurre il volume necessario per avere una certa risposta in basso. Link al commento https://melius.club/topic/27788-isobarico/#findComment-1661044 Condividi su altri siti Altre opzioni di condivisione...
audio2 Inviato 25 Dicembre 2025 Condividi Inviato 25 Dicembre 2025 in ogni caso è stato chiaramente abbandonato per questioni di costi, complessità e casini progettuali. metti solo che un costruttore di ap tira via dal listino quello che ti serve o ti aumenta a sproposito il costo; con un cassa chiusa o reflex due modifiche e sei a posto, qua devi riprogettare tutta la cassa e che cassa. Link al commento https://melius.club/topic/27788-isobarico/#findComment-1661046 Condividi su altri siti Altre opzioni di condivisione...
audio2 Inviato 25 Dicembre 2025 Condividi Inviato 25 Dicembre 2025 questo il disegno della consequence di cui parlava ulme, una meraviglia. Link al commento https://melius.club/topic/27788-isobarico/#findComment-1661059 Condividi su altri siti Altre opzioni di condivisione...
Dufay Inviato 25 Dicembre 2025 Condividi Inviato 25 Dicembre 2025 27 minuti fa, audio2 ha scritto: in ogni caso è stato chiaramente abbandonato per questioni di costi, complessità e casini progettuali. metti solo che un costruttore di ap tira via dal listino quello che ti serve o ti aumenta a sproposito il costo; con un cassa chiusa o reflex due modifiche e sei a posto, qua devi riprogettare tutta la cassa e che cassa. Ma no non cambia chissà che cosa non creiamo miti. Probabilmente, anzi sicuramente, a parità di volume complessivo o quasi con due woofer da 30 cm a vista messi magari uno davanti e uno a lato si sarebbero ottenuti migliori risultati complessivi. Ricordo che quella cassa pur arrivando 25 hz lineari è solo 85 db difficilmente accettabili per quelle dimensioni. Link al commento https://melius.club/topic/27788-isobarico/#findComment-1661067 Condividi su altri siti Altre opzioni di condivisione...
domenico80 Inviato 25 Dicembre 2025 Condividi Inviato 25 Dicembre 2025 1 ora fa, Dufay ha scritto: È un reflex non una linea di trasmissione. A cosa ti riferisci Link al commento https://melius.club/topic/27788-isobarico/#findComment-1661087 Condividi su altri siti Altre opzioni di condivisione...
domenico80 Inviato 25 Dicembre 2025 Condividi Inviato 25 Dicembre 2025 pardon , lapsus : il pur piccolo woofer con il passivo posteriore era un .............. must .......... delle Ensemble PA 1 reference , una sòla di cassa Link al commento https://melius.club/topic/27788-isobarico/#findComment-1661091 Condividi su altri siti Altre opzioni di condivisione...
domenico80 Inviato 25 Dicembre 2025 Condividi Inviato 25 Dicembre 2025 1 ora fa, Dufay ha scritto: che devono essere messi in parallelo per avere la stessa sensibilità di uno solo il che è un altro difetto. beh , un 4 ohm per un ampli destinato a pilotare un basso è un carico accettabile 1 ora fa, Dufay ha scritto: In pratica l'unico vantaggio dell'isobarico è quello di ridurre il volume necessario per avere una certa risposta in basso. beh , non è poca roba , circa il 60% Link al commento https://melius.club/topic/27788-isobarico/#findComment-1661095 Condividi su altri siti Altre opzioni di condivisione...
Messaggi raccomandati
Crea un account o accedi per lasciare un commento
Devi essere un membro per lasciare un commento
Crea un account
Iscriviti per un nuovo account nella nostra community. È facile!
Registra un nuovo accountAccedi
Sei già registrato? Accedi qui.
Accedi Ora