Stefano86TV Inviato 21 Marzo Autore Condividi Inviato 21 Marzo Il 20/03/2026 at 07:10, best_music ha scritto: Riflessione "non tecnica": postando il quesito nella sezione fine tuning la risposta che avresti avuto non era forse facilmente prevedibile? Fra tutte mi sembrava la sezione più adatta. E infatti sono arrivate tante risposte utili e gentili. Grazie! Il 19/03/2026 at 18:37, Tronio ha scritto: La risposta secca a questa domanda è ovviamente sì, ma quello che dovresti chiederti è piuttosto "Mi serve?": in tal caso non sarei così avventato e lascerei dormire la "scimmia" dandomi il tempo di abituarmi agli AR9. Questo è quello che farò e grazie per l'ulteriore sveglia! Trattandosi di "giochi da grandi" non si tratta più di scambiarsi le macchinine o le figurine. Per cui per ora me le godrò nell'impianto così come sono. Un impianto del quale sono sempre grato di poter ascoltare. E, come nota @best_music, con un finale già di per sé piuttosto correntoso. Poi se necessario valuterò le altre soluzioni descritte. O magari incontrerò qualcun altro della zona con un finale identico e faremo delle prove. Questo sarebbe ancora meglio! 9 ore fa, qzndq3 ha scritto: Non farei nulla, il meglio è nemico del bene. Questa è un'altra testimonianza preziosissima. Grazie! Comunque, per rispondere a @Tronio ma anche a tutti voi, il sig. qualcuno è un noto negoziante di Padova che risulta essere molto esperto e competente in materia. Tanto che oltre alla biamplificazione, raccomanda vivamente anche il suo upgrade che sblocca le enormi potenzialità (già di per sé notevoli) di questo diffusore. Anche a tal proposito, se qualcuno ha esperienze dirette, testimonianze o opinioni, sono ben accette. Grazie Link al commento https://melius.club/topic/28814-ar9-che-faccio-biamplifico-o-lascio-tutto-cos%C3%AC-com%E2%80%99%C3%A8/page/2/#findComment-1723513 Condividi su altri siti Altre opzioni di condivisione...
qzndq3 Inviato 21 Marzo Condividi Inviato 21 Marzo 4 ore fa, Stefano86TV ha scritto: raccomanda vivamente anche il suo upgrade che sblocca le enormi potenzialità Che tipo di upgrade suggerisce sulle AR9? Link al commento https://melius.club/topic/28814-ar9-che-faccio-biamplifico-o-lascio-tutto-cos%C3%AC-com%E2%80%99%C3%A8/page/2/#findComment-1723787 Condividi su altri siti Altre opzioni di condivisione...
Stefano86TV Inviato 21 Marzo Autore Condividi Inviato 21 Marzo @qzndq3 sostanzialmente rifa' i crossover, il cablaggio interno e sostituisce la morsettiera posteriore. Io qualche anno fa sono stato da lui ed aveva una coppia di Sonus Faber in lavorazione. Le ha collegate e la differenza era davvero imbarazzante Link al commento https://melius.club/topic/28814-ar9-che-faccio-biamplifico-o-lascio-tutto-cos%C3%AC-com%E2%80%99%C3%A8/page/2/#findComment-1723879 Condividi su altri siti Altre opzioni di condivisione...
qzndq3 Inviato 21 Marzo Condividi Inviato 21 Marzo @Stefano86TV in effetti il filo originale è di qualità infima ed i fast on non sono scevri da problemi, io stesso ho sostituiti cablaggi e morsetti. Dopo cinquanta anni un bel recap senza strafare ha senso, ho controllato i condensatori una quindicina di anni fa, erano entro le tolleranze, ma è ora di rimetterci mani. Rispetto al lanciarti con una costosa quanto poco significativa (imho) biamplificazione passiva, io procederei con il recap dei cross over Link al commento https://melius.club/topic/28814-ar9-che-faccio-biamplifico-o-lascio-tutto-cos%C3%AC-com%E2%80%99%C3%A8/page/2/#findComment-1724186 Condividi su altri siti Altre opzioni di condivisione...
Stefano86TV Inviato 22 Marzo Autore Condividi Inviato 22 Marzo @qzndq3 Lo immaginavo, data l'età del progetto. Anche se ho visto alcuni diffusori recenti e costosi che all'interno avevano cavi e componentistica improbabile. Comunque, tornando a noi, allego alcune foto di un upgrade fatto lo scorso anno (sono di pubblico dominio quindi credo di non violare alcuna regola), e una breve descrizione di ciò che viene fatto: "adesso che il 99% di quel che gli arriva riesce ad uscire, ci si deve preoccupare soltanto che l’ampli designato ai Woofer più che estremamente potente sia in grado di suonare con carico di 2 ohm (già perché i due Woofer che equipaggiano ogni diffusore sono da 4 ohm e collegati in parallelo ne dimezzano il loro carico originale) mentre alla sezione “frontale” (Midwoofer, MidHigh e Tweeter) adesso bastano ed avanzano 50 watt RMS su 4 ohm (perciò qualità più che potenza bruta)!" "Logicamente l'Upgrade per le AR9 equivale al lavoro che di norma si fa su 2 coppie di 3 vie e/o su 3 coppie di 2 Vie! Perciò per la quantità di materiale pregiato che occorre, per le decine di metri di Cavo Hi-End che serve (Cavi Faber's Cable differenti per ogni singolo trasduttore !!!) per le giornate di lavoro che il progetto pretende, non è possibile fare un buon lavoro a meno di €.730,00 /cad. + iva F.co ns Sede)." Tu che l'hai fatto e le conosci, cosa ne pensi? Che poi, in molti continuano a sostenere che il cross over delle Ar9 contenga degli errori. E' così o ha semplicemente dei componenti moderni che all'epoca non c'erano? Grazie mille a tutti! Link al commento https://melius.club/topic/28814-ar9-che-faccio-biamplifico-o-lascio-tutto-cos%C3%AC-com%E2%80%99%C3%A8/page/2/#findComment-1724278 Condividi su altri siti Altre opzioni di condivisione...
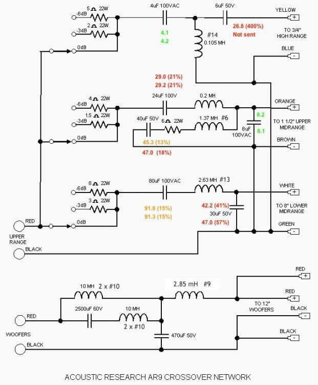
JureAR Inviato 22 Marzo Condividi Inviato 22 Marzo @Stefano86TV @qzndq3 intervengo solo per segnalare che sulle foto dei crossover sembra che siano rimasti in sede condensatori di primo equipaggiamento, sotto in foto un Callins da 6uf cerchiato ( sono famosi per andare fuori tolleranza) ma nelle altre foto se ne intravedono altri...onestamente se fossero mie le AR9 sostituirei i soli condensatori ( avendo cura anche di fissarli in modo sicuro alla masonite ad evitare rumori causa vibrazioni), pure usando elettrolitici bipolari ( bene i Mundorf, senza svenarsi). Sempre a mio parere non sostituirei il cablaggio originale, i colori dei cavi originali, (peraltro correttamente dimensionati da progetto, sono da 18wg), hanno il loro perché e facilitano lavori o interventi successivi. Riguardo alla biamplificazione, non ho nessuna esperienza, ma un buon e correntoso "finalone" a mio parere è quanto serve ad esprimere tutto il potenziale delle AR9. Link al commento https://melius.club/topic/28814-ar9-che-faccio-biamplifico-o-lascio-tutto-cos%C3%AC-com%E2%80%99%C3%A8/page/2/#findComment-1724365 Condividi su altri siti Altre opzioni di condivisione...
qzndq3 Inviato 22 Marzo Condividi Inviato 22 Marzo 4 ore fa, Stefano86TV ha scritto: "Logicamente l'Upgrade per le AR9 equivale al lavoro che di norma si fa su 2 coppie di 3 vie e/o su 3 coppie di 2 Vie! Perciò per la quantità di materiale pregiato che occorre, per le decine di metri di Cavo Hi-End che serve (Cavi Faber's Cable differenti per ogni singolo trasduttore !!!) per le giornate di lavoro che il progetto pretende, non è possibile fare un buon lavoro a meno di €.730,00 /cad. + iva F.co ns Sede)." Per quanto mi riguarda è un costo fuori da ogni logica. 4 ore fa, Stefano86TV ha scritto: "adesso che il 99% di quel che gli arriva riesce ad uscire, ci si deve preoccupare soltanto che l’ampli designato ai Woofer più che estremamente potente sia in grado di suonare con carico di 2 ohm (già perché i due Woofer che equipaggiano ogni diffusore sono da 4 ohm e collegati in parallelo ne dimezzano il loro carico originale) Non so chi abbia scritto tutto ciò, allego il grafico del modulo dell'impedenza delle AR9, si può facilmente vedere che non è mai sotto i 4ohm 4 ore fa, Stefano86TV ha scritto: Tu che l'hai fatto e le conosci, cosa ne pensi? Sulle mie AR90 ho bypassato i deviatori (ossidati non avevo nessuna voglia di effettuare un'operazione chirurgica per ripulirli e rimetterli perfettamente in funzione) e relative resistenze di attenuazione, hoi cambiato i cablaggi con del filo decente da 2,5mmq (Oehlbach) e cambiato i morsetti. Ho speso una frazione del costo indicato. Il miglioramento è stato evidente dalle voci in su, come togliere un velo, verosimilmente per via degli attenuatori e dei fast-on ossidati. Il tipo di filo gioca un ruolo non determinante visto che si tratta di brevissimi spezzoni, io già che c'ero ho provveduto ed ho ancora in cantina i cablaggi originali, just in case. 4 ore fa, Stefano86TV ha scritto: Che poi, in molti continuano a sostenere che il cross over delle Ar9 contenga degli errori. Perchè mai degli errori? Questo è il cross over originale, identico a quello che hai pubblicato tu 3 ore fa, JureAR ha scritto: onestamente se fossero mie le AR9 sostituirei i soli condensatori ( avendo cura anche di fissarli in modo sicuro alla masonite ad evitare rumori causa vibrazioni), pure usando elettrolitici bipolari ( bene i Mundorf, senza svenarsi) Giorgio, che piacere leggerti! Sono assolutamente d'accordo con il non svenarsi, i condensatori, c'è poco da fare, prima o poi vanno fuori specifica e vanno sostituiti. 3 ore fa, JureAR ha scritto: un buon e correntoso "finalone" a mio parere è quanto serve ad esprimere tutto il potenziale delle AR9 Concordo, ovviamente. Il Norma di @Stefano86TV ne ha da vendere. 1 Link al commento https://melius.club/topic/28814-ar9-che-faccio-biamplifico-o-lascio-tutto-cos%C3%AC-com%E2%80%99%C3%A8/page/2/#findComment-1724530 Condividi su altri siti Altre opzioni di condivisione...
Tronio Inviato 22 Marzo Condividi Inviato 22 Marzo 51 minuti fa, qzndq3 ha scritto: Il tipo di filo gioca un ruolo non determinante visto che si tratta di brevissimi spezzoni Probabilmente il grosso del miglioramento è dovuto più che al cavo in sé alla miglior qualità delle connessioni/saldature conseguente al lavoro di sostituzione. Link al commento https://melius.club/topic/28814-ar9-che-faccio-biamplifico-o-lascio-tutto-cos%C3%AC-com%E2%80%99%C3%A8/page/2/#findComment-1724583 Condividi su altri siti Altre opzioni di condivisione...
qzndq3 Inviato 22 Marzo Condividi Inviato 22 Marzo 4 ore fa, Tronio ha scritto: Probabilmente il grosso del miglioramento è dovuto più che al cavo in sé alla miglior qualità delle connessioni/saldature Sì è molto probabile Link al commento https://melius.club/topic/28814-ar9-che-faccio-biamplifico-o-lascio-tutto-cos%C3%AC-com%E2%80%99%C3%A8/page/2/#findComment-1724780 Condividi su altri siti Altre opzioni di condivisione...
Carlo112 Inviato 22 Marzo Condividi Inviato 22 Marzo Il 21/03/2026 at 10:06, Stefano86TV ha scritto: Fra tutte mi sembrava la sezione più adatta. E infatti sono arrivate tante risposte utili e gentili. Grazie! Questo è quello che farò e grazie per l'ulteriore sveglia! Trattandosi di "giochi da grandi" non si tratta più di scambiarsi le macchinine o le figurine. Per cui per ora me le godrò nell'impianto così come sono. Un impianto del quale sono sempre grato di poter ascoltare. E, come nota @best_music, con un finale già di per sé piuttosto correntoso. Poi se necessario valuterò le altre soluzioni descritte. O magari incontrerò qualcun altro della zona con un finale identico e faremo delle prove. Questo sarebbe ancora meglio! Questa è un'altra testimonianza preziosissima. Grazie! Comunque, per rispondere a @Tronio ma anche a tutti voi, il sig. qualcuno è un noto negoziante di Padova che risulta essere molto esperto e competente in materia. Tanto che oltre alla biamplificazione, raccomanda vivamente anche il suo upgrade che sblocca le enormi potenzialità (già di per sé notevoli) di questo diffusore. Anche a tal proposito, se qualcuno ha esperienze dirette, testimonianze o opinioni, sono ben accette. Grazie Buonasera Stefano. Ho avuto 2 esperienze molte positive con il negozio che menzioni. Positive oltremodo per professionalitá e coerenza. Una con le Kef 105.2 ed un'altra con le Wharfedale Evo 4.4. Ti posso assicure che dopo le "cure" di Levorato, i diffusori rinascono. Personalmente ritengo che l'unica via per farti un'idea del risultato finale sia di andare a fargli visita... Per qualsiasi domanda, sono qui. Carlo Link al commento https://melius.club/topic/28814-ar9-che-faccio-biamplifico-o-lascio-tutto-cos%C3%AC-com%E2%80%99%C3%A8/page/2/#findComment-1724858 Condividi su altri siti Altre opzioni di condivisione...
Stefano86TV Inviato 22 Marzo Autore Condividi Inviato 22 Marzo @Carlo112 Buonasera Carlo, sulla sua competenza (e simpatia) non ho dubbi. Li da lui ho sentito appunto delle Sonus Faber e cambiavano veramente categoria. Mantenevano lo stesso carattere ma suonando molto molto meglio! Aspetto ad andarci perché se lo faccio vorrei andare li con le idee già chiare😅. E francamente con due bestie del genere, la spesa non è proprio indifferente. Comunque grazie del tuo contributo 😁 Link al commento https://melius.club/topic/28814-ar9-che-faccio-biamplifico-o-lascio-tutto-cos%C3%AC-com%E2%80%99%C3%A8/page/2/#findComment-1724896 Condividi su altri siti Altre opzioni di condivisione...
Messaggi raccomandati
Crea un account o accedi per lasciare un commento
Devi essere un membro per lasciare un commento
Crea un account
Iscriviti per un nuovo account nella nostra community. È facile!
Registra un nuovo accountAccedi
Sei già registrato? Accedi qui.
Accedi Ora