albicocco.curaro Inviato 28 Gennaio 2022 Condividi Inviato 28 Gennaio 2022 Certo che nell'usato la versione "liscia" si trova facilmente....... Link al commento https://melius.club/topic/6468-wharfedale-linton-con-up-grade-levorato/page/9/#findComment-350920 Condividi su altri siti Altre opzioni di condivisione...
il Marietto Inviato 28 Gennaio 2022 Condividi Inviato 28 Gennaio 2022 11 ore fa, giggione ha scritto: ma da 1200 di listino a 1900 è tanto Se ne parlate - bene - un altro po' vanno a 2,5k Link al commento https://melius.club/topic/6468-wharfedale-linton-con-up-grade-levorato/page/9/#findComment-350928 Condividi su altri siti Altre opzioni di condivisione...
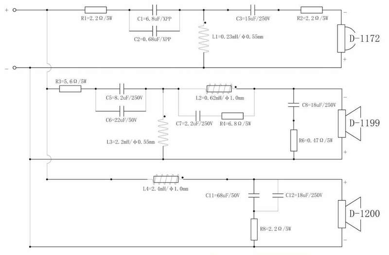
Questo è un messaggio popolare. Lucignolo1 Inviato 29 Gennaio 2022 Questo è un messaggio popolare. Condividi Inviato 29 Gennaio 2022 Buongiorno a tutti. Questo è il mio primo messaggio e come prima cosa, visto che non ho trovato la sezione apposita, volevo perlomeno salutare tutti. Scusate l'ot. Ho da poco acquistato le Linton e ne sono molto soddisfatto. Al più presto vorrei procedere alla modifica seguendo le indicazioni che si trovano su YouTube, in particolare di un signore tedesco che sostituendo un paio di condensatori e alcune resistenze, sul crossover nella sezione degli alti, ha migliorato di molto la qualità del suono. In rete ho trovato uno schema elettrico del crossover delle Linton ed anche una foto. Eseguirò anche il completo cablaggio dei cavi interni. Impegni di vario genere permettendo. 4 Link al commento https://melius.club/topic/6468-wharfedale-linton-con-up-grade-levorato/page/9/#findComment-351321 Condividi su altri siti Altre opzioni di condivisione...
pro61 Inviato 29 Gennaio 2022 Condividi Inviato 29 Gennaio 2022 Onestamente, quel crossover mi sembra molto ben fatto, per essere in una cassa da meno di 1000€. Si potrebbe apportare qualche piccola modifica, spazio permettendo o cambiare qualche valore delle resistenze, questo a patto di sapere dove si è e in che direzione andare. Link al commento https://melius.club/topic/6468-wharfedale-linton-con-up-grade-levorato/page/9/#findComment-351404 Condividi su altri siti Altre opzioni di condivisione...
corrado Inviato 29 Gennaio 2022 Condividi Inviato 29 Gennaio 2022 Nello schema C11 è da 68 micro ma nella foto è da 80. 🤨 Link al commento https://melius.club/topic/6468-wharfedale-linton-con-up-grade-levorato/page/9/#findComment-351417 Condividi su altri siti Altre opzioni di condivisione...
pro61 Inviato 29 Gennaio 2022 Condividi Inviato 29 Gennaio 2022 Infatti è marcato in rosso. Link al commento https://melius.club/topic/6468-wharfedale-linton-con-up-grade-levorato/page/9/#findComment-351421 Condividi su altri siti Altre opzioni di condivisione...
corrado Inviato 29 Gennaio 2022 Condividi Inviato 29 Gennaio 2022 9 minuti fa, pro61 ha scritto: Infatti è marcato in rosso. Anche C3 però corrisponde foto con schema. Link al commento https://melius.club/topic/6468-wharfedale-linton-con-up-grade-levorato/page/9/#findComment-351430 Condividi su altri siti Altre opzioni di condivisione...
audio2 Inviato 29 Gennaio 2022 Condividi Inviato 29 Gennaio 2022 19 minuti fa, pro61 ha scritto: questo a patto di sapere dove si è e in che direzione andare con lo schema ed i valori la direzione giusta è quella di sostituire in blocco il cross originale, tenendo gli stessi valori ed usando: - resistenze ad ossido metallico - condensatori in polipropilene di qualità, via gli elettrolitici - induttanze avvolte in aria, con la stessa resistenza di quelle di serie si spenderà anche qualcosa, però il risultato dovrebbe decisamente valere la pena 2 Link al commento https://melius.club/topic/6468-wharfedale-linton-con-up-grade-levorato/page/9/#findComment-351431 Condividi su altri siti Altre opzioni di condivisione...
pro61 Inviato 29 Gennaio 2022 Condividi Inviato 29 Gennaio 2022 @corrado Si, ma almeno io, non riesco a leggere quale sia il valore reale del condensatore Link al commento https://melius.club/topic/6468-wharfedale-linton-con-up-grade-levorato/page/9/#findComment-351438 Condividi su altri siti Altre opzioni di condivisione...
audio2 Inviato 29 Gennaio 2022 Condividi Inviato 29 Gennaio 2022 con il cross smontato in mano, basta misurarlo. Link al commento https://melius.club/topic/6468-wharfedale-linton-con-up-grade-levorato/page/9/#findComment-351444 Condividi su altri siti Altre opzioni di condivisione...
pro61 Inviato 29 Gennaio 2022 Condividi Inviato 29 Gennaio 2022 4 minuti fa, audio2 ha scritto: si spenderà anche qualcosa Come dici tu, potresti spendere anche più del valore delle casse stesse, ottenendo molto poco in cambio. Meglio capire bene a casse rodate, se qualcosa non soddisfa, e agire di conseguenza, con poca spesa mirata. Link al commento https://melius.club/topic/6468-wharfedale-linton-con-up-grade-levorato/page/9/#findComment-351447 Condividi su altri siti Altre opzioni di condivisione...
giggione Inviato 29 Gennaio 2022 Autore Condividi Inviato 29 Gennaio 2022 Questa è la prova fatta da suono del modello liscio,mi ricordavo che le avevo viste su rivista 1 Link al commento https://melius.club/topic/6468-wharfedale-linton-con-up-grade-levorato/page/9/#findComment-351576 Condividi su altri siti Altre opzioni di condivisione...
albicocco.curaro Inviato 29 Gennaio 2022 Condividi Inviato 29 Gennaio 2022 Sarebbe interessante vedere il crossover modificato da Levorato Link al commento https://melius.club/topic/6468-wharfedale-linton-con-up-grade-levorato/page/9/#findComment-351644 Condividi su altri siti Altre opzioni di condivisione...
Questo è un messaggio popolare. Luke04 Inviato 29 Gennaio 2022 Questo è un messaggio popolare. Condividi Inviato 29 Gennaio 2022 Tra un po' la wharfedale si metterà a vendere anche una versione priva di crossover 🙃 visto che tutti lo modificano... e poi ognuno si fa il proprio come pare e piace 😂 4 Link al commento https://melius.club/topic/6468-wharfedale-linton-con-up-grade-levorato/page/9/#findComment-351764 Condividi su altri siti Altre opzioni di condivisione...
floyder Inviato 29 Gennaio 2022 Condividi Inviato 29 Gennaio 2022 Stamane dopo tanto ho acceso l’impianto per un paio d’ore (ultimamente ho poco tempo) lisce come mamma l’ha fatte e mi chiedo sempre perché modificarle. 1 Link al commento https://melius.club/topic/6468-wharfedale-linton-con-up-grade-levorato/page/9/#findComment-351822 Condividi su altri siti Altre opzioni di condivisione...
pro61 Inviato 29 Gennaio 2022 Condividi Inviato 29 Gennaio 2022 @floyder Se ti stan bene così, non c'è motivo per farlo. Link al commento https://melius.club/topic/6468-wharfedale-linton-con-up-grade-levorato/page/9/#findComment-351831 Condividi su altri siti Altre opzioni di condivisione...
floyder Inviato 29 Gennaio 2022 Condividi Inviato 29 Gennaio 2022 @pro61 non parlavo di me, era una considerazione ... Link al commento https://melius.club/topic/6468-wharfedale-linton-con-up-grade-levorato/page/9/#findComment-351885 Condividi su altri siti Altre opzioni di condivisione...
Gici HV Inviato 29 Gennaio 2022 Condividi Inviato 29 Gennaio 2022 40 minuti fa, floyder ha scritto: e mi chiedo sempre perché modificarle. Io me lo chiedo spesso per l'impianto,cosa vado cercando che si sente già anche troppo bene..🤔 Link al commento https://melius.club/topic/6468-wharfedale-linton-con-up-grade-levorato/page/9/#findComment-351894 Condividi su altri siti Altre opzioni di condivisione...
Messaggi raccomandati
Crea un account o accedi per lasciare un commento
Devi essere un membro per lasciare un commento
Crea un account
Iscriviti per un nuovo account nella nostra community. È facile!
Registra un nuovo accountAccedi
Sei già registrato? Accedi qui.
Accedi Ora