carmus Inviato 26 Novembre 2022 Condividi Inviato 26 Novembre 2022 Buongiorno a tutti ho il suddetto amplificatore ormai da anni e ne sono pienamente soddisfatto anche se lo uso solo in inverno; dopo averlo ripreso dalla, quest'anno, lunga pausa estiva mi si è presentato un piccolo problema, vale a dire non riesco a regolare il bias di una valvola. Chi conosce l'amplificatore sa che ci sono quattro potenziometri da regolare per il bias di ogni valvola finale e la regolazione non richiede un tester ma è assistita da un Led che deve spegnersi. Ebbene il Led di una valvola non si riesce più a spegnere, l'ampli si sente lo stesso. Ho ovviamente provato a cambiare posizione alle valvole, le ho sostituite con un quartetto nuovo, ho pure sostituito le quattro driver, ma niente il problema persiste. Qualcuno ha avuto un'esperienza analoga e potrebbe dirmi di cosa si tratta? grazie anticipatamente a chi voglia darmi un dritta Link al commento https://melius.club/topic/11487-problema-con-cj-premier-eleven-a/ Condividi su altri siti Altre opzioni di condivisione...
CJPV10 Inviato 26 Novembre 2022 Condividi Inviato 26 Novembre 2022 Prova a sentire l' Audiotecnico visto che ci ha messo mano http://www.audiotecnico.it/riparazioni/riparazioni_C/conrad_johnson/Conrad_Johnson_PR11/Conrad_Johnson_PR11.htm Link al commento https://melius.club/topic/11487-problema-con-cj-premier-eleven-a/#findComment-654891 Condividi su altri siti Altre opzioni di condivisione...
carmus Inviato 26 Novembre 2022 Autore Condividi Inviato 26 Novembre 2022 Ti ringrazio per il consiglio, ma è un pò lontano. Link al commento https://melius.club/topic/11487-problema-con-cj-premier-eleven-a/#findComment-654914 Condividi su altri siti Altre opzioni di condivisione...
walge Inviato 26 Novembre 2022 Condividi Inviato 26 Novembre 2022 @carmus o hai un minimo di dimestichezza con il tester e con le tensioni in gioco che sono presenti nell'appareccho o ti affidi ad un tecnico. SI dovrebbe vedere con il tester se al pin 5 della valvola finale )nella posizione dove c'è il problema) varia la tensione negativa di bias al variare del potenziometro; si può fare anche senza la valvola inserita. E un buon inizio Walter Link al commento https://melius.club/topic/11487-problema-con-cj-premier-eleven-a/#findComment-655213 Condividi su altri siti Altre opzioni di condivisione...
carmus Inviato 26 Novembre 2022 Autore Condividi Inviato 26 Novembre 2022 @walge Grazie Walter, domani proverò; una domanda devo fare tutto con un carico all'uscita o ne posso fare a meno? scusa rispetto alla tacca delle 6550 qual'è il pin 5? Link al commento https://melius.club/topic/11487-problema-con-cj-premier-eleven-a/#findComment-655473 Condividi su altri siti Altre opzioni di condivisione...
pino Inviato 26 Novembre 2022 Condividi Inviato 26 Novembre 2022 @carmus Ciao nel 2018 al mio MV50,per problemi simili,con in più il salto plurimo di fusibile ( Bussman ),mi è stata sostituita la rete resistiva di un canale,poi è ritornato come nuovo,non era una gran spesa. Link al commento https://melius.club/topic/11487-problema-con-cj-premier-eleven-a/#findComment-655534 Condividi su altri siti Altre opzioni di condivisione...
walge Inviato 27 Novembre 2022 Condividi Inviato 27 Novembre 2022 @carmus guardando lo zoccolo dall'alto, chiave in basso devi contare in senso antiorario partendo dal primo pin (1) a destra, un capo del tester, l'altro a massa Walter Link al commento https://melius.club/topic/11487-problema-con-cj-premier-eleven-a/#findComment-656172 Condividi su altri siti Altre opzioni di condivisione...
carmus Inviato 28 Novembre 2022 Autore Condividi Inviato 28 Novembre 2022 @walge Ciao Walter, stamani ho fatto dei controlli col tester, ho dovuto peraltro smontare il pannello inferiore e forse ho scoperto il problema anche se per sistemarlo occorrerà smontarlo tutto. allora ho prima di tutto effettuato le misure che mi hai suggerito ed ho verificato che sono tutte uguali cioè ho misurato i pin della griglia su tutte le valvole ed i valori sono sovrapponibili anche se rispetto al datasheet della valvola che da un valore di circa 300v neg, qui ne misuro 500 (ripeto su tutte); quindi ho controllato le resistenze sul pannello superiore e tutte sembrano a norma (ho scaricato lo schema elettrico) a quel punto ho rimosso il pannello inferiore eh controllato delle resistenze saldate a ridosso delle valvole ed ho riscontrato che quella della valvola incriminata mi da un valore di 5 Ohm contro i venti delle altre tre. A questo punto credo che il problema sia questo. Il problema è che è una resistenza da5 w che non saprei dove reperire, credo abbia anche una bassa tolleranza. Allego foto Link al commento https://melius.club/topic/11487-problema-con-cj-premier-eleven-a/#findComment-656624 Condividi su altri siti Altre opzioni di condivisione...
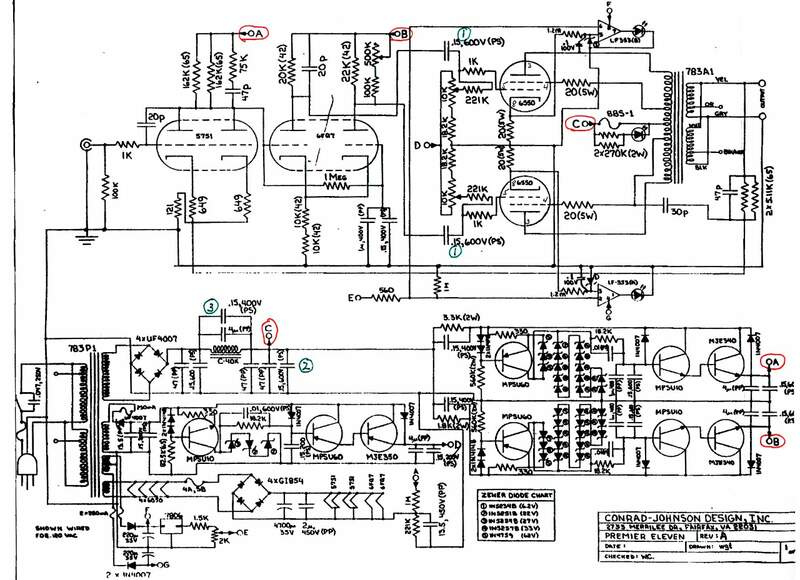
carmus Inviato 28 Novembre 2022 Autore Condividi Inviato 28 Novembre 2022 Come vedi mi toccherà anche smontare tutto perché è saldata da un lato sul cs e dall'altro ad una barra. Ti allego lo schema elettrico per capire se potrebbe essere davvero quello il problema dovrebbe essere quella che va al pin 4 della valvola Link al commento https://melius.club/topic/11487-problema-con-cj-premier-eleven-a/#findComment-656626 Condividi su altri siti Altre opzioni di condivisione...
walge Inviato 28 Novembre 2022 Condividi Inviato 28 Novembre 2022 @carmus però non capisco le misure che hai fatto. Non ci possono essere 300 V negativi Sul pin 5 devi trovare una tensione negativa che potrà essere -50 volt o giù di lì Sul pin 3 devi trovare le alta tensione che alimenta le finali; una tensione simile sul pin 4 Tra i pin 1 e 8 e massa, senza accendere l'apparecchio e a valvole finali tolte, devi leggere una resistenza di 20 ohm per ogni valvola. La foto che hai mandato è sfocata e non ho idea di dove quella resistenza sia. Se la resistenza è passata da 20 a 5 ohm non influisce in quel punto. Walter Link al commento https://melius.club/topic/11487-problema-con-cj-premier-eleven-a/#findComment-657013 Condividi su altri siti Altre opzioni di condivisione...
carmus Inviato 28 Novembre 2022 Autore Condividi Inviato 28 Novembre 2022 @walge @walge Grazie per la risposta- Allora ad apparecchio acceso ho effettuato i controlli tra il pin 5 e la massa di tutte e quattro le valvole e i valori che ho rilevato giravano intorno ai 50 volt come dici con lievi modifiche girando i potenziometri: Ad apparecchio spendo ho controllato i valori delle resistenze posizionate sul piano delle valvole e tutte mi davano gli stessi valori; quando ho smontato il pannello inferiore ed ho testato quelle resistenze montate da un lato sul pin della valvola e dall'altro su una barrettina metallica alla quale vi sono saldati anche dei cavi provenienti dall'alimentazione; di queste resistenze tre (ognuna è collegata ad una valvola) hanno un valore corretto di 20ohm mentre quella in corrispondenza della valvola incriminata misura 5 ohm e peraltro non si riesce a vedere la scritta riportante il valore mentre nelle altre si; quindi ho pensato che potesse essere lì il problema. Ovviamente non ne ho a disposizione per sostituirla sennò sarebbe stata la prova del nove. Questo è l'unico componente che ho trovato alterato. Ho, sempre ad apparecchio spento, anche provato i potenziometri di regolazione (o trimmer) e tutti e quattro ruotandoli mi danno gli stessi valori- Link al commento https://melius.club/topic/11487-problema-con-cj-premier-eleven-a/#findComment-657025 Condividi su altri siti Altre opzioni di condivisione...
walge Inviato 28 Novembre 2022 Condividi Inviato 28 Novembre 2022 @carmus lo schema è semplice di fatto La regolazione del bias fa si che al variare della tensione ls corrente cambi e ai capi della resistenza da 20 ohm sul catodo di ogni 34 si avrà un valore relativo. Una cosa che puoi fare, con molta attenzione, è di misurare con il tester la tensione al pin 1-8 con le finali montate, quindi aprire l'apparecchio ed andare proprio sullo zoccolo. Se vedi che anche nella posizione sospetta il valore della tensione cambia ruotando il pot in modo congruo con la valvola nella posizione vicina significa che il controllo del bias ( circuito integrato e pochi componenti) non sta funzionando. Mentre la regolazione di fatto si. Link al commento https://melius.club/topic/11487-problema-con-cj-premier-eleven-a/#findComment-657045 Condividi su altri siti Altre opzioni di condivisione...
carmus Inviato 28 Novembre 2022 Autore Condividi Inviato 28 Novembre 2022 @walge scusa Walter ma le valvole sono delle 6550 e non delle 34; il circuito integrato è unico per cui se non funzionasse non dovrebbe essere possibile regolare il bias di tutte le valvole o sbaglio? Link al commento https://melius.club/topic/11487-problema-con-cj-premier-eleven-a/#findComment-657047 Condividi su altri siti Altre opzioni di condivisione...
walge Inviato 28 Novembre 2022 Condividi Inviato 28 Novembre 2022 ok, errore mio l'integrato è per ogni tubo Link al commento https://melius.club/topic/11487-problema-con-cj-premier-eleven-a/#findComment-657051 Condividi su altri siti Altre opzioni di condivisione...
carmus Inviato 28 Novembre 2022 Autore Condividi Inviato 28 Novembre 2022 come vedi l'integrato è unico per ogni canale, quindi non dovrebbe funzionare nemmeno la seconda valvola; peraltro potrei sostituito con il controlaterale per avere riprova, tanto è montato su zoccolo Link al commento https://melius.club/topic/11487-problema-con-cj-premier-eleven-a/#findComment-657057 Condividi su altri siti Altre opzioni di condivisione...
walge Inviato 28 Novembre 2022 Condividi Inviato 28 Novembre 2022 quello è un op amp doppio W Link al commento https://melius.club/topic/11487-problema-con-cj-premier-eleven-a/#findComment-657071 Condividi su altri siti Altre opzioni di condivisione...
carmus Inviato 28 Novembre 2022 Autore Condividi Inviato 28 Novembre 2022 @walge ah ho capito, allora di altri non ne vedo, vedo solo uno di quelli che regolano le alimentazioni nella parte inferiore del c.s. ma è unico, se fosse rotto non dovrebbe funzionare tutto l'ampli. forse mi sono dimenticato di dire che l'ampli comunque si sente, l'unica cosa che non riesco a fare è la regolazione del bias di un unica valvola- Scusa se ti faccio perdere del tempo ma mi occupavo di elettronica da ragazzo, ora riparo corpi umani (spero meglio) Link al commento https://melius.club/topic/11487-problema-con-cj-premier-eleven-a/#findComment-657079 Condividi su altri siti Altre opzioni di condivisione...
corrado Inviato 28 Novembre 2022 Condividi Inviato 28 Novembre 2022 26 minuti fa, carmus ha scritto: ora riparo corpi umani (spero meglio) 😂😂😂 Link al commento https://melius.club/topic/11487-problema-con-cj-premier-eleven-a/#findComment-657115 Condividi su altri siti Altre opzioni di condivisione...
Messaggi raccomandati
Crea un account o accedi per lasciare un commento
Devi essere un membro per lasciare un commento
Crea un account
Iscriviti per un nuovo account nella nostra community. È facile!
Registra un nuovo accountAccedi
Sei già registrato? Accedi qui.
Accedi Ora