fanbachiano Inviato 14 Marzo 2023 Condividi Inviato 14 Marzo 2023 Ho riacceso l'impianto dopo un anno. Tutto bene. Ceno pensando di farlo scaldare un poco per sentire poi un paio di CD ma al ritorno il canale destro è muto. Inserisco il reverse del pre e la situazione si inverte. Posso escludere un danno al pre, al finale e ai diffusori? Penso difettoso un canale del dac! Link al commento https://melius.club/topic/13517-un-canale-muto/ Condividi su altri siti Altre opzioni di condivisione...
mastergiven Inviato 14 Marzo 2023 Condividi Inviato 14 Marzo 2023 Puoi verificare facilmente con altra sorgente.. Link al commento https://melius.club/topic/13517-un-canale-muto/#findComment-770752 Condividi su altri siti Altre opzioni di condivisione...
fanbachiano Inviato 15 Marzo 2023 Autore Condividi Inviato 15 Marzo 2023 Infatti! Ma ieri sera, anche data l'ora e l'ansia, non sapevo cosa fare. E non avevo a disposizione, lì al momento, nient'altro. Ho recuperato poco fa dalla cantina un vecchio sintonizzatore e tutto funziona bene, quindi il problema è il dac, un Audionote dac 3 , al quale sono molto affezionato e che è già stato revisionato due volte ma è del 1996. Qualcuno sa dirmi se l'eventuale malfunzionamento di una valvole del dac può interrompere il segnale e, per vedere se si accendono, posso dare corrente al convertitore da solo, fuori dall'impianto? Link al commento https://melius.club/topic/13517-un-canale-muto/#findComment-770989 Condividi su altri siti Altre opzioni di condivisione...
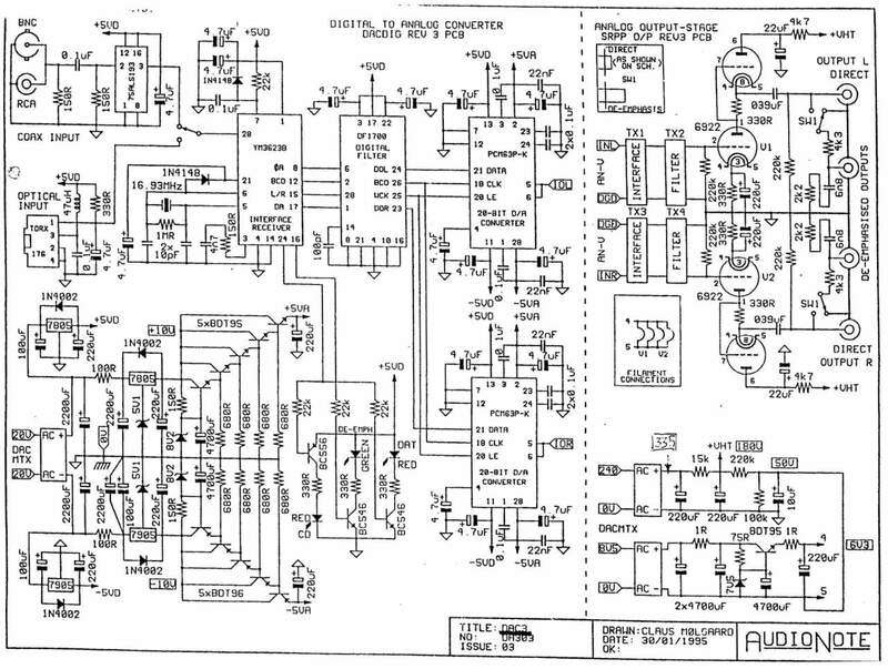
claudiozambelli Inviato 15 Marzo 2023 Condividi Inviato 15 Marzo 2023 @fanbachiano Sicuramente lo schema ti può aiutare a capire come è articolato il perorso del Segnale audio. A questo link è riportato un problema simile al tuo: https://www.audiofaidate.org/forum/viewtopic.php?t=9693 ( nella speranza che gli amministratori mi permettano di pubblicarlo ) Link al commento https://melius.club/topic/13517-un-canale-muto/#findComment-771010 Condividi su altri siti Altre opzioni di condivisione...
rudyx Inviato 15 Marzo 2023 Condividi Inviato 15 Marzo 2023 @fanbachiano Una valvola difettosa può sicuramente causare il problema in questione, e la sola accensione dei filamenti non basta a determinarne la rottura. Per esperienza personale, però, il principale indiziato come causa del guasto è uno dei trasformatori di accoppiamento, quei cilindretti metallici posti a ridosso delle valvole. Ne ho cambiati molti, ma non so se siano ancora reperibili. 1 Link al commento https://melius.club/topic/13517-un-canale-muto/#findComment-771018 Condividi su altri siti Altre opzioni di condivisione...
fanbachiano Inviato 15 Marzo 2023 Autore Condividi Inviato 15 Marzo 2023 @claudiozambelli Ringrazio del supporto ma non so leggere lo schema. Ho letto il link che mi ha proposto e vedo che i problemi sono assai complessi. Comunque molte grazie. Link al commento https://melius.club/topic/13517-un-canale-muto/#findComment-771026 Condividi su altri siti Altre opzioni di condivisione...
fanbachiano Inviato 15 Marzo 2023 Autore Condividi Inviato 15 Marzo 2023 @rudyx Guardandolo da davanti aperto, sul fondo a destra ci sono i due condensatori di uscita, in mezzo le due valvole e davanti vari cilindretti di diverse misure. Ti riferisci a quelli? Alla vista sembrano integri ma leggo una data: aprile 1996. Questi devono essere originali perchè l'upgrade che mi ha fatto l'Audiotecnico di Torino non ricordo contemplasse questo. Mi sento in un pantano. Sto pensando di prendere un player integrato nuovo ma che delusione! Link al commento https://melius.club/topic/13517-un-canale-muto/#findComment-771040 Condividi su altri siti Altre opzioni di condivisione...
mastergiven Inviato 15 Marzo 2023 Condividi Inviato 15 Marzo 2023 Non ti scoraggiare. Trova un riparatore bravo e faglielo vedere. Leggo che è stato fatto un upgrade,ufficiale o meno? Link al commento https://melius.club/topic/13517-un-canale-muto/#findComment-771074 Condividi su altri siti Altre opzioni di condivisione...
fanbachiano Inviato 15 Marzo 2023 Autore Condividi Inviato 15 Marzo 2023 @mastergiven L'upgrade me l'ha fatto l'Audiotecnico Papagna di Torino con un ottimo risultato., quindi non ufficiale. Leggendo sopra ho capito che l'età del dac potrebbe rendere difficile trovare eventuali componenti necessari. Non so che fare. Ci penso con calma e poi deciderò. Link al commento https://melius.club/topic/13517-un-canale-muto/#findComment-771109 Condividi su altri siti Altre opzioni di condivisione...
mastergiven Inviato 15 Marzo 2023 Condividi Inviato 15 Marzo 2023 Eh, chiedevo appunto perché questi upgrade del tecnico di turno, per quanto bravissimo, se da un lato migliorano le prestazioni, non sarebbe la prima volta che generano qualche problema elettrico dovuto al maggiore stress di alcune componenti. Riguardo la reperibilitá delle componenti di un dac con stadio di uscita a valvole, non credo proprio che ci siano problemi presenti e futuri a meno che non saltino completamente schede proprietarie. Link al commento https://melius.club/topic/13517-un-canale-muto/#findComment-771138 Condividi su altri siti Altre opzioni di condivisione...
claudiozambelli Inviato 15 Marzo 2023 Condividi Inviato 15 Marzo 2023 1 ora fa, fanbachiano ha scritto: Ringrazio del supporto ma non so leggere lo schema. Ho letto il link che mi ha proposto e vedo che i problemi sono assai complessi. Comunque molte grazie. Penso che dato la qualità e la tua soddisfazione del prodotto, convenga che tu contatti Audio Note e ti faccia consigliare su come procedere per una riparazione presso di loro o presso laboratori loro convenzionati . Link al commento https://melius.club/topic/13517-un-canale-muto/#findComment-771155 Condividi su altri siti Altre opzioni di condivisione...
Membro_0027 Inviato 15 Marzo 2023 Condividi Inviato 15 Marzo 2023 49 minuti fa, fanbachiano ha scritto: L'upgrade me l'ha fatto l'Audiotecnico Papagna di Torino Al quale farei una telefonata, probabilmente il problema è dovuto ad una banalità Link al commento https://melius.club/topic/13517-un-canale-muto/#findComment-771160 Condividi su altri siti Altre opzioni di condivisione...
rudyx Inviato 15 Marzo 2023 Condividi Inviato 15 Marzo 2023 @mastergiven Esistono upgrade e modifiche. I primi implicano la sostituzione di alcuni componenti, giudicati influenti, con altri di miglior qualità ma con le stesse caratteristiche elettriche (valori di capacità/induttanza/resistenza) e sono mirati ad incrementare/modificare alcune caratteristiche sonore dell'apparecchio, mentre le modifiche solitamente implicano una variazione del circuito rispetto all'originale (anche solo modificandone alcuni valori di componenti) che si, possono portare, se non ben studiate, allo stress di alcuni componenti compromettendone la normale durata di funzionamento. Nel caso specifico, se, come accennato qualche intervento più in alto, la rottura interessa uno dei trasformatori di accoppiamento (interfacciamento/adattamento di impedenza e filtro), la sostituzione può avvenire solo se si riesca a reperire il ricambio originale dalla casa madre o importatore. Nei miei upgrade sui DAC 3 (L'Audiotecnico sono io) non ho mai effettuato modifiche circuitali ma solo sostituzione con componenti di maggior pregio, vedi condensatori AN copper foil al posto dei meno performanti in alluminio, fino all'aggiunta di un trasformatore dedicato esclusivamente all'alimentazione digitale, separandola completamente dall'alimentazione dedicata alle valvole. @pifti Potresti anche aver ragione. Se una saldatura ha ceduto, ecco che l'inconveniente sarebbe davvero di poco conto. @fanbachiano I trasformatori sono quei cilindretti metallici che tanti problemi hanno causato in passato. Nella foto uno di loro a suo tempo sostituito (in un'altra riparazione). 1 Link al commento https://melius.club/topic/13517-un-canale-muto/#findComment-771289 Condividi su altri siti Altre opzioni di condivisione...
fanbachiano Inviato 15 Marzo 2023 Autore Condividi Inviato 15 Marzo 2023 @claudiozambelli MI sembra un ottimo consiglio. Lo stavo imballando per poi decidere dove spedirlo. Non essendo più un prodotto integro temo ci sarà un rifiuto a darmi indicazioni. Grazie. Link al commento https://melius.club/topic/13517-un-canale-muto/#findComment-771533 Condividi su altri siti Altre opzioni di condivisione...
fanbachiano Inviato 15 Marzo 2023 Autore Condividi Inviato 15 Marzo 2023 @rudyx fanbachiano è il proprietario del dac 3 che c'è sul suo sito e lo stesso che molti anni fa lo ha fatto upgradare. Bella sorpresa che mi ha tranquillizzato. A parte tutti i discorsi sullo stress che possono causare le modifiche, questo dac ha funzionato dopo l'upgrade io credo per almeno 16 anni senza problemi! Ora provo a chiamare. Grazie a tutti. Link al commento https://melius.club/topic/13517-un-canale-muto/#findComment-771550 Condividi su altri siti Altre opzioni di condivisione...
max Inviato 15 Marzo 2023 Condividi Inviato 15 Marzo 2023 20 ore fa, fanbachiano ha scritto: Ho riacceso l'impianto dopo un anno. Tutto bene. Ceno pensando di farlo scaldare un poco per sentire poi un paio di CD ma al ritorno il canale destro è muto. su apparecchio molto datato e non acceso per 1 anno più casistica da problemi su condensatori che su trasformatori….comunque mai dire mai Link al commento https://melius.club/topic/13517-un-canale-muto/#findComment-771613 Condividi su altri siti Altre opzioni di condivisione...
fanbachiano Inviato 15 Marzo 2023 Autore Condividi Inviato 15 Marzo 2023 @max Me ne rendo conto davvero! Una pausa così prolungata non mi era mai capitata ma non sentivo il bisogno di accendere l'impianto: era comunque in un ambiente sano, riscaldato. E poi la comodità di internet con la musica! Link al commento https://melius.club/topic/13517-un-canale-muto/#findComment-771634 Condividi su altri siti Altre opzioni di condivisione...
Messaggi raccomandati
Crea un account o accedi per lasciare un commento
Devi essere un membro per lasciare un commento
Crea un account
Iscriviti per un nuovo account nella nostra community. È facile!
Registra un nuovo accountAccedi
Sei già registrato? Accedi qui.
Accedi Ora