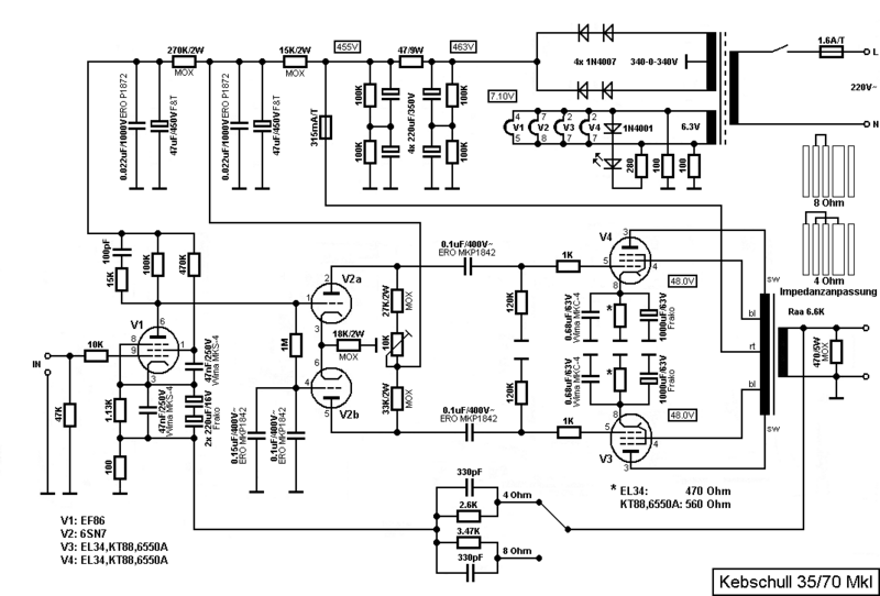
walge Inviato 9 Giugno 2023 Condividi Inviato 9 Giugno 2023 @jimbo per quanto ne so io era con le 34. Nel manuale originale si parla di altre valvole di potenza tra cui la 8417 che di fatto non ha molta compatibilità con la 34. Ma vengono elencate anche la 6550A e KT88 Essendo a bias automatico può gestire anche il cambio ma francamente non ne vedo la utilità quando quelli standard avevano tutti montati la 34 Lo schema dove si nkta il cambio di resistenza se si volesse usare la 6550/Kt88 Link al commento https://melius.club/topic/14343-quali-sono-le-pi%C3%B9-musicali-tra-le-valvole/page/5/#findComment-862332 Condividi su altri siti Altre opzioni di condivisione...
walge Inviato 9 Giugno 2023 Condividi Inviato 9 Giugno 2023 @tarantolazzi si curamente è crollata una finale ed ha combinato qualche pasticcio nel circuito di polarizzazione. Mi è capitato più di una volta di sistemarli, anni fa. Se si monta la 88 senza variare la resistenza di bias e con le dovute cautele e controlli della corrente di riposo possono accadere impicci. Tanto non è che se monti le 88 raddoppi la potenza La foto originale Walter Link al commento https://melius.club/topic/14343-quali-sono-le-pi%C3%B9-musicali-tra-le-valvole/page/5/#findComment-862340 Condividi su altri siti Altre opzioni di condivisione...
skillatohifi Inviato 9 Giugno 2023 Condividi Inviato 9 Giugno 2023 @Giovanni68 Le 12BH7 della Marconi Italia, e.. le Ecc82 Mullard Nos Per quelle finali invece... le KT150 Tung-Sol platino Che uso... sul mio integrato Tektron 150i Link al commento https://melius.club/topic/14343-quali-sono-le-pi%C3%B9-musicali-tra-le-valvole/page/5/#findComment-862354 Condividi su altri siti Altre opzioni di condivisione...
jimbo Inviato 9 Giugno 2023 Condividi Inviato 9 Giugno 2023 @walge Intendevo un altro modello,mi sembra 50/100,non avevo visto che era specificato che questo è il 35 Link al commento https://melius.club/topic/14343-quali-sono-le-pi%C3%B9-musicali-tra-le-valvole/page/5/#findComment-862439 Condividi su altri siti Altre opzioni di condivisione...
Questo è un messaggio popolare. mariovalvola Inviato 26 Novembre 2024 Questo è un messaggio popolare. Condividi Inviato 26 Novembre 2024 Il 24/05/2023 at 17:58, ildoria76 ha scritto: @mariovalvola questo amplificatore ho ascoltato...spero tu lo conosca, è un Otomon Lab by Ken Uesugi. Lo stato dell'arte per me. io forse, immodestamente, l'ho fatto migliore ( al momento impiega le 6B4G ma posso usare quasi al volo le 2A3, le PX4, le AD1, le 300B, le 45, le 50, le RE604, le VT52 e altro ancora. È un normale pushpull in classe A Con l'Interstadio UTC serie LS ( in Fe-Ni ) e con l'enorme Tango X-8P, è migliorato mostruosamente. Prima avevo provato con i Lundahl 1660S. Buoni ma gli UTC, hanno una marcia in più. 3 Link al commento https://melius.club/topic/14343-quali-sono-le-pi%C3%B9-musicali-tra-le-valvole/page/5/#findComment-1363738 Condividi su altri siti Altre opzioni di condivisione...
mariovalvola Inviato 27 Novembre 2024 Condividi Inviato 27 Novembre 2024 @Tigra Erano anni che non ascoltavo un PP di DHT. Guadagni moltissimo in linearità, contrasto dinamico e, quindi, con la lirica e la sinfonica, il piacere aumenta enormemente. Gli LB12 EMS, vanno a nozze con questi ampli che non svettano come impedenza di uscita. Quando impiegherò tubi finali migliori ( la 6B4G russa è il triodo a riscaldamento diretto NOS più economico oggi disponibile ), non oso pensare a quello che succederà ( le 2A3 monoplacca, le PX4 e le AD1 stanno scalpitando in caveau ). Dal punto di vista strumentale, alle potenze d'uso, (intorno a 1W) si comporta meravigliosamente senza nessun anello di feedback. Arrivo con un clipping morbido e simmetrico poco sopra gli 8W. Essendo molto pesante, i punti di taratura e i reostati (polarizzazione e HUM ) sono accessibili senza muovere l'ampli. 1 Link al commento https://melius.club/topic/14343-quali-sono-le-pi%C3%B9-musicali-tra-le-valvole/page/5/#findComment-1363994 Condividi su altri siti Altre opzioni di condivisione...
Gustavino Inviato 27 Novembre 2024 Condividi Inviato 27 Novembre 2024 On 5/24/2023 at 12:12 PM, ildoria76 said: @mariovalvola se per anomalia intendi che tira fuori 3 W in single ended, io non ci trovo nulla di anomalo dopo aver sentito un ampli artigianale giapponese in push pull di 2A3 con delle Klipsch Forte IV...il miglior suono che abbia mai sentito! Riguardo la veridicità delle tue 2A3 prova a contattare il Sig. Takatsuki e vedi quello che ti risponde 😆😆😆 pushpull di 2A3 rimane ampli ideale ,il piu flessibile come potenza-controllo-timbrica ed e' un vero peccato che commercialmente sia una rarita' .... Valuterei anche la EML visto che la loro 45 non ha rivali Link al commento https://melius.club/topic/14343-quali-sono-le-pi%C3%B9-musicali-tra-le-valvole/page/5/#findComment-1364254 Condividi su altri siti Altre opzioni di condivisione...
mariovalvola Inviato 27 Novembre 2024 Condividi Inviato 27 Novembre 2024 @Gustavino Si. E' davvero stranissimo. Potrebbe essere un'ottima proposta commerciale in grado di funzionare molto bene in tante situazioni. ( In sintesi, una rivisitazione evoluta dell'Audio Innovation First ). Per me, il trasformatore interstadio, è essenziale. Purtroppo, così, i costi lievitano. 1 Link al commento https://melius.club/topic/14343-quali-sono-le-pi%C3%B9-musicali-tra-le-valvole/page/5/#findComment-1364307 Condividi su altri siti Altre opzioni di condivisione...
tigre Inviato 27 Novembre 2024 Condividi Inviato 27 Novembre 2024 Il 02/05/2023 at 18:45, mariovalvola ha scritto: La PX4, la PX25 e anche la AD1 Telefunken Se si parla di musicalità direi che tutte le altre soccombono.. Link al commento https://melius.club/topic/14343-quali-sono-le-pi%C3%B9-musicali-tra-le-valvole/page/5/#findComment-1364311 Condividi su altri siti Altre opzioni di condivisione...
mariovalvola Inviato 27 Novembre 2024 Condividi Inviato 27 Novembre 2024 @tigre Purtroppo ( e per fortuna ), lo comprendono in pochi. Lo dimostra il fatto che una pregevole realizzazione di Lorenzo Betti con le PX4 in pushpull, sia rimasta per mesi su Subito. Link al commento https://melius.club/topic/14343-quali-sono-le-pi%C3%B9-musicali-tra-le-valvole/page/5/#findComment-1364356 Condividi su altri siti Altre opzioni di condivisione...
tigre Inviato 27 Novembre 2024 Condividi Inviato 27 Novembre 2024 27 minuti fa, mariovalvola ha scritto: @tigre Purtroppo ( e per fortuna ), lo comprendono in pochi. Lo dimostra il fatto che una pregevole realizzazione di Lorenzo Betti con le PX4 in pushpull, sia rimasta per mesi su Subito. Sotto questo aspetto, con macchine progettate con cura equiparabile (per quel che può significare) e con traformatori di uscita coi controfiocchi, secondo me na PX4 si mette in tasca qualsiasi triodo commerciale. Nei feriali e nei festivi . Il problema é che buonissima parte degli audiofili sti gioielli manco li hanno mai visti. Se li ascoltassero credo che di dubbi ne rimarrebbero pochi. Imho 1 Link al commento https://melius.club/topic/14343-quali-sono-le-pi%C3%B9-musicali-tra-le-valvole/page/5/#findComment-1364378 Condividi su altri siti Altre opzioni di condivisione...
mariovalvola Inviato 27 Novembre 2024 Condividi Inviato 27 Novembre 2024 @tigre E' un gran tubo. Poco spettacolare ma equilibratissimo. Hai ragione. Pochi hanno potuto ascoltare e convivere con questi gioielli. la PX4 l'ho impiegata soprattutto in single ended. Questo sotto era un giochino di dieci anni fa. Uscita Tango #10429 (custom), interstadio NC-19N (sempre in Fe-Ni) ingresso (UTC LS-10X), trasfo di alimentazione Hashimoto, induttore Tango. Tubi:PX-4, 4P1L, 5R4G 1 Link al commento https://melius.club/topic/14343-quali-sono-le-pi%C3%B9-musicali-tra-le-valvole/page/5/#findComment-1364402 Condividi su altri siti Altre opzioni di condivisione...
tigre Inviato 27 Novembre 2024 Condividi Inviato 27 Novembre 2024 1 minuto fa, mariovalvola ha scritto: @tigre E' un gran tubo. Poco spettacolare ma equilibratissimo. Hai ragione. Pochi hanno potuto ascoltare e convivere con questi gioielli. la PX4 l'ho impiegata soprattutto in single ended. Questo sotto era un giochino di dieci anni fa. Uscita Tango #10429 (custom), interstadio NC-19N (sempre in Fe-Ni) ingresso (UTC LS-10X), trasfo di alimentazione Hashimoto, induttore Tango. Tubi:PX-4, 4P1L, 5R4G Complimenti 👍 1 Link al commento https://melius.club/topic/14343-quali-sono-le-pi%C3%B9-musicali-tra-le-valvole/page/5/#findComment-1364404 Condividi su altri siti Altre opzioni di condivisione...
mariovalvola Inviato 27 Novembre 2024 Condividi Inviato 27 Novembre 2024 Un'altra regina praticamente dimenticata è la RE604 globe Telefunken Un capolavoro antico e inarrivabile. l'ultima volta che la utilizzai, era in un criticissimo ampli per cuffie dinamiche realizzato tutto con DHT (RE134 e RE604). In uscita, c'era un parafeed di mosfet con induttore multipresa Magnequest TL404 Link al commento https://melius.club/topic/14343-quali-sono-le-pi%C3%B9-musicali-tra-le-valvole/page/5/#findComment-1364417 Condividi su altri siti Altre opzioni di condivisione...
tigre Inviato 27 Novembre 2024 Condividi Inviato 27 Novembre 2024 4 minuti fa, mariovalvola ha scritto: RE604 globe Telefunken Un capolavoro antico e inarrivabile. Queste mi mancano.. Fra i miei ascolti posso nominare solo le tre che ho quotato (PX4 PX25 e AD1). Immagino solo il mondo che sta dietro a sti gioielli.. Link al commento https://melius.club/topic/14343-quali-sono-le-pi%C3%B9-musicali-tra-le-valvole/page/5/#findComment-1364422 Condividi su altri siti Altre opzioni di condivisione...
mariovalvola Inviato 27 Novembre 2024 Condividi Inviato 27 Novembre 2024 @tigre Hai ascoltato quali AD1? Le Philips e le Tugsram, pur ottime, sono più convenzionali. ecco le Philips: Le Telefunken, anche solo a guardarle, suonano diverse . In realtà sono, da ogni punto di vista, tubi completamente differenti che, in comune, hanno solo lo zoccolo, e i parametri. P.S. foto prese dalla rete Link al commento https://melius.club/topic/14343-quali-sono-le-pi%C3%B9-musicali-tra-le-valvole/page/5/#findComment-1364441 Condividi su altri siti Altre opzioni di condivisione...
tigre Inviato 27 Novembre 2024 Condividi Inviato 27 Novembre 2024 54 minuti fa, mariovalvola ha scritto: @tigre Hai ascoltato quali AD1? Le Philips e le Tugsram, pur ottime, sono più convenzionali. ecco le Philips: Le Telefunken, anche solo a guardarle, suonano diverse . In realtà sono, da ogni punto di vista, tubi completamente differenti che, in comune, hanno solo lo zoccolo, e i parametri. P.S. foto prese dalla rete Avevo ascoltato, na decina di anni fa buoni, un apparecchio con le AD1 (mi par di ricordare fossero della Telefunken) di un autocostruttore qui della zona. Accoppiato a dei diffusori ad alta efficienza autocostruiti anch'essi. É lo stesso da cui ho ascoltato pure le realizzazioni con le PX nel corso di quei pochi mesi in cui ci siamo interfacciati. Link al commento https://melius.club/topic/14343-quali-sono-le-pi%C3%B9-musicali-tra-le-valvole/page/5/#findComment-1364503 Condividi su altri siti Altre opzioni di condivisione...
mariovalvola Inviato 27 Novembre 2024 Condividi Inviato 27 Novembre 2024 @tigre devo chiedere. La tua zona è il Veneto? Link al commento https://melius.club/topic/14343-quali-sono-le-pi%C3%B9-musicali-tra-le-valvole/page/5/#findComment-1364523 Condividi su altri siti Altre opzioni di condivisione...
Messaggi raccomandati
Crea un account o accedi per lasciare un commento
Devi essere un membro per lasciare un commento
Crea un account
Iscriviti per un nuovo account nella nostra community. È facile!
Registra un nuovo accountAccedi
Sei già registrato? Accedi qui.
Accedi Ora