Vai al contenuto
Melius Club

Ma questa moda del bilanciato a tutti i costi ha stancato solo me?


Messaggi raccomandati

11 minuti fa, QUELEDSASOL ha scritto:

se è Vero bilanciato ha due rami sul segnale in fase e controfase...sulla XLR...e invece sulla RCA viene preso il ramo in fase.

@QUELEDSASOL esatto e devono essere due rami continui dall'ingresso all'uscita dello stadio d'amplificazione...il bilanciato fatto con i trasformatori non è un vero bilanciato, perché prima dell'Intervento dei trasformatori è presente un circuito sbilanciato...solitamente i trasformatori si usano per bilanciare circuiti che non possono essere bilanciati (come il single-ended).

Il 14/6/2023 at 12:22, Audio_Max ha scritto:

Ora, riconosco indubbiamente una superiorità meccanica del connettore XLR, anzi, mi piacerebbe vederne uno simile anche per le connessioni single ended, magari ben più piccolo,

Esiste già, si chiama BNC, ha un sistema di blocco e volendo impedenza di 75 ohm veri, ma come spesso accade il mercato sceglie lo standard peggiore ed eccoci con gli RCA. :classic_happy:

 

Per quanto riguarda la diatriba se sia meglio XLR o RCA noto che:

 

BOULDER, come quello sotto, usa solo XLR su tutte le macchine del catalogo

image.png.2cee102382a54c596e27caa78857bde3.png

D'Agostino, come quello sotto, usa XLR su tutte le macchine top

 

image.thumb.png.a463049f235144d66f24d510f71105fc.png

FM ACOUSTICS, come quello sotto, usa XLR sulle macchine TOP

image.thumb.png.0fe1de775a128f5c524c0e9aec8113fa.png

 

Senza contare molti costruttori che relegano gli RCA ad un ruolo secondario, come il pre PILIUM sotto

 

image.thumb.png.8f096e42d3d81771beb3f26943743775.png

 

IMHO il dato è che chi costruisce oggetti senza limiti di prezzo, spesso si rivolge al solo XLR o connessioni proprietarie (come DARTZEEL che consiglia i BNC 50 OHM) perchè probabilmente intravede un limite nel connettore RCA, vista la presenza di un circuito che sarà realmente bilanciato. Poi i venditori di fumo da operazionale post connettore nella fascia consumer sono un'altra cosa..... :classic_happy:

 

alex2

 

@loureediano ... Non confondere bilanciatura con circuitazioni simmetrica. 

Quest'ultima vuole il raddoppio dei componenti, la puoi realizzare perfettamente solo con lo stato solido(*) ed è molto amata dagli uffici marketing... (perché con il semplice raddoppio dei costi della componentistica lo puoi vendere moltiplicato x4...) 

Le grandi macchine a tubi, che hanno fatto la storia della registrazione, (Telefunken, Neumann, Neve, Altec, AEG, Tekade, ecc..) erano TUTTE bilanciate a trasformatore. 

Così facendo sì hanno innumerevoli vantaggi, sia in termini di rumore che di "sound"... 

(dico solo una cosa... Guardate l'immagine che posto. È  un Jeff Rowland, con scheda digitale (Pascal s2 pro fantastiche! Le uso anche io...) e la scheda sarebbe nativa con ingresso bilanciato.... Rowland ci inserisce dei trafo bilanciatori....chissamai perché?.... 

 

* Le schede simmetriche sono l'onanismo audiophile alla massima potenza.... A stato solido perche tutto si gioca sulle simmetrie del segnale. Cosa che con i tubi, a meno che non si controreazioni selvaggiamente non è possibile... 

 

 

53ADF29E-8F26-4024-A721-16418089407D-01.jpeg

  • Melius 2

@ilbetti

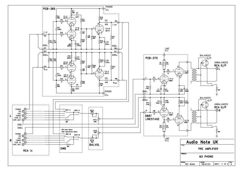
Posso chiedere un'informazione che e' leggermente ot?Ho un'Audio Note M3 Phono del 2001, ancora quello con 4 trasformatori e 4 induttanze.Questo ha un'uscita bilanciata con connettori piu' piccoli degli xlr normali e due uscite rca selezionabili con uno switch a levetta.Io ho due mono ss per i diffusori e un dsp con finali powersoft per due sub,ma ovviamente uso tutto con le uscite rca.Secondo lei e' possibile splittare l'unica uscita xlr per averne due e pilotare tutto con le uscite bilanciate anche se con trasformatori? O avrei un degrado di segnale?

3 ore fa, alex2 ha scritto:

IMHO il dato è che chi costruisce oggetti senza limiti di prezzo, spesso si rivolge al solo XLR o connessioni proprietarie (come DARTZEEL che consiglia i BNC 50 OHM) perchè probabilmente intravede un limite nel connettore RCA, vista la presenza di un circuito che sarà realmente bilanciato. Poi i venditori di fumo da operazionale post connettore nella fascia consumer sono un'altra cosa

@alex2 sbagli se pensi che solo i prodotti economici usano gli rca invece quelli top il solo bilanciato con relativi connettori xlr....il Kondo Ongaku, che costa quanto un appartamento medio a Roma, ha solo ingressi e uscite sbilanciate perché è single-ended......il pre Convergent  sl Legend (altro prodotto che costa una barca di soldi) è solamente sbilanciato (come puoi vedere dalla foto) e potrei continuare all'infinito (anche Aloia non usa il bilanciato) è una questione di quale circuitazione si vuol adottare; un finale SE non potrà mai essere bilanciato e vallo a raccontare agli amanti di questa circuitazione che ci devono rinunciare per i dubbi vantaggi della circuitazione bilanciata. E' risaputo che anche gli Spectral non sono dei veri bilanciati e la casa consiglia di usare la connessione sbilanciata. 

 

   

convergent_SL1_r.jpg

19 minuti fa, veidt ha scritto:

sbagli se pensi che solo i prodotti economici usano gli rca invece quelli top il solo bilanciato con relativi connettori xlr...

adesso ti riposto la mia frase, tra l'altro da te quotata,  e mi dici dove avrei affermato ciò che dici sopra :classic_laugh:

 

IMHO il dato è che chi costruisce oggetti senza limiti di prezzo, spesso si rivolge al solo XLR o connessioni proprietarie (come DARTZEEL che consiglia i BNC 50 OHM) perchè probabilmente intravede un limite nel connettore RCA, vista la presenza di un circuito che sarà realmente bilanciato. Poi i venditori di fumo da operazionale post connettore nella fascia consumer sono un'altra cosa.

 

So benissimo che esistono gli AUDIO NOTE e con loro altri marchi, spesso a valvole, e/o single ended che utilizzano solo RCA per scelte non dettate dal soldo. Ho solo detto che chi utilizza ad alto livello di prezzo solo connessioni bilanciate lo fa per non penalizzare un circuito che da prassi in quei casi è REALMENTE BILANCIATO. :classic_happy:

 

P.s. resta cmq il fatto che il connettore RCA è meccanicamente peggiore non solo di XLR ma anche di BNC, ed è diventato standard malgrado ciò e ci dobbiamo convivere, come abbiamo convissuto per decenni col VHS che era peggiore dei concorrenti ma si è affermato ugualmente :classic_happy:

 

alex2

12 ore fa, captainsensible ha scritto:

Vabbè ma che frega della robustezza meccanica degli RCA ?

Mica ci si appendono gli apparecchi  :classic_biggrin:

Non si parla di robustezza in senso di resistenza alle martellate, ma alla presenza di un meccanismo di blocco, come presente negli XLR, nei BNC, nei connettori multipolari di tipo medicale, e anche nei cavi per diffusori che usano banane ad espansione o forcelle da serrare. Il fatto di un avere un meccanismo che blocchi il connettore garantisce che tutti adottino un sistema maschio/femmina adeguato........ invece negli rca tu trovi

 

questi sotto da due lire che magari stanno laschi

 

image.thumb.png.5893cf56c21563bfcfafadf0a1a9ecde.png

 

oppure i turbine monster che ti sverniciano il connettore quando li stacchi :classic_laugh:

 

image.png.1cc24a1f4aa7614092c63dac4a688705.png

 

 

o questi sotto da megalomani che se non hai una distanza tra i connettori da pannello colossale, manco puoi usarli :classic_laugh:

 

image.png.71ac4ae4824fc555b3f342a90ee76399.png

 

per finire con Siltech che nel modello da 30.000 euro si è inventata la MORSA DA BANCO a vite come connettore, in barba alla distanza tra le due femmine da pannello :classic_laugh:

 

image.thumb.png.5f6c36d54f37828c061b3908de8192e8.png

 

 

 

alex2 

 

 

 

 

  • Haha 1
Fabio Cottatellucci
13 minuti fa, alex2 ha scritto:

o questi sotto da megalomani che se non hai una distanza tra i connettori da pannello colossale, manco puoi usarli :classic_laugh:

 

image.png.71ac4ae4824fc555b3f342a90ee76399.png

 

 

Linea Art Déco, modello Flash Gordon.

@Cano XLR ha tre poli...uno è la massa comune...l'altro il segnale in fase...l'altro ancora il segnale in controfase...cosi è bilanciato...per sbilanciare si tiene la massa...e solo il segnale in fase... RCA...polo centrale segnale...anello esterno massa.

@QUELEDSASOL ma se la macchina è realmente bilanciata deve essere a 4 canali 

Quindi 2 li devi staccare e cambiare il circuito 

Diversamente è solo un circuito differenziale, che a molti piace chiamare bilanciato ma non lo è 

Crea un account o accedi per lasciare un commento

Devi essere un membro per lasciare un commento

Crea un account

Iscriviti per un nuovo account nella nostra community. È facile!

Registra un nuovo account

Accedi

Sei già registrato? Accedi qui.

Accedi Ora



  • Badge Recenti

    • Membro Attivo
      simo15
      simo15 ha ottenuto un badge
      Membro Attivo
    • Ottimi Contenuti
      Paky33
      Paky33 ha ottenuto un badge
      Ottimi Contenuti
    • Membro Attivo
      Oscar
      Oscar ha ottenuto un badge
      Membro Attivo
    • Badge del Vinile Verde
      jackreacher
      jackreacher ha ottenuto un badge
      Badge del Vinile Verde
    • Contenuti Utili
      Sognatore
      Sognatore ha ottenuto un badge
      Contenuti Utili
  • Notizie

  • KnuKonceptz

    Kord Ultra Flex speakers cable

    Rame OFC 294 fili 12 AWG

    61dl-KzQaFL._SL1200_.jpg

  • 29 Diffusori significativi degli anni ‘70

    1. 1. Quali tra questi diffusori degli anni '70 ritieni più significativi?


      • Acoustic Research AR-10π
      • Acoustic Research AR-9
      • Allison One
      • B&W DM6
      • BBC LS3/5a
      • Dahlquist DQ10
      • Decibel 360 Modus
      • ESS AM-T 1B
      • IMF TLS 80
      • JBL L300 Summit
      • Jensen Model 15 Serenata
      • KEF 105 Reference
      • Linn Isobarik
      • Magnepan Magneplanar SMG
      • Magnepan Magneplanar Tympani 1
      • Philips RH545 MFB Studio
      • RCF BR40 & BR55
      • Snell Type A
      • Technics SB-10000
      • Yamaha NS-1000M

×
×
  • Crea Nuovo...