salvofisichella Inviato 3 Febbraio 2024 Condividi Inviato 3 Febbraio 2024 Salve a tutti. Counterpoint sa3000 arrivato da qualche giorno a casa, suona molto bene, mi piace molto. Monta delle Sovtek 6922. Vorrei dei consigli su qualcosa di meglio da provare, e se è meglio la 6922 o la valvola con cui è nato, cioè la 6dj8. Grazie Link al commento https://melius.club/topic/18442-valvole-per-counterpoint-sa3000/ Condividi su altri siti Altre opzioni di condivisione...
bic196060 Inviato 4 Febbraio 2024 Condividi Inviato 4 Febbraio 2024 13 ore fa, salvofisichella ha scritto: Salve a tutti. Counterpoint sa3000 arrivato da qualche giorno a casa, suona molto bene, mi piace molto. Monta delle Sovtek 6922. Vorrei dei consigli su qualcosa di meglio da provare, e se è meglio la 6922 o la valvola con cui è nato, cioè la 6dj8. Grazie 6922 e 6dj8 sono la stessa valvola. Se vuoi fare tube rolling, ed IMO ha senso, prova diverse produzioni, da Philips/Mullard a Telefunken etc etc. Queste valvole si trovano cn relativa facilità d'epoca. Sulle nuove produzioni non ho opinioni, se non che non sono all'altezza delle produzioni d'epoca. Link al commento https://melius.club/topic/18442-valvole-per-counterpoint-sa3000/#findComment-1097067 Condividi su altri siti Altre opzioni di condivisione...
indifd Inviato 4 Febbraio 2024 Condividi Inviato 4 Febbraio 2024 56 minuti fa, bic196060 ha scritto: 6922 e 6dj8 sono la stessa valvola Attenzione non è corretto, le equivalenze sono le seguenti: - ECC88 = 6DJ8 = CV5358 - E88CC = 6922 = CV2492 (CCa e CV2493 sono selezioni delle E88CC standard) - E188CC = 7308 = CV4108 (CV4110 è una selezione della E188CC standard) Mentre tra E88CC ed E188CC le differenze nei parametri di funzionamenti accettati sono minime (a favore delle E188CC), la ECC88 ha la tensione anodica max = 130 V più bassa rispetto a quella delle E88CC ed E188CC (vedi tabella allegata), poi servirebbe conoscere come lavorano le valvole nel singolo circuito, a fini pratici quasi sempre le ECC88 sono intercambiabili con le E88CC, ma il procedimento corretto è valutare se sono compatibili e solo dopo considerarle tali 2 Link al commento https://melius.club/topic/18442-valvole-per-counterpoint-sa3000/#findComment-1097169 Condividi su altri siti Altre opzioni di condivisione...
indifd Inviato 4 Febbraio 2024 Condividi Inviato 4 Febbraio 2024 P.S. Se una elettronica ha le ECC88/6DJ8 di serie, tutte le ECC88/E88CC/E188CC sono sostituibili Se una elettronica ha le E88CC di serie le E188CC sono sostituibili, per le ECC88 vedi post precedente Link al commento https://melius.club/topic/18442-valvole-per-counterpoint-sa3000/#findComment-1097210 Condividi su altri siti Altre opzioni di condivisione...
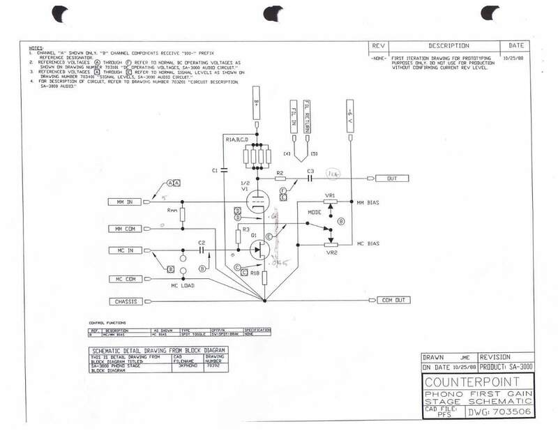
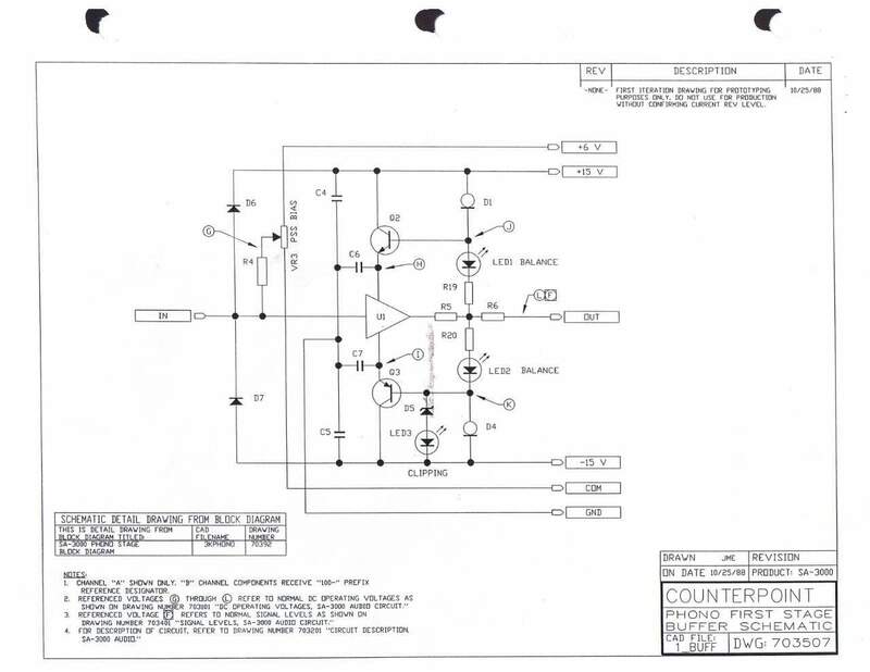
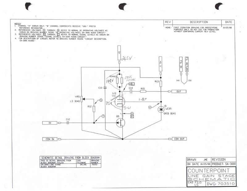
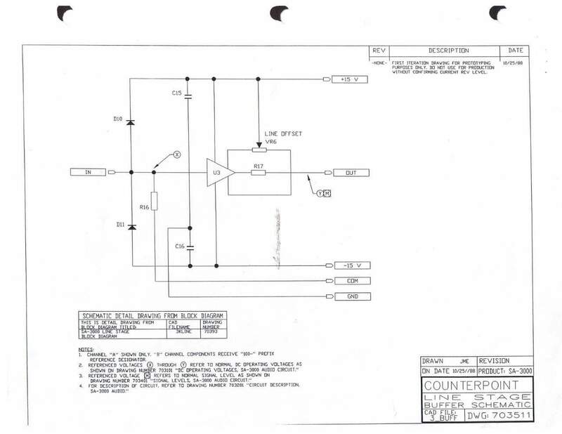
walge Inviato 4 Febbraio 2024 Condividi Inviato 4 Febbraio 2024 Si possono usare entrambe i modelli senza problemi come nella maggior parte dei casi. E consiglio le sovietiche selezionate Lo schema linea phono 1 Link al commento https://melius.club/topic/18442-valvole-per-counterpoint-sa3000/#findComment-1097215 Condividi su altri siti Altre opzioni di condivisione...
salvofisichella Inviato 4 Febbraio 2024 Autore Condividi Inviato 4 Febbraio 2024 @walge quali sovietiche intendi? e inoltre intendi dire che si possono utilizzare tranquillamente sia le 6922 che le 6dj8 ecc88 e88cc ? Grazie Link al commento https://melius.club/topic/18442-valvole-per-counterpoint-sa3000/#findComment-1097223 Condividi su altri siti Altre opzioni di condivisione...
walge Inviato 4 Febbraio 2024 Condividi Inviato 4 Febbraio 2024 @salvofisichella 6922 nelle varie declinazioni L’uso delle due sigle in ambito audio è perfettamente compatibile Walter Link al commento https://melius.club/topic/18442-valvole-per-counterpoint-sa3000/#findComment-1097265 Condividi su altri siti Altre opzioni di condivisione...
salvofisichella Inviato 4 Febbraio 2024 Autore Condividi Inviato 4 Febbraio 2024 @walge thanks a lot Link al commento https://melius.club/topic/18442-valvole-per-counterpoint-sa3000/#findComment-1097306 Condividi su altri siti Altre opzioni di condivisione...
salvofisichella Inviato 4 Febbraio 2024 Autore Condividi Inviato 4 Febbraio 2024 Up Link al commento https://melius.club/topic/18442-valvole-per-counterpoint-sa3000/#findComment-1097945 Condividi su altri siti Altre opzioni di condivisione...
walge Inviato 4 Febbraio 2024 Condividi Inviato 4 Febbraio 2024 @salvofisichella prego Link al commento https://melius.club/topic/18442-valvole-per-counterpoint-sa3000/#findComment-1097959 Condividi su altri siti Altre opzioni di condivisione...
Lucasan Inviato 4 Febbraio 2024 Condividi Inviato 4 Febbraio 2024 @salvofisichella Cercati Mullard Telefunken Siemens . Link al commento https://melius.club/topic/18442-valvole-per-counterpoint-sa3000/#findComment-1098015 Condividi su altri siti Altre opzioni di condivisione...
salvofisichella Inviato 5 Febbraio 2024 Autore Condividi Inviato 5 Febbraio 2024 @Lucasan sai più o meno che differenze all ascolto ci sono tra le tre? Link al commento https://melius.club/topic/18442-valvole-per-counterpoint-sa3000/#findComment-1098209 Condividi su altri siti Altre opzioni di condivisione...
walge Inviato 5 Febbraio 2024 Condividi Inviato 5 Febbraio 2024 @salvofisichella in quel specifico pre c’è un mix di operazionali, fet e valvole quindi le differenze verrebbero attenuate Quindi un bel set selezionato di russe ( che tra l’altro sono poco microfoniche) fa egregiamente mente il suo lavoro Senza svenarsi Link al commento https://melius.club/topic/18442-valvole-per-counterpoint-sa3000/#findComment-1098279 Condividi su altri siti Altre opzioni di condivisione...
Lucasan Inviato 5 Febbraio 2024 Condividi Inviato 5 Febbraio 2024 4 ore fa, salvofisichella ha scritto: sai più o meno che differenze all ascolto ci sono tra le tre? Se cerchi un suono più “mediocentrico” prenderei le Mullard , che unitamente alle Telefunken fanno una gamma media veramente grandiosa , le Telefunken sono strepitose anche in gamma alta , Le Siemens sono molto lineari ed estese ma creano un pizzico in meno di coivolgenza sonora . In ogni caso cadi benissimo . Le mie preferite sono le Telefunken. Link al commento https://melius.club/topic/18442-valvole-per-counterpoint-sa3000/#findComment-1098485 Condividi su altri siti Altre opzioni di condivisione...
salvofisichella Inviato 5 Febbraio 2024 Autore Condividi Inviato 5 Febbraio 2024 @Lucasan grazie mille Link al commento https://melius.club/topic/18442-valvole-per-counterpoint-sa3000/#findComment-1099325 Condividi su altri siti Altre opzioni di condivisione...
salvofisichella Inviato 5 Febbraio 2024 Autore Condividi Inviato 5 Febbraio 2024 @walge quindi se non ho capito male sono Russe tutte quelle marchiate 6922? Link al commento https://melius.club/topic/18442-valvole-per-counterpoint-sa3000/#findComment-1099331 Condividi su altri siti Altre opzioni di condivisione...
Lucasan Inviato 5 Febbraio 2024 Condividi Inviato 5 Febbraio 2024 1 minuto fa, salvofisichella ha scritto: grazie mille Figurati . in bocca al lupo soprattutto per la ricerca . io dovrei avere 3 coppie di Mullard ecc 83 , da qualche parte , ma dovrei rimisurarle perché non ritrovo il foglietto delle misurazioni … Link al commento https://melius.club/topic/18442-valvole-per-counterpoint-sa3000/#findComment-1099334 Condividi su altri siti Altre opzioni di condivisione...
salvofisichella Inviato 5 Febbraio 2024 Autore Condividi Inviato 5 Febbraio 2024 @Lucasan grazie, quindi le ecc83 Mullard sono perfettamente equivalenti alle 6922. E le Telefunken che sigla hanno? Scusa l ignoranza Link al commento https://melius.club/topic/18442-valvole-per-counterpoint-sa3000/#findComment-1099343 Condividi su altri siti Altre opzioni di condivisione...
Messaggi raccomandati
Crea un account o accedi per lasciare un commento
Devi essere un membro per lasciare un commento
Crea un account
Iscriviti per un nuovo account nella nostra community. È facile!
Registra un nuovo accountAccedi
Sei già registrato? Accedi qui.
Accedi Ora