ilmisuratore Inviato 22 Dicembre 2024 Condividi Inviato 22 Dicembre 2024 2 minuti fa, Oscar ha scritto: @ilmisuratore la tecnica non ha interpretazioni. Te continui a confondere i disturbi di modo comune con i ground loop. Studiare un po l'argomento ti farebbe bene. Non è una provocazione, ma proprio un consiglio dato da un professionista del settore, non un hobbista qualunque, ad una persona che ha evidenti lacune in materia. L'errore che commetti in questo caso è palese Tu consideri la massa del bilanciato come riferimento a terra, cosa che lo è nel single-ended, ma come saprai (forse) la massa del bilanciato è riferita alla massa del circuito, dunque è chiaro che con il single-ended possano sorgere loop Link al commento https://melius.club/topic/23139-volume-digitale/page/3/#findComment-1385662 Condividi su altri siti Altre opzioni di condivisione...
Oscar Inviato 22 Dicembre 2024 Condividi Inviato 22 Dicembre 2024 Link al commento https://melius.club/topic/23139-volume-digitale/page/3/#findComment-1385663 Condividi su altri siti Altre opzioni di condivisione...
Oscar Inviato 22 Dicembre 2024 Condividi Inviato 22 Dicembre 2024 @ilmisuratore quello che continua a fare errori sei te... Guardati qualche schema di circuito bilanciato e vai a vedere dove va a finire lo schermo del cavo/connettore. Non confondere i segnali bilanciati senza riferimento di terra, che quelli sono un'altra cosa... In quel caso, nel professionale, si usano proprio le DI.Box Piu vai avanti e piu fai brutte figure. 1 1 Link al commento https://melius.club/topic/23139-volume-digitale/page/3/#findComment-1385664 Condividi su altri siti Altre opzioni di condivisione...
Moderatori BEST-GROOVE Inviato 22 Dicembre 2024 Moderatori Condividi Inviato 22 Dicembre 2024 @redpepper letto, tutto chiaro adesso. Link al commento https://melius.club/topic/23139-volume-digitale/page/3/#findComment-1385665 Condividi su altri siti Altre opzioni di condivisione...
ilmisuratore Inviato 22 Dicembre 2024 Condividi Inviato 22 Dicembre 2024 3 minuti fa, Oscar ha scritto: @ilmisuratore quello che continua a fare errori sei te... Guardati qualche schema di circuito bilanciato e vai a vedere dove va a finire lo schermo del cavo/connettore. Non confondere i segnali bilanciati senza riferimento di terra, che quelli sono un'altra cosa... In quel caso, nel professionale, si usano proprio le DI.Box Piu vai avanti e piu fai brutte figure. ...l'unico a fare una cattiva figura forse sarai te (e tutta la tua inutile spocchia) Buonanotte Link al commento https://melius.club/topic/23139-volume-digitale/page/3/#findComment-1385666 Condividi su altri siti Altre opzioni di condivisione...
Oscar Inviato 22 Dicembre 2024 Condividi Inviato 22 Dicembre 2024 @ilmisuratore peccato che sia sbagliato quello che hai postato... Dimenticavo... Te non sai leggere neanche uno schema elettrico, pensa di una elettronica bilanciata. Link al commento https://melius.club/topic/23139-volume-digitale/page/3/#findComment-1385667 Condividi su altri siti Altre opzioni di condivisione...
ilmisuratore Inviato 22 Dicembre 2024 Condividi Inviato 22 Dicembre 2024 2 minuti fa, Oscar ha scritto: @ilmisuratore peccato che sia sbagliato quello che hai postato... Per te, per me è corretto I loop scaturiscono dai collegamenti a terra, ed infatti esiste anche un barbatrucco per individuarli Inoltre, prendi i DAC stile Topping D10b e D10s che sono identici ma che utilizzano il bilanciato e lo sbilanciato Collegali al PC tramite USB e rileva i disturbi al cambiare del tipo di collegamento Link al commento https://melius.club/topic/23139-volume-digitale/page/3/#findComment-1385669 Condividi su altri siti Altre opzioni di condivisione...
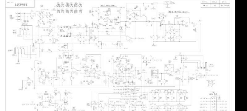
Oscar Inviato 22 Dicembre 2024 Condividi Inviato 22 Dicembre 2024 Schema canale ingresso mixer Soundcraft... Notare che tutte le parti del circuito fanno riferimento allo chassis, che a sua volta è connesso con la terra. Link al commento https://melius.club/topic/23139-volume-digitale/page/3/#findComment-1385670 Condividi su altri siti Altre opzioni di condivisione...
Oscar Inviato 22 Dicembre 2024 Condividi Inviato 22 Dicembre 2024 @ilmisuratore continui a mettere in mezzo bilanciato e sbilanciato, non capendo dov'è il tuo errore piu grande... Continua cosi, che la figura non è il massimo. Link al commento https://melius.club/topic/23139-volume-digitale/page/3/#findComment-1385671 Condividi su altri siti Altre opzioni di condivisione...
ilmisuratore Inviato 22 Dicembre 2024 Condividi Inviato 22 Dicembre 2024 2 minuti fa, Oscar ha scritto: Schema canale ingresso mixer Soundcraft... Notare che tutte le parti del circuito fanno riferimento allo chassis, che a sua volta è connesso con la terra. Spero tu abbia letto che non sempre è così, e che conta la classe di isolamento dell'apparecchio Mi sto riferendo esplicitamente con massa non riferita a terra Se adesso mi dici che non esistono ti sbagli Link al commento https://melius.club/topic/23139-volume-digitale/page/3/#findComment-1385672 Condividi su altri siti Altre opzioni di condivisione...
Oscar Inviato 22 Dicembre 2024 Condividi Inviato 22 Dicembre 2024 @ilmisuratore nel professionale DEVE essere tutto a massa/terra, dall'inizio alla fine. Proprio per una questione di sicurezza. Le uniche cose "senza massa" sono gli strumenti come le chitarre ed i microfoni. E qui intervengono le D.I. eo gli stage box dei mixer... E continuo a ripetere: confondi i disturbi captati dalla linea, con i ground loop. Che poi il disturbo maggiore captato dalle linee sbilanciate siano i 50hz è un'altro discorso, ma non bisogna confonderlo con il ground loop. Il disturba da ground loop, che sono quasi sempre i 50hz, non vuol dire che sia un disturbo captato dalla linea di trasmissione dati. Link al commento https://melius.club/topic/23139-volume-digitale/page/3/#findComment-1385674 Condividi su altri siti Altre opzioni di condivisione...
Oscar Inviato 23 Dicembre 2024 Condividi Inviato 23 Dicembre 2024 @ilmisuratore aggiungo un'altra cosa importantissima che hai sbagliato: te dai per certo che i segnali single ended sono tutti riferiti a massa/terra... Invece è tutto l'opposto... Come la mettiamo con quelle elettroniche sbilanciate a doppio isolamento?? E sono taaaantissime. Link al commento https://melius.club/topic/23139-volume-digitale/page/3/#findComment-1385678 Condividi su altri siti Altre opzioni di condivisione...
ilmisuratore Inviato 23 Dicembre 2024 Condividi Inviato 23 Dicembre 2024 La mettiamo semplicemente che ci sono casi e casi, e che non ho menzionato per nessun motivo il professionale...cosa diversa...ma con riferimento ai DAC in oggetto Basta rilevare gli equipotenziali tra massa del circuito e terra Se non c'è equipotenziale l'uscita bilanciata non incapperà nei loop di massa come accade per il single ended con riferimento a terra Link al commento https://melius.club/topic/23139-volume-digitale/page/3/#findComment-1385682 Condividi su altri siti Altre opzioni di condivisione...
ilmisuratore Inviato 23 Dicembre 2024 Condividi Inviato 23 Dicembre 2024 1 ora fa, Oscar ha scritto: Che poi il disturbo maggiore captato dalle linee sbilanciate siano i 50hz è un'altro discorso, ma non bisogna confonderlo con il ground loop. I 50 hz non viaggiano via etere, men che meno possono interferire con i cavi che distano abbondantemente dalle fonti di disturbo Appena ti rilasserai e ragionerai con calma in relazione al post precedente andremo più d'accordo In molti casi il PIN di massa dei circuiti attivi non è riferito a terra, qui il bilanciato cancella tutti i disturbi che scaturiscono da un collegamento sbilanciato con riferimento a terra Link al commento https://melius.club/topic/23139-volume-digitale/page/3/#findComment-1385683 Condividi su altri siti Altre opzioni di condivisione...
widemediaphotography Inviato 23 Dicembre 2024 Condividi Inviato 23 Dicembre 2024 @Oscar Poni la questione su ASR Forum e vedrai a quanti lanci di pomodori assisterai... É notorio che il bilanciato contribuisce all'attenuazione dei disturbi di ground loop back. Li potrai confrontarti con progettisti, magari del tuo livello o superiore... perché nella vita non si finisce mai di imparare e scoprire che siamo sempre pieni di lacunose preparazioni 1 Link al commento https://melius.club/topic/23139-volume-digitale/page/3/#findComment-1385688 Condividi su altri siti Altre opzioni di condivisione...
captainsensible Inviato 23 Dicembre 2024 Condividi Inviato 23 Dicembre 2024 Vabbè mettiamo tutti d'accordo: - il bilanciato con gli schermi lasciati non collegati o collegato solo da un lato eviterebbe il loop di massa; - il bilanciato con lo schermo collegato da ambo le parti potrebbe introdurre un loop di massa. Siete d'accordo? CS 1 Link al commento https://melius.club/topic/23139-volume-digitale/page/3/#findComment-1385691 Condividi su altri siti Altre opzioni di condivisione...
Oscar Inviato 23 Dicembre 2024 Condividi Inviato 23 Dicembre 2024 @widemediaphotography non ho da imparare nulla... E su asr forum da quel poco che ho letto, ci scrivono parecchi cani(come consiglia un demente a mettere una resistenza in serie al negativo della connessione bilanciata...). Non esisterebbe il groundlift sulle apparecchiature bilanciate e neanche gli isolatori o xlr isolator sempre per i ground loop. Si vede proprio che non avete MAI lavorato nel campo pro. Idem per tutti gli schemi che si possono trovare in rete, come quello che ho postato, che spiega perfettamente la questio dei groun loop con le connessioni bilanciate. Se non sapete neanche leggere uno schemino banale, non è un problema mio. Link al commento https://melius.club/topic/23139-volume-digitale/page/3/#findComment-1385699 Condividi su altri siti Altre opzioni di condivisione...
ilmisuratore Inviato 23 Dicembre 2024 Condividi Inviato 23 Dicembre 2024 1 ora fa, captainsensible ha scritto: Vabbè mettiamo tutti d'accordo: - il bilanciato con gli schermi lasciati non collegati o collegato solo da un lato eviterebbe il loop di massa; - il bilanciato con lo schermo collegato da ambo le parti potrebbe introdurre un loop di massa. Siete d'accordo? CS Esattamente, e nonostante ciò l'attenuazione (parziale/totale) si misura palesemente P.s l'aver menzionato lo schermo, che non è la massa del circuito, fa intendere che hai capito perfettamente il concetto Link al commento https://melius.club/topic/23139-volume-digitale/page/3/#findComment-1385704 Condividi su altri siti Altre opzioni di condivisione...
Messaggi raccomandati
Crea un account o accedi per lasciare un commento
Devi essere un membro per lasciare un commento
Crea un account
Iscriviti per un nuovo account nella nostra community. È facile!
Registra un nuovo accountAccedi
Sei già registrato? Accedi qui.
Accedi Ora