peng Inviato 6 Febbraio 2022 Condividi Inviato 6 Febbraio 2022 riporto anche la mia esperienza, sono finalmente riuscito a provarli. esperimento 1: collegati all'uscita preamp dell'integrato Pathos, generano un ronzio di fondo molto fastidioso, ben percepibile anche dal punto di ascolto. volume del rumore - tipo quello generato da un loop di massa - indipendente dal volume impostato. suonano bene, ma le condizioni sono molto fastidiose soprattutto nei pianissimo. esperimento 2: collegati direttamente al DSPeaker X4, che funziona anche da preamplificatore, sono silenziosissimi. quando invece l'X4 è spento, generano un leggero soffio che però sparisce quando l'X4 è acceso. sul suono non aggiungo altro a quanto già detto - lasciano a bocca aperta. Link al commento https://melius.club/topic/3388-finali-mono-irs2092-in-classe-d/page/43/#findComment-361068 Condividi su altri siti Altre opzioni di condivisione...
password Inviato 6 Febbraio 2022 Condividi Inviato 6 Febbraio 2022 Io proverei a staccare la massa da uno dei due cavi che arrivano dal pre e vedere se si risolve. E una cosa semplice, se non va si rimette a posto in poco tempo. Se si hanno cavi costosi provare con un cavetto da 4 soldi. Link al commento https://melius.club/topic/3388-finali-mono-irs2092-in-classe-d/page/43/#findComment-361180 Condividi su altri siti Altre opzioni di condivisione...
Spiripacchio Inviato 6 Febbraio 2022 Condividi Inviato 6 Febbraio 2022 Io ho impianto collegato a filtro di rete che ha 5 prese filtrate e due no... che ha anche indicazione di fase ..e indicazione tensione corrente...chiaramente è l'impianto elettrico che condiziona ma con altri ampli mai successo... ho collegato i finali sia a prese filtrate che non filtrate...leggero miglioramento..Ma leggero.. sempre fastidioso... ho cavo schermati...cavi alimentazione decenti....ho ordinato i cavi..Ma nulla Link al commento https://melius.club/topic/3388-finali-mono-irs2092-in-classe-d/page/43/#findComment-361205 Condividi su altri siti Altre opzioni di condivisione...
Wolf65 Inviato 6 Febbraio 2022 Condividi Inviato 6 Febbraio 2022 Cosa ne pensate di questa altra versione di un altro produttore che è vero costa un po' di più ma che sembrerebbe realizzata meglio, ad esempio gli opamp sono su una basetta separata vicino agli ingressi montati su degli zoccoli quindi anche facilmente sostituibili: https://it.aliexpress.com/item/1005003289097869.html?gatewayAdapt=glo2ita&ug_edm_item_id=1005003289097869&edm_click_module=item_detail&tracelog=rowan&rowan_id1=aeug_edm_24687_1_it_IT_2022-01-27&rowan_msg_id=4495biz_search_product%3A0%3A0_571129858%24a10d3086f43b4a118cb85e6a021f2c42&ck=in_edm_other&dp=6f80a460d3a0a2e43ff8cc1ed97b7806&af=240682&cv=47843&afref=https%3A%2F%2Fmelius.club%2F&mall_affr=pr3&utm_source=admitad&utm_medium=cpa&utm_campaign=240682&utm_content=47843&dp=6f80a460d3a0a2e43ff8cc1ed97b7806&af=240682&cv=47843&afref=https%3A%2F%2Fmelius.club%2F&mall_affr=pr3&utm_source=admitad&utm_medium=cpa&utm_campaign=240682&utm_content=47843&aff_fcid=639b92de9a24429d98e56bbb1c90d947-1644148570302-02327-_ePNSNV&aff_fsk=_ePNSNV&aff_platform=portals-tool&sk=_ePNSNV&aff_trace_key=639b92de9a24429d98e56bbb1c90d947-1644148570302-02327-_ePNSNV&terminal_id=ac1eb1d2916140008b66d73d54a29605 . . Link al commento https://melius.club/topic/3388-finali-mono-irs2092-in-classe-d/page/43/#findComment-361331 Condividi su altri siti Altre opzioni di condivisione...
maxgazebo Inviato 6 Febbraio 2022 Condividi Inviato 6 Febbraio 2022 @Wolf65 No, bocciato...la schedina a fianco è solo per aggiungere un ingresso bilanciato alla scheda oltre a quello RCA sbilanciato, ma per il resto è tutto uguale...solo l'alimentatore SMPS sembra diverso Hanno solo aggiunto una scheda con i soliti NE5534 che inseriscono uno stadio attivo in più inutile 😔 Link al commento https://melius.club/topic/3388-finali-mono-irs2092-in-classe-d/page/43/#findComment-361342 Condividi su altri siti Altre opzioni di condivisione...
Wolf65 Inviato 6 Febbraio 2022 Condividi Inviato 6 Febbraio 2022 @maxgazebo Ok, chissà però se quelle modifiche che ci sono sull'alimentatore SMPS possano o meno risolvere i problemi che da molti sono stati indicati, o anche il collegamento in bilanciato potrebbe renderlo meno sensibile ai cavi? Link al commento https://melius.club/topic/3388-finali-mono-irs2092-in-classe-d/page/43/#findComment-361382 Condividi su altri siti Altre opzioni di condivisione...
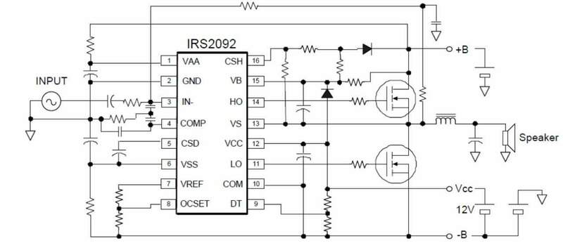
maxgazebo Inviato 6 Febbraio 2022 Condividi Inviato 6 Febbraio 2022 @Wolf65 mah...ho seri dubbi, il problema è la scheda finale, il circuito che gli è stato fatto attorno, una evidente bassa reiezione ai disturbi dovuta a chissà quale scelta fatta sula rete di circuito al contorno del chip IRS L'utilizzo di un ingresso bilanciato non credo risolva, il chip IRS ha ingresso sbilanciato in natura come vediamo dallo schema del Datasheet, per cui comunque se entro in bilanciato devi sbilanciare, e quindi processo inutile, anzi degradante Link al commento https://melius.club/topic/3388-finali-mono-irs2092-in-classe-d/page/43/#findComment-361427 Condividi su altri siti Altre opzioni di condivisione...
maxgazebo Inviato 6 Febbraio 2022 Condividi Inviato 6 Febbraio 2022 @Wolf65Forse una possibilità può darla la nuova versione del finale che hai postato di recente https://it.aliexpress.com/item/1005002268141132.html?spm=a2g0n.productlist.0.0.fa53c130swO2XK&browser_id=ac1eb1d2916140008b66d73d54a29605&aff_trace_key=6d227c665bc24809b210955cd120f631-1643033860418-09738-UneMJZVf&aff_platform=msite&m_page_id=y4m8gpjiqbwcazcp17e9c5495e614b09065b95b254&gclid= Se vedi bene la scheda è cambiata, sembra uguale ma ci sono differenze notevoli, doppia bobina del filtro passa-basso in uscita, la scheda verticale con il chip IRS non c'è più, credo ora saldato sopra o sotto la scheda direttamente...forse è la nuova versione per risolvere proprio i problemi che non credo siamo sti gli unici a lamentare Link al commento https://melius.club/topic/3388-finali-mono-irs2092-in-classe-d/page/43/#findComment-361480 Condividi su altri siti Altre opzioni di condivisione...
Gici HV Inviato 6 Febbraio 2022 Condividi Inviato 6 Febbraio 2022 @Wolf65 Per avere l'ingresso bilanciato,finto,il prezzo cresce abbastanza, quasi 600€ la coppia,poi non so se questo aiuta a ridurre o annullare il rumore,sono ignorante in materia. Ricordo che un mio conoscente ha preso un powersoft assemblato stereo a 500€ e un'altro un Purifi a 1000€ con le garanzie del venditore/assemblatore,non so se salendo di prezzo il gioco vale la candela, bisognerebbe provarli a casa propria.🤔 Link al commento https://melius.club/topic/3388-finali-mono-irs2092-in-classe-d/page/43/#findComment-361493 Condividi su altri siti Altre opzioni di condivisione...
Wolf65 Inviato 6 Febbraio 2022 Condividi Inviato 6 Febbraio 2022 @Gici HV Sì Certamente l'unico modo sarebbe provare per curiosità sai specificare meglio quali sono i due prodotti che hai menzionato magari mettendo anche dei link? Grazie. Link al commento https://melius.club/topic/3388-finali-mono-irs2092-in-classe-d/page/43/#findComment-361507 Condividi su altri siti Altre opzioni di condivisione...
maxgazebo Inviato 6 Febbraio 2022 Condividi Inviato 6 Febbraio 2022 @Gici HV si infatti, fermo restando che avere l'ingresso bilanciato non è sinonimo di qualità, non aggiunge nulla alle caratteristiche del finale, solo che avendo il negativo del segnale "sollevato" dalla massa di alimentazione è meno sensibile alla possibilità di loop e di disturbi che entrano dalla alimentazione, ma è una possibilità, non una certezza...qui non risolve nulla visto che è giustamente "finto" Link al commento https://melius.club/topic/3388-finali-mono-irs2092-in-classe-d/page/43/#findComment-361514 Condividi su altri siti Altre opzioni di condivisione...
Gici HV Inviato 6 Febbraio 2022 Condividi Inviato 6 Febbraio 2022 @Wolf65 l'assemblatore è microsim,sul loro sito non specificano nulla, bisogna chiamarli al telefono,il powersoft e' il litemod, più potente del Purifi ma meno raffinato, quest'ultimo molto meglio di 2 Nuforce ref8.5, secondo il mio amico che li ha provati tutti e 3 a casa sua con le Magneplanar,i Purifi vincono a mani basse.. .. certo costa 3 volte gli Zerozone. 1 Link al commento https://melius.club/topic/3388-finali-mono-irs2092-in-classe-d/page/43/#findComment-361537 Condividi su altri siti Altre opzioni di condivisione...
deaf ear Inviato 6 Febbraio 2022 Condividi Inviato 6 Febbraio 2022 In effetti i Purifi et400 da quello che si legge in giro potrebbero essere il top della classe D al momento, io però intanto mi godo questi Link al commento https://melius.club/topic/3388-finali-mono-irs2092-in-classe-d/page/43/#findComment-361680 Condividi su altri siti Altre opzioni di condivisione...
peterogers Inviato 6 Febbraio 2022 Condividi Inviato 6 Febbraio 2022 Bah, da me i cinesini sono silenziosissimi, ho fatto delle prove ad accavallare i cavi di alimentazione con quelli di segnale e niente...sempre muti e ben suonanti! Link al commento https://melius.club/topic/3388-finali-mono-irs2092-in-classe-d/page/43/#findComment-361747 Condividi su altri siti Altre opzioni di condivisione...
maxraff Inviato 6 Febbraio 2022 Condividi Inviato 6 Febbraio 2022 Anche quelli che avevo io erano silenziosi Link al commento https://melius.club/topic/3388-finali-mono-irs2092-in-classe-d/page/43/#findComment-361797 Condividi su altri siti Altre opzioni di condivisione...
homesick Inviato 6 Febbraio 2022 Autore Condividi Inviato 6 Febbraio 2022 Oggi ho vinto la pigrizia e rimesso in ordine le elettroniche , avevo il dac messo di lato per via della sua profondità , e visto che mi ci trovavo ho cablato tutto , finali e dac con alimentazione Neutral cable Cooper , in pratica solo i cavi costano più del pre dello streamer e dei finali messi assieme 😭😭. Sto ascoltando una recente scoperta , Dwight Treble , cantante afro jazz soul , che dire uno spettacolo . Link al commento https://melius.club/topic/3388-finali-mono-irs2092-in-classe-d/page/43/#findComment-361860 Condividi su altri siti Altre opzioni di condivisione...
Gici HV Inviato 6 Febbraio 2022 Condividi Inviato 6 Febbraio 2022 @peterogers non ricordo pre e diffusori.. Link al commento https://melius.club/topic/3388-finali-mono-irs2092-in-classe-d/page/43/#findComment-362010 Condividi su altri siti Altre opzioni di condivisione...
peterogers Inviato 6 Febbraio 2022 Condividi Inviato 6 Febbraio 2022 @Gici HV attualmente uso come pre un Teac ud 505 con controllo volume, ma anche con Gil altri pre che possiedo zero rumori, diffusori Martin Logan ascent 1 Link al commento https://melius.club/topic/3388-finali-mono-irs2092-in-classe-d/page/43/#findComment-362139 Condividi su altri siti Altre opzioni di condivisione...
Messaggi raccomandati
Crea un account o accedi per lasciare un commento
Devi essere un membro per lasciare un commento
Crea un account
Iscriviti per un nuovo account nella nostra community. È facile!
Registra un nuovo accountAccedi
Sei già registrato? Accedi qui.
Accedi Ora