GFF1972 Inviato 12 Agosto 2021 Autore Condividi Inviato 12 Agosto 2021 @bear_1 In effetti … @luigi61 Proverò e ti farò sapere. Grazie ad entrambi Link al commento https://melius.club/topic/3416-regolare-velocit%C3%A0-del-gyrodec-mki/page/3/#findComment-180085 Condividi su altri siti Altre opzioni di condivisione...
Moderatori BEST-GROOVE Inviato 13 Agosto 2021 Moderatori Condividi Inviato 13 Agosto 2021 21 ore fa, luigi61 ha scritto: potresti dare un’occhiata al link dove viene descritto come regolare la velocità di rotazione attraverso un trimmer interno all’alimentatore. quell'alimentazione purtroppo è per il motore in DC non per il QC che è per il motore Papst in AC. azzz...arrivo tardi, noto che è già stato indicato. Link al commento https://melius.club/topic/3416-regolare-velocit%C3%A0-del-gyrodec-mki/page/3/#findComment-180745 Condividi su altri siti Altre opzioni di condivisione...
GFF1972 Inviato 13 Agosto 2021 Autore Condividi Inviato 13 Agosto 2021 @BEST-GROOVE Sarà il troppo caldo 😁 Link al commento https://melius.club/topic/3416-regolare-velocit%C3%A0-del-gyrodec-mki/page/3/#findComment-181087 Condividi su altri siti Altre opzioni di condivisione...
Moderatori BEST-GROOVE Inviato 13 Agosto 2021 Moderatori Condividi Inviato 13 Agosto 2021 1 ora fa, GFF1972 ha scritto: Sarà il troppo caldo è che rispondo ancor prima di leggere gli interventi che puntualmente vengo sempre preceduto! Link al commento https://melius.club/topic/3416-regolare-velocit%C3%A0-del-gyrodec-mki/page/3/#findComment-181189 Condividi su altri siti Altre opzioni di condivisione...
Mxcolombo Inviato 24 Agosto 2021 Condividi Inviato 24 Agosto 2021 Il 12/8/2021 at 14:17, viale249 ha scritto: esiste anche l'alternativa economica della Jasmine Audio. Producono una unità esterna basata su di un motore Nidec trifase ad alta (relativamente per un giradischi) coppia ad un costo ragionevole: se ne era parlato pre rogo in una discussione relativa ai motori esterni dove veniva magnificato anche il Derenville. Personalmente avevo accarezzato l'idea di sperimentare questo motore Nidec sul mio Gyro SE ma attualmente è ancora in un cassetto per cronica mancanza di tempo... @viale249 Ne avevo scritto io. Lo uso con soddisfazione da circa 18 mesi. Va decisamente bene e molto meglio del motore originale Verdier. Mi piacerebbe confrontarlo con il Derenville che costa 10 volte tanto. Una volta regolata la velocità rimane stabile nel tempo. Va da se che la regolazione l’ho fatta con il disco strobo. RPM dava risultati bizzarri. Meglio Turntabulator che non utilizza il giroscopio del telefono. Fammi sapere se vuoi qualche info in più. Se non vivi lontano da me (Legnano/Busto Arsizio) e vuoi passare per un ascolto sei il benvenuto massimiliano 1 Link al commento https://melius.club/topic/3416-regolare-velocit%C3%A0-del-gyrodec-mki/page/3/#findComment-190859 Condividi su altri siti Altre opzioni di condivisione...
viale249 Inviato 25 Agosto 2021 Condividi Inviato 25 Agosto 2021 @Mxcolombo Hai una qualche documentazione allegata al motore (manuale, schemi...)? Grazie dell'invito ma abito un poco distante. Ma non si può mai sapere... Link al commento https://melius.club/topic/3416-regolare-velocit%C3%A0-del-gyrodec-mki/page/3/#findComment-191679 Condividi su altri siti Altre opzioni di condivisione...
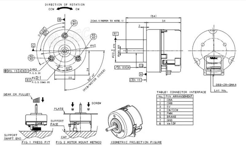
Mxcolombo Inviato 25 Agosto 2021 Condividi Inviato 25 Agosto 2021 1 ora fa, viale249 ha scritto: Hai una qualche documentazione allegata al motore (manuale, schemi...)? @viale249 queste sono le uniche info fornite con il motore. Link al commento https://melius.club/topic/3416-regolare-velocit%C3%A0-del-gyrodec-mki/page/3/#findComment-191765 Condividi su altri siti Altre opzioni di condivisione...
Mxcolombo Inviato 25 Agosto 2021 Condividi Inviato 25 Agosto 2021 @viale249 questo invece quanto pubblicato su eBay - annuncio vendita solo motore. Link al commento https://melius.club/topic/3416-regolare-velocit%C3%A0-del-gyrodec-mki/page/3/#findComment-191771 Condividi su altri siti Altre opzioni di condivisione...
luigi61 Inviato 25 Agosto 2021 Condividi Inviato 25 Agosto 2021 @GFF1972 hai provato a mettere in atto le azioni suggerite sulla accurata pulizia della gola della puleggia? C'è stato qualche effetto sulla velocità di rotazione? Link al commento https://melius.club/topic/3416-regolare-velocit%C3%A0-del-gyrodec-mki/page/3/#findComment-191793 Condividi su altri siti Altre opzioni di condivisione...
GFF1972 Inviato 25 Agosto 2021 Autore Condividi Inviato 25 Agosto 2021 @luigi61 Ciao Luigi, è la prima cosa che ho fatto, prima di ogni altra. In ogni caso, mi sono convinto che è una differenza di velocità così irrisoria da non dargli importanza più di tanto. All’ascolto, poi, non avverto differenza con gli altri miei giradischi. Forse, dovrei smontare e rimontare tutto il giradischi per verificare se il vano motore originario sia stato fissato bene alla base (basta una lievissima sbavatura che la tensione della cinghia può variare), ma non me la sento di farlo, ammesso di averne la capacità. Comunque, grazie, Gianluca Link al commento https://melius.club/topic/3416-regolare-velocit%C3%A0-del-gyrodec-mki/page/3/#findComment-191804 Condividi su altri siti Altre opzioni di condivisione...
mikefr Inviato 25 Agosto 2021 Condividi Inviato 25 Agosto 2021 Come ben detto da tanti,lascia le cose come stanno,che a fare peggio,non ci vuole tanto. 😉 1 Link al commento https://melius.club/topic/3416-regolare-velocit%C3%A0-del-gyrodec-mki/page/3/#findComment-191821 Condividi su altri siti Altre opzioni di condivisione...
viale249 Inviato 25 Agosto 2021 Condividi Inviato 25 Agosto 2021 @Mxcolombo grazie ma il data sheet lo ho già, scaricato dal sito Nidec, così come le altre info reperibili in rete. Pensavo ad un qualche documento dedicato al gruppo motore a cura di Jasmine Audio... Link al commento https://melius.club/topic/3416-regolare-velocit%C3%A0-del-gyrodec-mki/page/3/#findComment-192075 Condividi su altri siti Altre opzioni di condivisione...
Mxcolombo Inviato 26 Agosto 2021 Condividi Inviato 26 Agosto 2021 @viale249 la confezione non contiene altre informazioni. Pensa che non contiene nemmeno le istruzioni su come posizionarlo/regolarlo. Il che forse è anche un bene, dato che le istruzioni che ho reperito on line sono tutto fuorché chiare. Link al commento https://melius.club/topic/3416-regolare-velocit%C3%A0-del-gyrodec-mki/page/3/#findComment-192209 Condividi su altri siti Altre opzioni di condivisione...
lorenzomw Inviato 23 Ottobre 2021 Condividi Inviato 23 Ottobre 2021 Buongiorno, sono entrato in possesso da qualche giorno di un Gyrodec con motore AC e alimentatore standard (quello nella scatoletta di plastica), purtroppo il giradischi ha le cinghie messe male e sono in attesa di arrivo delle stesse che al momento mancano ad audioreference. Il giradischi gira molto più veloce, 2,5% in più 34.10 RPM misurato con APP RPM e confrontato con Technics SL1200, stesso disco sul Technics Pitch a 2,5% in più e il risultato conferma la misura con APP RPM. Ho provato a misurare la tensione in uscita, ci sono un neutro e due fasi!? fra neutro e fase 1 ho 20V precisi, su l'altra fase appena messi i puntali segna 14V per iniziare a scendere e fermarsi intorno ai 6V, non capisco non avendo buone conoscenze di elettronica questo comportamento, è normale? Oppure c'è un problema sull'alimentazione? Qualcuno sa dirmi quanti Volt dovrebbe lavorare? e nel caso come potrei risolvere visto che in rete non trovo ricambi? Grazie Link al commento https://melius.club/topic/3416-regolare-velocit%C3%A0-del-gyrodec-mki/page/3/#findComment-247785 Condividi su altri siti Altre opzioni di condivisione...
vaurien2005 Inviato 23 Ottobre 2021 Condividi Inviato 23 Ottobre 2021 @GFF1972 butta via app e cellulare e vivi tranquillo Link al commento https://melius.club/topic/3416-regolare-velocit%C3%A0-del-gyrodec-mki/page/3/#findComment-247835 Condividi su altri siti Altre opzioni di condivisione...
GFF1972 Inviato 23 Ottobre 2021 Autore Condividi Inviato 23 Ottobre 2021 @vaurien2005 Grazie, già l’ho fatto, soprattutto dopo averne parlato con Simone Lucchetti, che mi ha confermato a) che nulla si può fare; b) che è normale per quel giradischi con quell’alimentatore; c) che, comunque, la differenza è impercettibile all’orecchio. Pertanto, mi godo alla grande anche il Gyrodek. Ciao, Gianluca Link al commento https://melius.club/topic/3416-regolare-velocit%C3%A0-del-gyrodec-mki/page/3/#findComment-247947 Condividi su altri siti Altre opzioni di condivisione...
JohnLee Inviato 23 Ottobre 2021 Condividi Inviato 23 Ottobre 2021 Ho un Gyrodec con motore AC Papst e sono incappato nel 'problemone' della precisione dei 33 e 1/3 Intanto bisogna osservare che in tutti i gira con questo schema di trasmissione (motore AC sincrono e trazione a cinghia o puleggia) data la pressochè certa costanza dei 50hz di rete la precisione della velocità dipende esclusivamente dai componenti meccanici: diametro delle pulegge sul motore e sul piatto e precisione di costruzione della cinghia o puleggia. Nel caso del Gyrodec le 2 cinghie sono a sezione rotonda, una imprecisione nel diametro varia il rapporto di trasmissione. E' quello che avevo sperimentato acquistando 2 cinghie nuove 'compatibili': rispetto a quelle originali il piatto girava più velocemente. Ho risolto in maniera creativa, autocostruendomi un alimentatore AC in grado di variare la velocità del motore con risoluzione molto fine, avevo descritto il progetto nel forum ante-rogo In sostanza si tratta di mettere insieme - un generatore di frequenza con regolazione a passi di almeno 0,1 hz - un dispositivo in grado di generare un corrente sufficiente a pilotare il motore (in pratica un normale finalino di potenza in capace di funzionare nell'intorno dei 50hz) Il generatore l'ho ottenuto con una app che gira su un tablet android dal quale prelevo il segnale dall'uscita cuffia. Con questo segnale piloto, interponendo un ampli-buffer fatto con un operazionale, un finale di potenza (una scheda analogica Velleman in classe AB presa su Amazon). L'accrocchio funziona bene, variando la frequenza nella app si può fare la regolazione fine della velocità del motore. Il tutto viene a costare circa 150-200 euro, se interessa a qualcuno recupero testo e foto della costruzione e lo pubblico sul nuovo forum 2 Link al commento https://melius.club/topic/3416-regolare-velocit%C3%A0-del-gyrodec-mki/page/3/#findComment-248069 Condividi su altri siti Altre opzioni di condivisione...
JohnLee Inviato 28 Ottobre 2021 Condividi Inviato 28 Ottobre 2021 FYI, in un altro 3d sul gyrodec un forumer ha chiesto info su questo alimentatore ed ho postato la descrizione con tutti i componenti necessari. Link al commento https://melius.club/topic/3416-regolare-velocit%C3%A0-del-gyrodec-mki/page/3/#findComment-253218 Condividi su altri siti Altre opzioni di condivisione...
Messaggi raccomandati
Crea un account o accedi per lasciare un commento
Devi essere un membro per lasciare un commento
Crea un account
Iscriviti per un nuovo account nella nostra community. È facile!
Registra un nuovo accountAccedi
Sei già registrato? Accedi qui.
Accedi Ora