Stefano86TV Inviato 19 Settembre 2021 Condividi Inviato 19 Settembre 2021 Ciao a tutti, ho ultimato questo progetto del buon Nelson Pass: l'Aleph 5 (60 W x 2 in classe A). Suona meravigliosamente, ma il mio ha un solo punto debole. I due toroidali, presi di seconda mano e un pò adattati (hanno un'uscita 28-0-28 ed ho usato un solo raddrizzatore anziché 2), ronzano. Per cui dato che l'ho fatto suonare già parecchie ore e mi piace un sacco, vorrei cambiarli. In allegato vi riporto lo schema. Ho già trovato chi me li fa, devo solo formalizzare l'ordine. Posso ordinare una coppia di toroidali con al secondario due uscite duali separate 28 -0 ? Quindi 4 fili, è corretto? Poi, come da schema, porterò ogni uscita ad un raddrizzatore (raddrizzando sia i 28 che lo zero) e infine i due 0 raddrizzati li collegherò al comune dei condensatori, giusto? Lo schema ne prevede due da 300 VA, io pensavo di farli da 350 VA per tenermi un pò di margine. Cosa ne dite? Grazie mille e buona giornata Link al commento https://melius.club/topic/4036-cosiglio-trasformatori-toroidali-aleph-5/ Condividi su altri siti Altre opzioni di condivisione...
viale249 Inviato 19 Settembre 2021 Condividi Inviato 19 Settembre 2021 @Stefano86TV attento che i trasformatori potrebbero ronzare per presenza di continua sulla linea di alimentazione. Buona l'idea di aumentare la potenza ma quello che farà la differenza sarà la cura costruttiva. 1 ora fa, Stefano86TV ha scritto: infine i due 0 raddrizzati li collegherò al comune dei condensatori, giusto? Sbagliato. Le due uscite raddrizzate vanno collegate in serie ed il riferimento in tensione diventa l'unione dello 0 di un era o con il positivo dell'altro: segui lo schema che hai postato. Link al commento https://melius.club/topic/4036-cosiglio-trasformatori-toroidali-aleph-5/#findComment-215951 Condividi su altri siti Altre opzioni di condivisione...
Stefano86TV Inviato 19 Settembre 2021 Autore Condividi Inviato 19 Settembre 2021 @viale249 Ho segnato a matita come pensavo di collegarli. Dici che è sbagliato? Link al commento https://melius.club/topic/4036-cosiglio-trasformatori-toroidali-aleph-5/#findComment-215992 Condividi su altri siti Altre opzioni di condivisione...
Stefano86TV Inviato 19 Settembre 2021 Autore Condividi Inviato 19 Settembre 2021 Ce l'ho messa veramente tutta! @viale249come faccio a capire se ronzano per la continua sulla linea d'alimentazione? Grazie 1 Link al commento https://melius.club/topic/4036-cosiglio-trasformatori-toroidali-aleph-5/#findComment-215997 Condividi su altri siti Altre opzioni di condivisione...
viale249 Inviato 19 Settembre 2021 Condividi Inviato 19 Settembre 2021 @Stefano86TV non puoi collegare le uscite dei trasformatori tra di loro: devi creare lo zero dopo il raddrizzamento. Con riferimento allo schema che hai postato (che è giusto) vedi che ogni trasformatore alimenta il proprio ponte: all'uscita di questo avrai un positivo ed un negativo, collega il meno del ponte superiore con il più di quello inferiore e questo nodo sarà il tuo riferimento (zero). Link al commento https://melius.club/topic/4036-cosiglio-trasformatori-toroidali-aleph-5/#findComment-216036 Condividi su altri siti Altre opzioni di condivisione...
viale249 Inviato 19 Settembre 2021 Condividi Inviato 19 Settembre 2021 @Stefano86TV ricordo il tuo progetto, lo avevi postato ante rogo: complimenti, realizzazione superba. Ma non hai avuto gli stessi dubbi sul collegamento dei trasformatori quando lo hai costruito? Per quanto riguarda la presenza di continua sulla rete di alimentazione, non disponendo di un analizzatore, la prova più semplice è quella di portare il finale a casa di qualche amico e vedere se continua a ronzare (sperando che l'impianto elettrico del tuo amico non sia anche questo affetto da continua...😉). Link al commento https://melius.club/topic/4036-cosiglio-trasformatori-toroidali-aleph-5/#findComment-216041 Condividi su altri siti Altre opzioni di condivisione...
Stefano86TV Inviato 19 Settembre 2021 Autore Condividi Inviato 19 Settembre 2021 @viale249 ho capito, quindi lo "zero negativo" e lo "zero positivo" dei due ponti li collegherò al centro della batteria di condensatori. Corretto? Finora l'ho acceso con due toroidali di seconda mano che hanno uscita 28 - 0 - 28 e li ho collegati usando un solo ponte raddrizzando i 28 in + e - e portando lo zero direttamente ai condensatori. Ora che ronzano e voglio cambiarli vorrei collegarli come da schema. Proverò a portarne uno dal vicino di casa e vedere se ronza 🙂 Link al commento https://melius.club/topic/4036-cosiglio-trasformatori-toroidali-aleph-5/#findComment-216050 Condividi su altri siti Altre opzioni di condivisione...
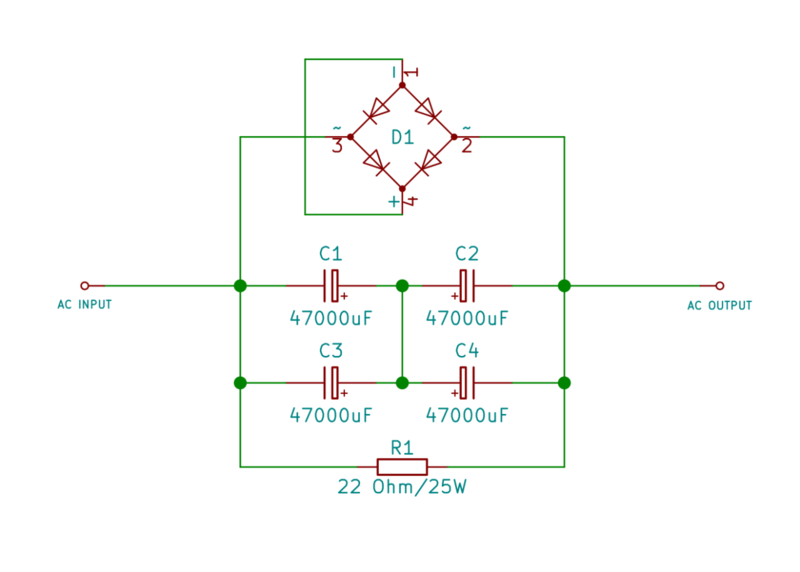
Antonino Inviato 19 Settembre 2021 Condividi Inviato 19 Settembre 2021 @Stefano86TV complimenti per l'eccelente realizzazione meccanica Dove hai trovato le barrette in rame per collegare i condensatori in parallelo? Ecco lo schema di un semplice dc blocker,piu facile farlo che spostare quel bestione a casa di un amico Link al commento https://melius.club/topic/4036-cosiglio-trasformatori-toroidali-aleph-5/#findComment-216052 Condividi su altri siti Altre opzioni di condivisione...
Stefano86TV Inviato 19 Settembre 2021 Autore Condividi Inviato 19 Settembre 2021 @Antonino Il bestione pesa 38 kg e sia il case che le piastre sono in alluminio. Per fortuna però l'ho disegnato e costruito in modo che i componenti siano facilemente removibili. Quindi la piastra coi toroidali posso sfilarla tranquillamente. Le barrette in rame le ho fatte tagliare a laser. Ho comprato del rame elettrolitico e gliel'ho portato. Doveva essere un favore dato che si tratta di un mio fornitore, in realtà è il pezzo più costoso del finale. Però l'ho scoperto dopo... Link al commento https://melius.club/topic/4036-cosiglio-trasformatori-toroidali-aleph-5/#findComment-216055 Condividi su altri siti Altre opzioni di condivisione...
Antonino Inviato 19 Settembre 2021 Condividi Inviato 19 Settembre 2021 Ti consiglio di costruire i dc blocker con pochi componenti ,trovi ampie informazioni in rete Comunque i trasformatori industriali recuperati in rete spesso hanno problemi di ronzio Non li compro più nonostante si trovino occasioni allettanti su ebay Preferisco farli fare per uso audio con schermo elettrostatico tra primario e secondario Mi sono trovato bene da: http://www.trasformaudio.com/ Link al commento https://melius.club/topic/4036-cosiglio-trasformatori-toroidali-aleph-5/#findComment-216070 Condividi su altri siti Altre opzioni di condivisione...
Stefano86TV Inviato 19 Settembre 2021 Autore Condividi Inviato 19 Settembre 2021 @Antonino anch'io li farò fare da loro. Ho chiesto almeno 10 preventivi ad aziende del settore e il loro prezzo è il migliore Link al commento https://melius.club/topic/4036-cosiglio-trasformatori-toroidali-aleph-5/#findComment-216077 Condividi su altri siti Altre opzioni di condivisione...
viale249 Inviato 19 Settembre 2021 Condividi Inviato 19 Settembre 2021 3 ore fa, Stefano86TV ha scritto: ho capito, quindi lo "zero negativo" e lo "zero positivo" dei due ponti li collegherò al centro della batteria di condensatori. se segui lo schema non commetterai errori: credo che tu abbia capito e spero che "zero negativo" e "zero positivo" si riferiscano al negativo del ponte superiore ed al positivo del ponte inferiore... 😜 Lo zero è in realtà il riferimento per i due rami dell'alimentatore realizzato ponendo in serie due alimentatori singoli uguali. Il fatto che tu abbia una tensione duale, positiva e negativa, è dovuto proprio alla connessione in serie di questi due alimentatori ed al prendere come riferimento la connessione stessa, ossia lo "zero" (ma nulla ti impedirebbe di prendere la tensione tra positivo e negativo ed avere così una uscita in tensione pari alla somma di quella fornita dai due singoli alimentatori). Spero di essere stato chiaro. Link al commento https://melius.club/topic/4036-cosiglio-trasformatori-toroidali-aleph-5/#findComment-216304 Condividi su altri siti Altre opzioni di condivisione...
viale249 Inviato 19 Settembre 2021 Condividi Inviato 19 Settembre 2021 3 ore fa, Stefano86TV ha scritto: Ho chiesto almeno 10 preventivi Provato con Toroidy? Come Nuvistorclub abbiamo spesso usato i loro prodotti (alimentazione, induttanze, trasformatori di uscita per amplificatori valvolari) con soddisfazione... Link al commento https://melius.club/topic/4036-cosiglio-trasformatori-toroidali-aleph-5/#findComment-216307 Condividi su altri siti Altre opzioni di condivisione...
domenico80 Inviato 20 Settembre 2021 Condividi Inviato 20 Settembre 2021 @Stefano86TV scusa , ma ....... < toroidale > ......... è ................. condizio sine qua non ? se ben fatti i trafi con nuclei a lamierini sono eccellenti e meno costosi i nucllei dei toroidi sono sempre un problema ......... PARDON , noto ora i contenitori SOLO x toroidale ... come non scritto Link al commento https://melius.club/topic/4036-cosiglio-trasformatori-toroidali-aleph-5/#findComment-216622 Condividi su altri siti Altre opzioni di condivisione...
camaro71 Inviato 20 Settembre 2021 Condividi Inviato 20 Settembre 2021 complimenti, gran bel lavoro !! anche io ogni tanto vado a guardare su kk pcb sono fatti bene i loro pcb ? Link al commento https://melius.club/topic/4036-cosiglio-trasformatori-toroidali-aleph-5/#findComment-216638 Condividi su altri siti Altre opzioni di condivisione...
Stefano86TV Inviato 20 Settembre 2021 Autore Condividi Inviato 20 Settembre 2021 @camaro71 A me sembrano fatti bene. Eccetto i fori dei dissipatori che hanno un passo introvabile! @domenico80 Ho sbagliato io a non provare tutto a banco prima costruire il case. Mi sono fidato di chi me li ha venduti. @viale249 Ho guardato, Trasformaudio resta il più conveniente ed è uno che opera nel settore ed ha raccolto molti pareri positivi. Quindi mi sono fidato di loro. Ho fatto l'ordine la scorsa settimana e sono già pronti, mannaggia! Sono stati troppo veloci, dovevo scrivervi prima. Li ho ordinati come quelli che ho (28 - 0 - 28) e non 2 x 28V. Li collegherò come quelli che ho adesso utilizzando un solo ponte raddrizzatore. E' da 35A, dovrebbe reggere tranquillamente, no? Penso che abbiano messo due ponti solo per distribuire il carico. Forse quando hanno progettato questo finale i ponti non avevano le prestazioni degli attuali. L'ho già fatto suonare parecchie ore e non scaldano per nulla (sono anch'essi fissati sulla piastra di alluminio). Link al commento https://melius.club/topic/4036-cosiglio-trasformatori-toroidali-aleph-5/#findComment-216681 Condividi su altri siti Altre opzioni di condivisione...
domenico80 Inviato 20 Settembre 2021 Condividi Inviato 20 Settembre 2021 @Stefano86TV dalle mie parti io faccio avvolgere i trafi da una ditta locale ottimi prezzi non ronzano mai , almeno nelle nostre abitazioni li posso incredibilmente tenere a ridosso anche di stadi di preamplificazione di linea , siano essi a valvole o SS lo stadio pre linea a SS ha pure una banda passante di 4,5 MGHZ , ma , nulla , sembrano proprio assai performanti PS bel lavoro Link al commento https://melius.club/topic/4036-cosiglio-trasformatori-toroidali-aleph-5/#findComment-216738 Condividi su altri siti Altre opzioni di condivisione...
Stefano86TV Inviato 20 Settembre 2021 Autore Condividi Inviato 20 Settembre 2021 @domenico80 averle sapute prima ste cose. Con i miei attuali limiti ho chiesto consigli in giro e alla fina sembrava non mi restasse altro da fare se non cambiarli. Porca miseria. Va beh, dai. Ormai sono fatti. Questo forum si rivela sempre una preziosa fonte d'informazione! Grazie Link al commento https://melius.club/topic/4036-cosiglio-trasformatori-toroidali-aleph-5/#findComment-216776 Condividi su altri siti Altre opzioni di condivisione...
Messaggi raccomandati
Crea un account o accedi per lasciare un commento
Devi essere un membro per lasciare un commento
Crea un account
Iscriviti per un nuovo account nella nostra community. È facile!
Registra un nuovo accountAccedi
Sei già registrato? Accedi qui.
Accedi Ora