cri Inviato 18 Gennaio 2022 Condividi Inviato 18 Gennaio 2022 Buongiorno a tutti. Volevo un chiarimento. Quando preparo un filtro ad es. passa alto del primo ordine su di un altoparlante, supponiamo mettendo in serie ad un woofer una capacità di circa 500 mf la quale con un carico teorico di 8 ohm dovrebbe corrispondere ad un taglio di circa 40 hz, il disegno della curva come rimane? così: O così? Mi serve solo avere un'idea anche blanda della situazione. Grazie mille a tutti Cri Link al commento https://melius.club/topic/6352-curva-taglio-crossover/ Condividi su altri siti Altre opzioni di condivisione...
pro61 Inviato 18 Gennaio 2022 Condividi Inviato 18 Gennaio 2022 Il bozzo te lo ritrovi +o- alla frequenza di accordo dell'altoparlante in cassa. Link al commento https://melius.club/topic/6352-curva-taglio-crossover/#findComment-338626 Condividi su altri siti Altre opzioni di condivisione...
cri Inviato 18 Gennaio 2022 Autore Condividi Inviato 18 Gennaio 2022 @pro61 grazie, ma tralasciando il caricamento, il bozzo viene creato a priori dalla curva calante causata dalla capacità? Cioè: si crea il bozzo o no e resta lineare? perdonami ma ne capisco come avrai già capito ben poco..... Link al commento https://melius.club/topic/6352-curva-taglio-crossover/#findComment-338650 Condividi su altri siti Altre opzioni di condivisione...
pro61 Inviato 18 Gennaio 2022 Condividi Inviato 18 Gennaio 2022 Il bozzo si crea con l'interazione del picco di impedenza col condensatore. Link al commento https://melius.club/topic/6352-curva-taglio-crossover/#findComment-338774 Condividi su altri siti Altre opzioni di condivisione...
cri Inviato 18 Gennaio 2022 Autore Condividi Inviato 18 Gennaio 2022 @pro61 quindi al fine della risposta che voglio ottenere devo considerare la presenza del bozzo. . . Link al commento https://melius.club/topic/6352-curva-taglio-crossover/#findComment-338780 Condividi su altri siti Altre opzioni di condivisione...
audio2 Inviato 18 Gennaio 2022 Condividi Inviato 18 Gennaio 2022 ma più che altro perchè lo vorresti tagliare a 40 hz ? per incrociarlo con un sub ? secondo me non ne vale la pena. Link al commento https://melius.club/topic/6352-curva-taglio-crossover/#findComment-338784 Condividi su altri siti Altre opzioni di condivisione...
cri Inviato 18 Gennaio 2022 Autore Condividi Inviato 18 Gennaio 2022 @audio2 non devo incrociarlo, volevo solo capire come dovevo considerare la curva. sui miei diffusori (B&Wdm14) ci sta quel condensatore prima del woofer dopo il passa basso.....togliendolo sembra che il basso scenda scenda di più in frequenza ma percepisco meno punch....potrebbe essere che la gobba mi aumenti la risposta e quindi il punch? Non so se mi spiego..... Link al commento https://melius.club/topic/6352-curva-taglio-crossover/#findComment-338788 Condividi su altri siti Altre opzioni di condivisione...
audio2 Inviato 18 Gennaio 2022 Condividi Inviato 18 Gennaio 2022 credo che sia il contrario, il condensatore messo li in quel modo a volte mi pare che serva ( non sono sicuro ) per estendere un pò la frequenza del wf, però ne diminuisce anche il livello. dopo vedo se trovo il riferimento teorico. Link al commento https://melius.club/topic/6352-curva-taglio-crossover/#findComment-338791 Condividi su altri siti Altre opzioni di condivisione...
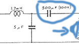
cri Inviato 18 Gennaio 2022 Autore Condividi Inviato 18 Gennaio 2022 @audio2 in pratica ho passa passo (induttanza) e a segiore una capacità (condensatore) che cortocircuita creando la 'pendenza'...dopo ho questo condensatore da 500mf Link al commento https://melius.club/topic/6352-curva-taglio-crossover/#findComment-338794 Condividi su altri siti Altre opzioni di condivisione...
cri Inviato 18 Gennaio 2022 Autore Condividi Inviato 18 Gennaio 2022 Link al commento https://melius.club/topic/6352-curva-taglio-crossover/#findComment-338797 Condividi su altri siti Altre opzioni di condivisione...
audio2 Inviato 18 Gennaio 2022 Condividi Inviato 18 Gennaio 2022 si è circa come dicevo, ma non so come interagisce con il resto del filtro. se digiti su google : " condensatore in serie al woofer per estendere la frequenza " il primo risultato ti spiega più o meno come funziona. 1 Link al commento https://melius.club/topic/6352-curva-taglio-crossover/#findComment-338802 Condividi su altri siti Altre opzioni di condivisione...
cri Inviato 18 Gennaio 2022 Autore Condividi Inviato 18 Gennaio 2022 @audio2 estende la frequenza però a scapito di qualche hz che gli sta sopra, facendo una curva che si dice 'smorzata'? geazie mille e mi scuso la dilungaggine 2 minuti fa, audio2 ha scritto: condensatore in serie al woofer per estendere la frequenza grazie andrò a leggere Link al commento https://melius.club/topic/6352-curva-taglio-crossover/#findComment-338803 Condividi su altri siti Altre opzioni di condivisione...
audio2 Inviato 18 Gennaio 2022 Condividi Inviato 18 Gennaio 2022 3 minuti fa, cri ha scritto: facendo una curva che si dice 'smorzata' il condensatore genera una curva sovrasmorzata, con un reflex ne hai una sottosmorzata ( la famosa gobbetta all' insù ) Link al commento https://melius.club/topic/6352-curva-taglio-crossover/#findComment-338808 Condividi su altri siti Altre opzioni di condivisione...
audio2 Inviato 18 Gennaio 2022 Condividi Inviato 18 Gennaio 2022 comunque in b&w sapevano quello che facevano, di prove ne puoi anche fare e poi lasci quello che ti piace di più. oppure per esempio se il conde è un elettrolitico puoi anche sostituirlo con un polipropilene, che però visto il valore costerà parecchio, sempre se lo trovi. 1 Link al commento https://melius.club/topic/6352-curva-taglio-crossover/#findComment-338811 Condividi su altri siti Altre opzioni di condivisione...
cri Inviato 18 Gennaio 2022 Autore Condividi Inviato 18 Gennaio 2022 @audio2 grazie mille ancora Link al commento https://melius.club/topic/6352-curva-taglio-crossover/#findComment-338816 Condividi su altri siti Altre opzioni di condivisione...
cri Inviato 18 Gennaio 2022 Autore Condividi Inviato 18 Gennaio 2022 26 minuti fa, audio2 ha scritto: condensatore in serie al woofer per estendere la frequenza ho dato un'occhiata e adesso ho capito! Grazie 1 Link al commento https://melius.club/topic/6352-curva-taglio-crossover/#findComment-338829 Condividi su altri siti Altre opzioni di condivisione...
Messaggi raccomandati
Crea un account o accedi per lasciare un commento
Devi essere un membro per lasciare un commento
Crea un account
Iscriviti per un nuovo account nella nostra community. È facile!
Registra un nuovo accountAccedi
Sei già registrato? Accedi qui.
Accedi Ora