Stel1963 Inviato 7 Gennaio 2024 Autore Condividi Inviato 7 Gennaio 2024 18 ore fa, Bazza ha scritto: questo è lo schema del mio. Come ti ci trovi? Che trafo hai montato? Induttanza? Valvole? Posta foto che vogliamo vedere come lo hai costruito! Link al commento https://melius.club/topic/825-ear-834p-clone-diy-un-pre-phono-a-valvole-in-kit-con-enormi-potenzialit%C3%A0/page/42/#findComment-1065893 Condividi su altri siti Altre opzioni di condivisione...
Bazza Inviato 7 Gennaio 2024 Condividi Inviato 7 Gennaio 2024 @Stel1963 Ora ti deludo 🤣 La mia è la versione assemblata in due box separati della zerozone. È però quella più compatta, presa per via delle dimensioni ridotte che si adattano meglio nel mio affollato assemblamento. Il circuito finale dovrebbe essere il solito anche se su scheda più piccola, l'alimentazione è invece di ersa ed impiega un paio di transistor al suo interno. Avevo a casa delle ecc83 National made in Cina dei primi anni '90 e ci ho montato quelle. Come suono mi ci trovo bene, caloroso senza essere debordante, con una bella gamma media e una buona apertura in alto, lumino mi verrebbe da dire, senza però essere pungente. Ho pure risolto la questione dell'hum mandando a terra il neutro dei filamenti. Ora c'è solo il classico fruscio quando il volume viene portato al massimo. Oltre le resistenze, cambiando i condensatori ( di accoppiamento? ) da 0,1uF ( sono 4 ) e i due da 1uF posti prima dell'uscita con dei carta/olio ci sarebbe miglioramento/cambiamento nella sonorità? 2 Link al commento https://melius.club/topic/825-ear-834p-clone-diy-un-pre-phono-a-valvole-in-kit-con-enormi-potenzialit%C3%A0/page/42/#findComment-1065971 Condividi su altri siti Altre opzioni di condivisione...
Stel1963 Inviato 8 Gennaio 2024 Autore Condividi Inviato 8 Gennaio 2024 Il 7/1/2024 at 12:04, Bazza ha scritto: Oltre le resistenze, cambiando i condensatori ( di accoppiamento? ) da 0,1uF ( sono 4 ) e i due da 1uF posti prima dell'uscita con dei carta/olio ci sarebbe miglioramento/cambiamento nella sonorità? Bello! E sono felice che , già così, ti piaccia come suono. Circa i condensatori.... si. Tutti si focalizzano sul tube rolling, e, per me, (opinione personalissima e ben poco condivisa dai vari guru), semplicemente ascoltano, nella gran parte dei casi, le differenze legate ai punti di lavoro di valvole dello stesso tipo ma di marche e build diversi (specifico... certo che una telufunken suona diversa da una cinese di bassa lega, ma ottimizzata, ciascuna valvola "decentemente ben fatta" suona in modo molto simile anche se non uguale). Dunque, da tube roller con 35 anni di cambi frenetici alle spalle, mi sent tranquillamente di dirti che quello che influisce tanto sul suono di ciascun apparecchio sono i condensatori usati in alcuni punti chiave. Prima di tutto, i condensatori di accoppiamento. Mi sono creato uno switch a 6 vie seguito da un interruttore, e durante il covid ho provato a commutare il condensatore di uscita (1uF, > 250V) di un pre. Le differenze erano davvero macroscopiche, sembrava di cambiare impianto. Immagine, profondità, trasparenza, focalizzazione, e timbrica variavano a seconda del condensatore in modo sempre chiaramnte udibile, e in certi casi, eclatante. Altrochè cambiare testina, stepup, cavi o apparecchi.... qui eravamo nella dimensione (in alcuni casi estremi) di differenze pari al cambiare impianto e casse! Non a caso, Audio Research ha un suono tutto suo, come conrad Johnson, come Cary audio e come tutti gli altri..... basta aprirli per vedere lo stuolo di condensatori di un certo tipo o un'altro che ne creano la sonorità. MA logicamente, cambiare una valvola è facile, basta tirare ed infilarne un'altra. Cambiare una serie di condensatori è più difficile. Ed attenzione... non è un appello a cambiare condensatori "ad membrum caninum" nei vostri apparecchi! NO! Il bilanciamento tonale, l'immagine e le caratteristiche sono sempre considerate nel loro insieme da qualunque costruttore commerciale tramite un lungo processo di "messa a punto sonica". Quindi, cambiare un condensatore a caso senza valutare tutto il resto.... non è consigliabile! Diverso è invece il caso degli AUTOCOSTRUTTORI e dei Kit cinesi. A parte il fatto che il 95% dei kit cinesi contiene errori progettuali (a guardarlo bene anche l'EAR... ma suona bene così! E ciascuno degli "errori" e frutto di un pensiero specifico e fuori dal coro di Tim de Paravicini, che prima di tutto era un fonico e un tecnico di registrazione e non un progettista, per quello la sua roba suona così bene!) Dunque, tornadno a noi... I condensatori che determinano il suono sono, in ordine: 1) il condensatore di uscita 2)il condesatore di bypass sul catodo 3) i condensatori interstadio poi, molto più indietro 4) i condensatori di alimentazione su B+ prossimi alle valvole 5) alimentazione capacitiva o mista induttiva+ capacitiva Ti sconsiglio i carta olio vintage o russi.... ne ho comprati a kili, sia i ricercatissimi Micamold e Western Electric, che marche quali Sprague, o i vari russi etc. Tutti nuovi. Tranne gli Sprague, di cui non ne ho mai beccato uno ciucco (purche nuovo, lasciamo perdere i recuperi), il 50% degli altri hanno ESR e Vloss inaccettabili. Seppur esteticamente perfetti, sono "andati" E comunque spesso non danno risultati sonici pari alla loro fama Un buon compromesso molto economico è rappresentato dai condensatori cinesi, quelli rossi. Però hanno un suono molto freddo, con un'immagine più piatta e meno tridimensionale di altri. Li uso molto perchè straeconomici, ma non li consiglio. Un condensatore che amo molto è il Jantzen Rosso. MEntre i neri sono.... continuo appena ho tempo 1 Link al commento https://melius.club/topic/825-ear-834p-clone-diy-un-pre-phono-a-valvole-in-kit-con-enormi-potenzialit%C3%A0/page/42/#findComment-1067600 Condividi su altri siti Altre opzioni di condivisione...
Stel1963 Inviato 9 Gennaio 2024 Autore Condividi Inviato 9 Gennaio 2024 6 ore fa, Stel1963 ha scritto: Dunque, tornadno a noi... I condensatori che determinano il suono sono, in ordine: 1) il condensatore di uscita 2)il condesatore di bypass sul catodo 3) i condensatori interstadio poi, molto più indietro 4) i condensatori di alimentazione su B+ prossimi alle valvole 5) alimentazione capacitiva o mista induttiva+ capacitiva Ti sconsiglio i carta olio vintage o russi.... ne ho comprati a kili, sia i ricercatissimi Micamold e Western Electric, che marche quali Sprague, o i vari russi etc. Tutti nuovi. Tranne gli Sprague, di cui non ne ho mai beccato uno ciucco (purche nuovo, lasciamo perdere i recuperi), il 50% degli altri hanno ESR e Vloss inaccettabili. Seppur esteticamente perfetti, sono "andati" E comunque spesso non danno risultati sonici pari alla loro fama Un buon compromesso molto economico è rappresentato dai condensatori cinesi, quelli rossi. Però hanno un suono molto freddo, con un'immagine più piatta e meno tridimensionale di altri. Li uso molto perchè straeconomici, ma non li consiglio. Un condensatore che amo molto è il Jantzen Rosso. MEntre i neri sono.... continuo appena ho tempo Continuo.... Mentre i Jantzen neri sono piatti e velati, e i Silver (olio e argento) sono troppo sbilanciati verso le alte, i Jantzen Rossi sono tra i migliori condensatori "umani" che abbia sentito. Pieni, caldi, estesi ma raffinati, dianmici e con tanta aria intorno agli strumenti. I Mundorf economici sono decisamente più acidi e velati, mentre i Gold Oil suonano molto bene, anche meglio dei Jantzen Rossi su medi e mediobassi, ma hanno purtroppo una gamma alta troppo aspra e radiografante per i miei gusti, che toglie naturalezza. I Lundhall suonano molto bene ma costano una fortuna, i wima rossi sono un pelo freddini e leggermente velati, i NOS Mullard "mustard" sono belli ma colorano il suono su medie e mediobasse scaldandolo troppo(che sia un suono piacevole non ho dubbi, ma preferisco cose più lineari) , mentre tanti altri hanno alcuni aspetti superiori agli JAntzen ma in altri sono inferiori, meno neutri o meno rifiniti e musicali. Questo però vale per le mie orecchie, sul mio impianto, all'interno del mio pre di prova.... Ma li ho usati un poco dovunque, nei crossover, nei pre, nei finali, e ho notato una decisa costanza nelle prestazioni. Link al commento https://melius.club/topic/825-ear-834p-clone-diy-un-pre-phono-a-valvole-in-kit-con-enormi-potenzialit%C3%A0/page/42/#findComment-1067939 Condividi su altri siti Altre opzioni di condivisione...
Questo è un messaggio popolare. lucaz78 Inviato 10 Gennaio 2024 Questo è un messaggio popolare. Condividi Inviato 10 Gennaio 2024 io sto "prendendo le misure" per inserire un nuovo potenziometro eizz a 24 step e un selettore per 3 ingressi. Nel weekend se riesco vorrei terminare il lavoro,cosi ne approfitto per controllare i percorsi delle masse (ho quasi risolto del tutto,ma al massimo volume un minimo di ronzio c'è ancora). Sono cosi carini che quasi mi dispiace chiuderli dentro una scatola! 3 Link al commento https://melius.club/topic/825-ear-834p-clone-diy-un-pre-phono-a-valvole-in-kit-con-enormi-potenzialit%C3%A0/page/42/#findComment-1068993 Condividi su altri siti Altre opzioni di condivisione...
Stel1963 Inviato 10 Gennaio 2024 Autore Condividi Inviato 10 Gennaio 2024 1 ora fa, lucaz78 ha scritto: Sono cosi carini che quasi mi dispiace chiuderli dentro una scatola! Sono stupendi e molto ben fatti! Solo che, pur essendo cinesi, essendo ben fatti costano un botto! E si... è un peccato nasconderli dentro!!!! Link al commento https://melius.club/topic/825-ear-834p-clone-diy-un-pre-phono-a-valvole-in-kit-con-enormi-potenzialit%C3%A0/page/42/#findComment-1069123 Condividi su altri siti Altre opzioni di condivisione...
lucaz78 Inviato 10 Gennaio 2024 Condividi Inviato 10 Gennaio 2024 @Stel1963 è vero,non costano poco, ho avuto la possibilità di prenderli su aliexpress beneficiando di qualche coupon, e per fortuna la dogana non li ha fermati. Spero che il potenziometro sia meglio dell'alps che ho trovato montato nella versione cinese del pre! Il problema sarà usare un buon cavetto schermato per i cablaggi dagli rca sul retro, al selettore sul frontale, e relativo ritorno all'input dietro la pcb. Non ho spazio per montare i potenziometri dietro mettendo una barra di rinvio. Link al commento https://melius.club/topic/825-ear-834p-clone-diy-un-pre-phono-a-valvole-in-kit-con-enormi-potenzialit%C3%A0/page/42/#findComment-1069139 Condividi su altri siti Altre opzioni di condivisione...
Stel1963 Inviato 10 Gennaio 2024 Autore Condividi Inviato 10 Gennaio 2024 Esempio pratico del suono dei condensatori. Sono mesi che sto lavorando su un pre con delle valvole particolari. Dei vecchi triodi anteguerra, che potenzialmente suonano benissimo, ma richiedono un approccio "diverso" in quanto sono microfonici e sopratutto strasensibili alle interferenze magnetiche ed elettriche esterne. (ronzano alla grande appena ti avvicini). Nell'ultimo mese, la problematica principale è stata un suono "freddo, algido" ed esaltato sulle medioalte, una immagine un po confusa, ma estesa. Un suono inaccettabile per un pre di riferimento, e anche piuttosto sgradevole se collegato al finale AYON e alle La Scala, e inoltre un suono completamente opposto alle aspettative su quei triodi, che dovrebbero avere un suono caldo e molto molto musicale. Essendo un prototipo, i condensatori di uscita messi sono economici. 1uF cinese, quelli rossi in foto sotto. Per caso domenica notte avevo un cavo schermato sottomano della lunghezza giusta, già cablato con due Jantzen neri in fondo, e lo ho sostituito velocemente in quanto quello sempre di recupero con i cinesi rossi era un poco corto. Mi sono risparmiato 2 saldature e 2 dissaldature....... Riattaccato, il suono era completamente cambiato!!!!! Bilanciato, pastoso, preciso ma un po velato e granuloso, cosa che prima non era! Con una immagine precisa seppur un poco piatta. Ora, seppur ancora inferiore alle aspettative, il pre è diventato "piacevolmente ascoltabile". Adesso mi tocca comprare 2 jantzen rossi (o simili bensuonanti) pure per un prototipo!!! Pur sapendolo, e scrivendolo ovunque, sono io stesso rimasto francamente stupito dalla differenza sonora originata dal cambio dei due condensatori di uscita. Enorme e macroscopica. Non userò mai più i cinesi rossi sul percorso del segnale, a meno di non avere qualche circuito carente sulle medioalte/alte (gamme 4k-8khz). E farò ancora più attenzione ai condensatori, anche sui prototipi.... ho perso quasi un mese a modificare resistenze e punti di lavoro alla ricerca di un suono accettabile quando invece erano 2 condensatori!!!! Link al commento https://melius.club/topic/825-ear-834p-clone-diy-un-pre-phono-a-valvole-in-kit-con-enormi-potenzialit%C3%A0/page/42/#findComment-1069144 Condividi su altri siti Altre opzioni di condivisione...
lucaz78 Inviato 10 Gennaio 2024 Condividi Inviato 10 Gennaio 2024 Ho qualche metro di questo: https://www.electronicsurplus.it/Cavo-schermato-1xAWG26-Kapton-Teflon-bianco-azzurro-argentato-2micron-,-space-cable Non sembra male anche se non è molto flessibile. Lo userò come "coassiale" per ogni canale, calza polo negativo e nucleo polo positivo. È sottile ma sembra ben schermato. Eventualmente avrei la possibilità di "racchiuderli " dentro una calza in rame come ulteriore schermatura,vedremo Link al commento https://melius.club/topic/825-ear-834p-clone-diy-un-pre-phono-a-valvole-in-kit-con-enormi-potenzialit%C3%A0/page/42/#findComment-1069147 Condividi su altri siti Altre opzioni di condivisione...
Stel1963 Inviato 10 Gennaio 2024 Autore Condividi Inviato 10 Gennaio 2024 6 minuti fa, lucaz78 ha scritto: Spero che il potenziometro sia meglio dell'alps che ho trovato montato nella versione cinese del pre! non è un Alps, ma una copia abbastanza ben fatta. Comunque l'originale non è malvagio... solo in quelli che ho provato io non precisamente bilanciato e regolare trai due canali. Usa un buon cavetto schermato. una andata e ritorno interna è comunque fonte di hum. MA considera comunque che il potenziometro è sull'uscita. Ti conveniva prendere un 10k anzichè il 50del kit, per abbassare ulteriormente l'impedenza di uscita, che è al massimo di 1/4 del valore del potenziometro a circa l'80-85% del giro, mentre negli altri punti è inferiore, ossia pari all'impedenza di uscita dal catodo della ecc83/82, quindi abbastanza bassa ma nell'ordine dei 900-1000k ad occhio, oltre l'85% della rotazione, mentre scende di brutto nel primo terzo ossia da ore 6 a ore 10. Non aspettarti modifiche timbriche se non minori, ossia sfumature (ma presenti e percepibili!). Ciò che suona sono condensatori e tipologia del circuito. LE resistenze hanno influenze minori. Link al commento https://melius.club/topic/825-ear-834p-clone-diy-un-pre-phono-a-valvole-in-kit-con-enormi-potenzialit%C3%A0/page/42/#findComment-1069158 Condividi su altri siti Altre opzioni di condivisione...
lucaz78 Inviato 10 Gennaio 2024 Condividi Inviato 10 Gennaio 2024 50 minuti fa, Stel1963 ha scritto: Usa un buon cavetto schermato. una andata e ritorno interna è comunque fonte di hum Quelli che ho indicato sopra,con il link, possono andare? Calza sul negativo e conduttore interno sul positivo, uno spezzone per ogni rca. Link al commento https://melius.club/topic/825-ear-834p-clone-diy-un-pre-phono-a-valvole-in-kit-con-enormi-potenzialit%C3%A0/page/42/#findComment-1069224 Condividi su altri siti Altre opzioni di condivisione...
Stel1963 Inviato 10 Gennaio 2024 Autore Condividi Inviato 10 Gennaio 2024 1 ora fa, lucaz78 ha scritto: Quelli che ho indicato sopra,con il link, possono andare? Calza sul negativo e conduttore interno sul positivo, uno spezzone per ogni rca. Quelli per uso aereospaziale sono cavi eccezionali, ed eterni. L'argento di rivestimento, quando si ossida, conduce ancora di più, al contrario del rame, quindi vanno bene anche sott'acqua (metti che vivi su una barca a vela!). Inoltre il teflon è un dialettrico eccezionale, che limita la capacità parassita del cavo. Hanno l'unico grosso difetto di essere sempre piuttosto rigidi. Ne ho vari tipi, oltre a suonare molto bene (ma i cavi suonano? O forse sono la loro capacità, induttanza e resistenza ossia l'impedenza che a fronte di elettroniche con capacità di uscita alte e ingressi bassi, basse correnti e piccoli operazionali o stadi non adeguati che pilotano, creano il fantomatico "suono dei cavi"?) hanno una reiezione dei disturbi incredibile. Di solito la calza è densissima, spesso al "99,qualcosa%" mentre i cavi hi fi non raggiungono il 98% per questione di costi, ma a causa di questo sono rigidi e poco flessibili. Essendo singoli ed interni comunque non credo ti serva flessibilità. Io li uso abbastanza nelle corse interne di ingresso, perchè se li ronza, viene amplificato. Ho risolto vari problemi di finali commerciali "rumoreggianti". Basta far passare dei cavi buoni e farli passare magari lontano da trasformatori o cavi che portano l'alternata, e l'hum scompare o si attenua moltissimo. Ricordo bene 2 Gabry's amp (uno con le el34 e uno con le kt150 in SE) che avevano il cavo di segnale dagli rca dietro fino al potenziometro davanti (un rimando in fase progettuale no eh?) fascettati al trasformatore di alimentazione insieme ai cavi di alimentazione. Su casse durette non si sentiva, ma su casse sopra i 98-99 db era un concerto a 60 e 120hz! Link al commento https://melius.club/topic/825-ear-834p-clone-diy-un-pre-phono-a-valvole-in-kit-con-enormi-potenzialit%C3%A0/page/42/#findComment-1069359 Condividi su altri siti Altre opzioni di condivisione...
Stel1963 Inviato 10 Gennaio 2024 Autore Condividi Inviato 10 Gennaio 2024 @lucaz78Pazzeschi i cinesi! Ci sono anche le copie cinesi dei prodotti originali cinesi! E costano logicamente un terzo! L'originale, placcato oro e stupendo E la copia, verniciata color oro e non marchiata EIZZ (ma sicuramente ben diversa dentro!) 1 Link al commento https://melius.club/topic/825-ear-834p-clone-diy-un-pre-phono-a-valvole-in-kit-con-enormi-potenzialit%C3%A0/page/42/#findComment-1069423 Condividi su altri siti Altre opzioni di condivisione...
lucaz78 Inviato 10 Gennaio 2024 Condividi Inviato 10 Gennaio 2024 @Stel1963 noto che nella "copia" hanno messo un attacco sulla vite posteriore, credo per metterlo a massa, che invece nel mio originale non è presente. e non credo ci sia neanche bisogno di isolarlo dallo chassis se non sbaglio. Forse la copia avrà addirittura una costruzione diversa^ l'originale è costruito con resistenze amtrans. Io ho preso il 50k. La copia...chissà! Link al commento https://melius.club/topic/825-ear-834p-clone-diy-un-pre-phono-a-valvole-in-kit-con-enormi-potenzialit%C3%A0/page/42/#findComment-1069452 Condividi su altri siti Altre opzioni di condivisione...
lucaz78 Inviato 10 Gennaio 2024 Condividi Inviato 10 Gennaio 2024 1 ora fa, Stel1963 ha scritto: Basta far passare dei cavi buoni e farli passare magari lontano da trasformatori o cavi che portano l'alternata nella mia versione del pre a due telai ho portato la DC nello chassis del preamplificatore, quindi non dovrei avere questo problema. Su un lato faccio correre i cavetti della dc, e sull'altro quelli del segnale dal retro al frontale, e viceversa. Link al commento https://melius.club/topic/825-ear-834p-clone-diy-un-pre-phono-a-valvole-in-kit-con-enormi-potenzialit%C3%A0/page/42/#findComment-1069458 Condividi su altri siti Altre opzioni di condivisione...
giulian27 Inviato 10 Gennaio 2024 Condividi Inviato 10 Gennaio 2024 Il 6/1/2024 at 16:08, Stel1963 ha scritto: Se non ricordo male è dato per 180pf, quindi dovresti essere giusto se esci con cavi originali del giradischi o con cavi a bassa impedenza. Okkio a non fare come fanno Ok grazie,si per ora uso i cavi del giradischi, ma sapendo quanta capacità ha l'ingresso uno si fa due conti e magari in futuro si possono fare modifiche, il suono mi è piaciuto da subito già con i componenti nel kit , secondo tè i jatzen standard da 1 uf sono già decenti o sono decisamente meglio i plus rossi , quelli blu li ho già a casa e una prova la farei , secondo dubbio ,i silmic sul catodo ho difficoltà a trovarli del giusto valore se li metto un po' più piccoli tipo 470 uf è un problema, a me già sembrano di valore quasi eccessivo. Link al commento https://melius.club/topic/825-ear-834p-clone-diy-un-pre-phono-a-valvole-in-kit-con-enormi-potenzialit%C3%A0/page/42/#findComment-1069510 Condividi su altri siti Altre opzioni di condivisione...
Stel1963 Inviato 11 Gennaio 2024 Autore Condividi Inviato 11 Gennaio 2024 Il 10/1/2024 at 15:46, giulian27 ha scritto: Ok grazie,si per ora uso i cavi del giradischi, ma sapendo quanta capacità ha l'ingresso uno si fa due conti e magari in futuro si possono fare modifiche, il suono mi è piaciuto da subito già con i componenti nel kit , secondo tè i jatzen standard da 1 uf sono già decenti o sono decisamente meglio i plus rossi , quelli blu li ho già a casa e una prova la farei , secondo dubbio ,i silmic sul catodo ho difficoltà a trovarli del giusto valore se li metto un po' più piccoli tipo 470 uf è un problema, a me già sembrano di valore quasi eccessivo. Gli standard sono un po opachi e velati. I blu dovrebbero essere ottimi! Se metti valori superiori meglio ancora, di Silmic ne ho regalati amezzo mondo, ma non ne ho quasi più (ne avevo comprati 200, li ho distribuiti come fossero caramelle, me ne restano 4. Non metterli pù piccoli, piuttosto i Black Gate o comunque condensatori buoni. Se li metti più piccoli, avvicini la rotazione di fase alla banda audio e impasti un poco i bassi. MEglio lasciare quello cinese er ora piuttosto che mettere la coperta corta. Poi cambialo, perchè di li passa il segnale. (si, esatto.... per quello la resistenza e il condensatore catodici sono sempre così importanti) Ti metto sotto le varie modifiche step by step in italiano, presi da Romy The Cat post originale http://www.romythecat.com/Forums/PrintPost.aspx?PostID=7513 La traduzione è un poco approssimativa, non ho tempo per fare meglio ``` Sembra che ci siano state alcune recenti revisioni . Conosco molte unità senza C2 e alcune hanno una resistenza aggiuntiva in serie all'uscita, presumibilmente per eliminare l'oscillazione con cavi eccessivamente capacitive. Il cambio di valvole e l'applicazione di alimentatori esterni regolati a valvole sono già stati discussi. Non entrerò nuovamente nei dettagli, consulta Melius per i dettagli e molte opinioni, specialmente sul cambio delle valvole. Proseguiamo ora con le modifiche per le quali è necessario saper usare un saldatore. Passo 1: ======= Sostituisci C1 e C7 con condensatori SCR/Angel/Mundorf/Audyn in Tinfoil & Polipropilene, NON con Hovelands (IMHO). I condensatori MIT/REL in polistirene & tinfoil o in tinfoil & polipropilene potrebbero essere altrettanto buoni o migliori, non li ho provati a fondo. Se non hai abbastanza soldi per i Tinfoils SCR menzionati sopra, prova i KP 1.72 di Arcotronics, che personalmente trovo piuttosto buoni. Se le tue opinioni differiscono dalle mie, usa i condensatori che suonano "giusti" per te, che siano TCC Visconol, Vitamin Q o Jensen PIO o anche Hoveland. Sono i tuoi soldi e il tuo stadio phono. Rimuovi C5, R6 e R7, quindi collega R7 con un pezzo di filo di alta qualità. Se vuoi essere sicuro di fermare eventuali tendenze all'oscillazione nel follower del catodo, posiziona una resistenza composta da carbonio da 100 Ohm da 1/4W nella posizione di R7. C5 e R6 rimangono omessi. Se desideri mantenere un ECC83 per V3, cambia R9 da 68K a 120K. Se prevedi di cambiare il V3 con un 12AU7/ECC82 o almeno un 12AT7/ECC81, lascialo com'è come valore. Se C3 e C4 sono già in mica argentata (erano presenti in alcune unità che ho incontrato), lasciali come sono. In caso contrario, cerca unità NOS di mica argentata non magnetica di buona qualità, con tolleranza dell'1% per sostituirli. Se C2 è presente e trovi che il suono dell'unità è un po' troppo rilassato, forse carente in definizione ed estensione delle frequenze molto alte, rimuovilo. Personalmente, mi piace molto di più il suono senza C2. Di nuovo, altre persone preferiscono altri condensatori, fai la tua scelta, ma PER FAVORE non mettere là dentro qualche "Wima MKP selezionato" o cose del genere. I condensatori RIAA sono tra i più critici dal punto di vista sonico in qualsiasi stadio phono, quindi non tratarli come un pensiero secondario, ma come la cosa principale. Niente risparmi. I condensatori DEVONO avere una tolleranza dell'1% o meglio (più bassa) e idealmente una corrispondenza migliore dello 0,5% tra i canali. Personalmente preferisco la mica argento (non magnetica), poi il tinfoil & polistirene a pari merito con le unità magnetiche di mica argentata. I normali condensatori di polistirene con foglio di alluminio di costruzione estesa sono un altro grande passo indietro, gli styroflex generici sono piuttosto brutti e il polipropilene & alluminio sono completamente inutili, ma questa è solo la mia opinione personale. Passo 2: ======= Sostituisci C6 con Elna Silmic 100uF/6.3V o, se necessario, Black Gate 100uF/6.3V. Si possono utilizzare anche i Sanyo Os-Con della serie SG, ma personalmente non mi piace né il tono degli Os-Con né dei BG, suonano un po' taglienti, incisi e aggressivi A MIO PARERE. Di nuovo, sono i tuoi soldi e la tua unità. Alcune persone apprezzano molto i BG sul catodo. Vedi tu. Passo 3: ======= Cambia C8 e C9 con elettrolitici di valore maggiore, di buon suono e conoscuti. Sarei tentato di specificare almeno 100uF/385V Nippon Chemi Con (a guide radiali), questi saranno una "stretta" notevole. Trova anche un modo per bypassarli con almeno 0,47uF Wima MKP04 o meglio (di nuovo, un'operazione stretta). Potresti usare di nuovo i Black Gates o gli Elna Cerafine, se li trovi. A me piacciono abbastanza i Cerafines, ma i Black Gates non mi piacciono molto. Se costruissi un'altra unità da zero, userei una coppia di Ansar Supersound 32uF + 32uF 400V, ma sono lunghi 4" e hanno un diametro di 2,5", non c'è modo di farli entrare nel case originale di EAR. E costano circa 50 dollari ciascuno.... ;-) Sono disponibili da Cricklewood Electronics a Londra, devi inviare loro una e-mail per i dettagli. http://www.cricklewoodelectronics.com/ Se modifichi un'unità esistente mantenendo l'alimentazione a bordo, cambia D1 e D2 con tipi di commutazione morbida e veloci e posiziona una resistenza da 100 Ohm 2W tra il secondoario dell'alimentatore HT e i diodi. In un'unità costruita da zero, userei effettivamente un trasformatore di rete da 240-0-240V e un raddrizzatore a valvole (6X4/EZ90 o 6CA4/EZ80/EZ81) e farei due alimentazioni elettricamente indipendenti, con il binario HT nell'EAR suddiviso tra i canali, in modo che C8 e C9 si raddoppiassero, R13 si raddoppiasse ma si cambiasse a 200/220K per canale e R14 si raddoppiasse ma si cambiasse a 20/22K per canale. I trasformatori e i raddrizzatori appartengono davvero a un telaio separato, quindi C10 in poi sono fuori scheda, consiglierei per canale una catena di filtri usando 3 pezzi ciascuno di resistenze da 510 Ohm e 3 ciascuno di condensatori elettrolitici assiali da 47uF/450V Nippon Chemic Con (Radioshack negli Stati Uniti li vende) o meglio per questo scopo. Naturalmente, tale unità esterna può essere aggiunta a un EAR originale e l'HT PUÒ essere suddiviso lì come dettagliato sopra se l'alimentazione originale viene rimossa per fare spazio. Per me, un tale alimentatore suona molto meglio su praticamente tutti gli aspetti rispetto all'originale. Ho provato sia un alimentatore completamente diviso (due trasformatori e tutto separato da lì in poi) che alimentatori "semi" Dual Mono che hanno un trasformatore e un raddrizzatore comuni e si dividono dopo questo punto. Ho scoperto (non solo per l'EAR e altri stadi phono) che se esiste solo un'alimentazione principale, la disposizione originariamente utilizzata nell'EAR è la migliore. Se hai due alimentatori completamente separati, riporta le due masse vicino all'ingresso, a massa del segnale e suddividi il binario PSU come discusso sopra, facendo attenzione a restituire il lato negativo dei secondi condensatori aggiunti direttamente al punto in cui il condensatore originale è collegato. Passo 4: ======= Colloca una resistenza da 1 Ohm 2W tra il bobinato LT e il ponte diodi D3, idealmente sostituisci D3 con diodi Schottky individuali. Ciò ridurrà la tensione LT. Se è già intorno a 34V, puoi lasciare R16 (33R) così com'è, altrimenti regola il valore finché non ottieni 34V su tutti i riscaldatori insieme. Poiché i riscaldatori sono in serie nell'EAR 834P originale, è essenziale, se si "tuberolla", fare ASSOLUTAMENTE CERTO che le valvole usate abbiano valori di riscaldatore identici. Alcune valvole di qualità speciale hanno consumi di corrente più alti e quindi non dovrebbero essere utilizzate nell'EAR. Passo 5: ======= Per gli ultimi dettagli, prova a cambiare le resistenze. Concordo sul fatto che ora siamo seriamente ai margini, ma trovo ancora cambiamenti sostanziali nel suono con cambiamenti nelle resistenze. Quelle con il maggior impatto sono: R1 R2 R12 Anche la resistenza in serie all'uscita, se montata, è stata segnalata come piuttosto critica. Anche con un'influenza notevole sono: R3 R8 R9 R10 È probabile che sentirai anche piccoli cambiamenti dalle altre resistenze rimanenti, ma saranno piuttosto piccoli. A seconda del "tono" desiderato, usa ciò che ti piace, Vishay/Caddock per i dettagli, Allan Bradley (devono essere ciclati in temperatura nel forno per stabilizzare il loro valore e quindi selezionati successivamente, R2 e R12 sono critici per il valore) per un suono caldo e vintage o Kiwame per un suono quasi accoglientemente caldo ma leggermente più moderno, Rhopoint non induttivo di precisione filoavvolto per un suono "neutro", ma purtroppo i Rhopoints non sono disponibili in 750k. Immagino che io stesso userei Caddock/Vishay per R12 e Rhopoint per il resto. Passo 6: ======= Se hai la versione MM/MC, bypassa gli Stepups interni e la commutazione. Su tutte le versioni potresti scoprire che connettori RCA di qualità superiore (Cardas sarebbe la mia scelta) potrebbero migliorare ulteriormente il suono. Come Stepup MC, al momento consiglierei il Stevens & Billington TX103, a seconda delle esigenze della tua configurazione della testina, per uno Stepup 1:10 o 1:5. Il rapporto Stepup più basso è preferibile se la tua puntina ha un'uscita sufficiente. La S&B TX 103 rispetto all'EAR è stata già discussa qui in precedenza, non c'è bisogno di entrare in ulteriori dettagli. Ricevi i trasformatori grezzi e cablali, finiti. I miei sono ancora senza custodia, solo trasformatori grezzi con code di fili. Spero che queste informazioni siano utili a qualcuno, apprezzo i feedback da coloro che hanno fatto le modifiche e ricorda, YMMV, qui sono presentate idee, scelte di parti e procedure che hanno senso per me, potrebbero essere il polo opposto da ciò che piace a te. Detto questo, un EAR 834P adeguatamente modificato o costruito da zero con una coppia di Stevens & Billington TX-103 fornirà prestazioni eccezionali per l'investimento finale e probabilmente metterà in imbarazzo alcuni dei costi più elevati diffusi nel settore dell'alta fedeltà. ``` Link al commento https://melius.club/topic/825-ear-834p-clone-diy-un-pre-phono-a-valvole-in-kit-con-enormi-potenzialit%C3%A0/page/42/#findComment-1071223 Condividi su altri siti Altre opzioni di condivisione...
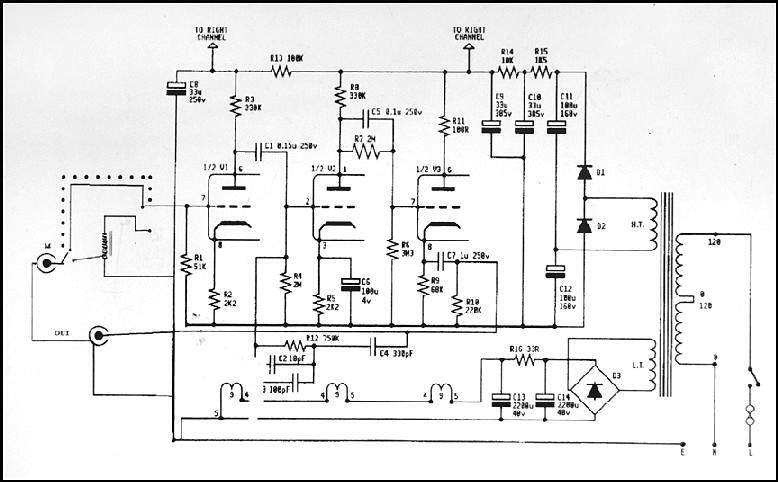
Stel1963 Inviato 12 Gennaio 2024 Autore Condividi Inviato 12 Gennaio 2024 Il 10/1/2024 at 15:46, giulian27 ha scritto: econdo dubbio ,i silmic sul catodo ho difficoltà a trovarli del giusto valore se li metto un po' più piccoli tipo 470 uf è un problema, a me già sembrano di valore quasi eccessivo. Scusa ma.... i silmic sul catodo sono da 100uf.... dove hai letto più di 470uf? Ci sono due versioni, quella originale , come viene il kit, con 220uf, mentre la abartizzata con 100uf elna silmic parallelato da 1uf di qualità. Ma questo richiede che tu elimini C4, R14 ed R7, e metta al posto del tutto una resistenza da 100R. A che schema ti rifai? al primo, l'originale cinese ed EAR, o al secondo, quello moddato? Gli schemi in questione sono qui... : Mentre lo schema di Romy The cat, citato nel post prima , eè qui sotto. Link al commento https://melius.club/topic/825-ear-834p-clone-diy-un-pre-phono-a-valvole-in-kit-con-enormi-potenzialit%C3%A0/page/42/#findComment-1071228 Condividi su altri siti Altre opzioni di condivisione...
Messaggi raccomandati
Crea un account o accedi per lasciare un commento
Devi essere un membro per lasciare un commento
Crea un account
Iscriviti per un nuovo account nella nostra community. È facile!
Registra un nuovo accountAccedi
Sei già registrato? Accedi qui.
Accedi Ora