Giopal Inviato 7 Luglio 2023 Condividi Inviato 7 Luglio 2023 @ferdydurke non l ho costruito io. l ho preso finito. non sono capace di verificare quanto mi hai suggerito. grazie comunque. Link al commento https://melius.club/topic/825-ear-834p-clone-diy-un-pre-phono-a-valvole-in-kit-con-enormi-potenzialit%C3%A0/page/45/#findComment-891156 Condividi su altri siti Altre opzioni di condivisione...
lucaz78 Inviato 8 Luglio 2023 Condividi Inviato 8 Luglio 2023 @Giopal io ho preso una versione simile alla tua (come scheda) ma in 2 telai con potenziometro. La sto testando in questi giorni, e mi sto preparando a fare delle modifiche cambiando i componenti "chiave" come indicato in questa guida. https://it.aliexpress.com/item/1005004441871559.html?spm=a2g0o.order_list.order_list_main.23.1c1f3696l26Alq&gatewayAdapt=glo2ita Ho montato 3 valvole JJ ECC803S gold. è silenziosissimo, anche a volume massimo. Nessun problema. Controlla bene anche i cavi rca, potrebbe dipendere anche da un collegamento. Altrimenti prova a contattare il venditore... Link al commento https://melius.club/topic/825-ear-834p-clone-diy-un-pre-phono-a-valvole-in-kit-con-enormi-potenzialit%C3%A0/page/45/#findComment-891235 Condividi su altri siti Altre opzioni di condivisione...
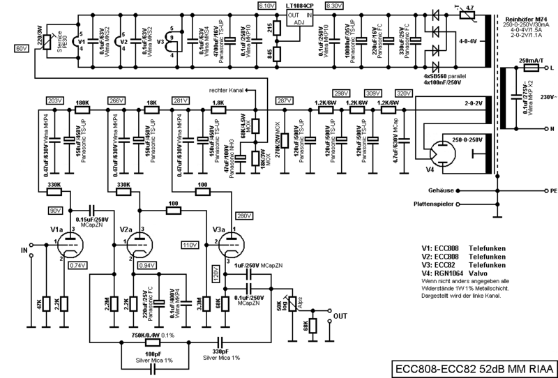
lucaz78 Inviato 9 Luglio 2023 Condividi Inviato 9 Luglio 2023 Buongiorno a tutti Sto studiando la lista dei componenti/modifiche da apportare alla versione "base", sia su lencoheaven che su questo thread, e mi vorrei soffermare su quello che riguarda la parte RIAA della scheda. Forse mi sono perso qualcosa ma su lencoheaven sono indicate alcune piccole modifiche non menzionate in questa discussione, per le quali se @Stel1963 oppure @Marco Angelozzi o chi ha costruito il pre mi aiutano a capire gli sarei grato. In pratica, oltre a sostituire i condensatori con silver mica da 100pf e 300pf (330 indicato nella scheda), montare una resistenza da 790k (750 nella scheda), e cambiare i condensatori da 100uf con Elna Silmic 2, sul forum lencoheaven sono indicate anche le seguenti modifiche, che non riesco a trovare in questo thread: - rimuovere le resistenze 2M e 3M3 - sostituire il condensatore da 0,1uf con una resistenza al carbone da 100ohm 1/4w (non saprei quale tipo/marca scegliere) - sostituire la seconda resistenza da 2M (sopra quella da 2,2k) con 680K nel caso si usino valvole NOS. La prima foto inserita è del mio pre già montato in attesa dei componenti da sostituire, la seconda è presa da lencoheaven con le modifiche già effettuate. Quelli cerchiati di rosso sono i componenti descritti sopra. Se per favore qualcuno mi conferma (o smentisce) che questa è la strada giusta, mi metto alla ricerca dei componenti necessari. Link al commento https://melius.club/topic/825-ear-834p-clone-diy-un-pre-phono-a-valvole-in-kit-con-enormi-potenzialit%C3%A0/page/45/#findComment-892174 Condividi su altri siti Altre opzioni di condivisione...
Marco Angelozzi Inviato 10 Luglio 2023 Condividi Inviato 10 Luglio 2023 @lucaz78 @lucaz78 ciao, Premetto che tutto quello che ho fatto l’ho appreso da @Steel. Ciò detto ho lasciato sia il condensatore da 0,1 che le resistenze da 2M e 3,3M sia nel muletto che nel successivo. Mi trovo molto bene Link al commento https://melius.club/topic/825-ear-834p-clone-diy-un-pre-phono-a-valvole-in-kit-con-enormi-potenzialit%C3%A0/page/45/#findComment-893863 Condividi su altri siti Altre opzioni di condivisione...
MisterRN Inviato 16 Luglio 2023 Condividi Inviato 16 Luglio 2023 Ciao a tutti Ciao @Stel1963 Finalmente pubblico il mio EAR834P DIY costruito con molta calma questo inverno nei ritagli del poco tempo libero a disposizione. Non ho formazione elettronica, quel pochissimo che conosco della materia l'ho appreso negli anni da autodidatta leggendo forum come questo legati al mondo DIY audio, ma con strumenti e schemi chiari riesco a tirar fuori qualcosa. Questo è il primo ed unico prephono che possiedo quindi non posso fare confronti con altri pre, ma facendolo ascoltare ad amici con più esperienza ed "orecchio" ne sono rimasti entusiasti. Nella costruzione del pre ho seguito suggerimenti ed info di Stel e LencoHeaven sostituendo vari componenti ma senza estremizzare la parte alimentazione. Attualmente in V1 JJ803S Gold V2 e V3 JJ83S Gold. Allego qualche foto, siate clementi! Saluti da Rimini 2 Link al commento https://melius.club/topic/825-ear-834p-clone-diy-un-pre-phono-a-valvole-in-kit-con-enormi-potenzialit%C3%A0/page/45/#findComment-899407 Condividi su altri siti Altre opzioni di condivisione...
lucaz78 Inviato 16 Luglio 2023 Condividi Inviato 16 Luglio 2023 @MisterRN se lo hai già testato dicci cosa ne pensi. E se ti ricordi ,mi diresti dove hai preso il dissipatore montato sul ponte dell'alimentatore? Link al commento https://melius.club/topic/825-ear-834p-clone-diy-un-pre-phono-a-valvole-in-kit-con-enormi-potenzialit%C3%A0/page/45/#findComment-899462 Condividi su altri siti Altre opzioni di condivisione...
gyrosme Inviato 16 Luglio 2023 Condividi Inviato 16 Luglio 2023 Perché clementi? Non c'è n'è bisogno, mi sembra un bellissimo lavoro... Link al commento https://melius.club/topic/825-ear-834p-clone-diy-un-pre-phono-a-valvole-in-kit-con-enormi-potenzialit%C3%A0/page/45/#findComment-899464 Condividi su altri siti Altre opzioni di condivisione...
lucaz78 Inviato 16 Luglio 2023 Condividi Inviato 16 Luglio 2023 Io invece ho un piccolo problema, vediamo se qualcuno mi può aiutare: Sto impazzendo per trovare le giuste resistenze che regolano l'assorbimento di V3. Se ho capito bene si consiglia del tipo carbon film, ma nei soliti negozi dove ordino non riesco a trovare niente da 3 watt . Una kiwame da 2 watt non sarebbe sufficiente allo scopo o serve necessariamente da 3 watt? Link al commento https://melius.club/topic/825-ear-834p-clone-diy-un-pre-phono-a-valvole-in-kit-con-enormi-potenzialit%C3%A0/page/45/#findComment-899490 Condividi su altri siti Altre opzioni di condivisione...
MisterRN Inviato 16 Luglio 2023 Condividi Inviato 16 Luglio 2023 @lucaz78 Ciao Il dissipatore lo comprai diversi anni fa ad una fiera dell’elettronica, teoricamente era nato per raffreddare le GPU, l’ho adattato al ponte tagliato e filettato per la vite di fissaggio interponendo pasta termica. Puoi cercare un dissipatore per vecchie CPU o GPU da un riparatore o amico smanettone di PC e fare un lavoro simile a costo zero al max qualche € Link al commento https://melius.club/topic/825-ear-834p-clone-diy-un-pre-phono-a-valvole-in-kit-con-enormi-potenzialit%C3%A0/page/45/#findComment-899501 Condividi su altri siti Altre opzioni di condivisione...
ferdydurke Inviato 16 Luglio 2023 Condividi Inviato 16 Luglio 2023 @MisterRN Complimenti, ottimo lavoro! Link al commento https://melius.club/topic/825-ear-834p-clone-diy-un-pre-phono-a-valvole-in-kit-con-enormi-potenzialit%C3%A0/page/45/#findComment-899502 Condividi su altri siti Altre opzioni di condivisione...
MisterRN Inviato 16 Luglio 2023 Condividi Inviato 16 Luglio 2023 @gyrosme Ciao Grazie ! In campo DIY elettronica audio ho ben poca esperienza ma per il resto dicono che ho una gran manualità tecnico–meccanica e cerco di fare sempre il max possibile. Link al commento https://melius.club/topic/825-ear-834p-clone-diy-un-pre-phono-a-valvole-in-kit-con-enormi-potenzialit%C3%A0/page/45/#findComment-899504 Condividi su altri siti Altre opzioni di condivisione...
MisterRN Inviato 16 Luglio 2023 Condividi Inviato 16 Luglio 2023 @ferdydurke Grazie ! Link al commento https://melius.club/topic/825-ear-834p-clone-diy-un-pre-phono-a-valvole-in-kit-con-enormi-potenzialit%C3%A0/page/45/#findComment-899508 Condividi su altri siti Altre opzioni di condivisione...
walge Inviato 16 Luglio 2023 Condividi Inviato 16 Luglio 2023 @lucaz78 nello schema quale è? Se è quella da 200 k i 2 watt vanno bene come per le altre le correnti in gioco sono piccole W Link al commento https://melius.club/topic/825-ear-834p-clone-diy-un-pre-phono-a-valvole-in-kit-con-enormi-potenzialit%C3%A0/page/45/#findComment-899743 Condividi su altri siti Altre opzioni di condivisione...
lucaz78 Inviato 17 Luglio 2023 Condividi Inviato 17 Luglio 2023 8 ore fa, walge ha scritto: nello schema quale è? nello schema se ho capito bene è R6 (schema originale nella prima pagina del thread) da 68k. Poi nella guida viene indicato di cambiarla con 22k se si usa una ecc82 in V3 oppure 120k per una ecc83. Io probabilmente proverò a montare una JJ ecc802s in V3, e avrei una coppia di kiwame da 22k 2 watt ma non so se siano adatte. Link al commento https://melius.club/topic/825-ear-834p-clone-diy-un-pre-phono-a-valvole-in-kit-con-enormi-potenzialit%C3%A0/page/45/#findComment-899915 Condividi su altri siti Altre opzioni di condivisione...
walge Inviato 17 Luglio 2023 Condividi Inviato 17 Luglio 2023 @lucaz78 2 w Sono adatte 1 Link al commento https://melius.club/topic/825-ear-834p-clone-diy-un-pre-phono-a-valvole-in-kit-con-enormi-potenzialit%C3%A0/page/45/#findComment-899952 Condividi su altri siti Altre opzioni di condivisione...
Messaggi raccomandati
Crea un account o accedi per lasciare un commento
Devi essere un membro per lasciare un commento
Crea un account
Iscriviti per un nuovo account nella nostra community. È facile!
Registra un nuovo accountAccedi
Sei già registrato? Accedi qui.
Accedi Ora