goldrake744 Inviato 18 Aprile 2021 Condividi Inviato 18 Aprile 2021 Ciao a tutti, per una serie di motivi ho un amplificatore Conrad Johnson fermo in soffitta da circa 15 anni. Volevo provarlo se ancora funziona, per non dargli subito una botta di corrente pensavo di usare un variac per farlo accendere lentamente... È corretto? Se si come si usa il variac in questo caso? Grazie Link al commento https://melius.club/topic/1347-variac-per-testare-amplificatore-a-valvole-spento-da-15-anni-come-si-usa/ Condividi su altri siti Altre opzioni di condivisione...
madero Inviato 18 Aprile 2021 Condividi Inviato 18 Aprile 2021 si, è corretto.Io per le mie radio a valvole parto da una tensione molto bassa, circa 30 volts, e la mantengo per un po'. Poi salgo per steps successivi, a 60 (spesso sono radio a 110 volts) si comincia a sentire la bassa tensione e a volte un forte hum se il condensatore di filtro è in cattive condizioni. Dopo passo a 90 e poi a 110. La cosa dura parecchio tempo, non so se strettamente necessario, non credo faccia male. I primi minuti dopo esser salito di tensione controllo a vista che non ci siano problemi ( resistenze che si cuociono, condensatori che si sciolgono), poi la lascio andare. Ovviamente dai un carico all'amplificatore che sia un paio di casse o resistenze di valore appropiato 1 Link al commento https://melius.club/topic/1347-variac-per-testare-amplificatore-a-valvole-spento-da-15-anni-come-si-usa/#findComment-48262 Condividi su altri siti Altre opzioni di condivisione...
goldrake744 Inviato 19 Aprile 2021 Autore Condividi Inviato 19 Aprile 2021 @madero mille grazie. Sabato o domenica provo come hai detto osservando il comportamento. Qua si impara sempre qualcosa 😁! Link al commento https://melius.club/topic/1347-variac-per-testare-amplificatore-a-valvole-spento-da-15-anni-come-si-usa/#findComment-48419 Condividi su altri siti Altre opzioni di condivisione...
Ultima Legione @ Inviato 19 Aprile 2021 Condividi Inviato 19 Aprile 2021 . Con tutte le accortezze di sicurezza del caso, lo start-up con il Variac fallo a chassis spolverato e pulito, aperto e ben illuminato. . I condensatori elettrolitici che sono gli elementi elettronici più sensibili al degrado del tempo, prima di morire con il classico botto, per pochissimo si gonfiano e fumano, permettendo di intervenire per danni peggiori, disalimentando tutto. . Un paio di occhiali di protezione sono cosa buona e giusta.🤓 2 Link al commento https://melius.club/topic/1347-variac-per-testare-amplificatore-a-valvole-spento-da-15-anni-come-si-usa/#findComment-48426 Condividi su altri siti Altre opzioni di condivisione...
arcdb Inviato 19 Aprile 2021 Condividi Inviato 19 Aprile 2021 Puoi mettere in serie delle lampadine ad incandescenza per limitare la corrente se non hai un variac. 2 Link al commento https://melius.club/topic/1347-variac-per-testare-amplificatore-a-valvole-spento-da-15-anni-come-si-usa/#findComment-48463 Condividi su altri siti Altre opzioni di condivisione...
madero Inviato 19 Aprile 2021 Condividi Inviato 19 Aprile 2021 @Ultima Legione @ ottime precisazioni 1 Link al commento https://melius.club/topic/1347-variac-per-testare-amplificatore-a-valvole-spento-da-15-anni-come-si-usa/#findComment-48669 Condividi su altri siti Altre opzioni di condivisione...
M.B. Inviato 19 Aprile 2021 Condividi Inviato 19 Aprile 2021 6 ore fa, arcdb ha scritto: Puoi mettere in serie delle lampadine ad incandescenza per limitare la corrente se non hai un variac. Concordo. E per chi non sapesse come fare... http://air-radiorama.blogspot.com/2018/05/attenuatore-bulbo-lampadina.html?m=1 1 Link al commento https://melius.club/topic/1347-variac-per-testare-amplificatore-a-valvole-spento-da-15-anni-come-si-usa/#findComment-48893 Condividi su altri siti Altre opzioni di condivisione...
goldrake744 Inviato 19 Aprile 2021 Autore Condividi Inviato 19 Aprile 2021 @Ultima Legione @ @arcdb @M.B. grazie molte per le accortezze necessarie! Farò sapere come andrà! Link al commento https://melius.club/topic/1347-variac-per-testare-amplificatore-a-valvole-spento-da-15-anni-come-si-usa/#findComment-49748 Condividi su altri siti Altre opzioni di condivisione...
stefanino Inviato 30 Aprile 2021 Condividi Inviato 30 Aprile 2021 il sistema lampadine ha dei limiti il valore della resistenza (che dipende dal wattaggio) e' sostanzialmente fisso quindi quando attacco la botta viene smorzata ma appena i condensaori cominciano a caricarsi la caduta sulla lampadina scende e parimenti cresce rapidamente la tensione ai capi delle alimentazioni che si stabilizzerranno in funzione dell'assorbimento a vuoto dell'oggetto e , appunto, dalla resistenza della lapadina. Per fare una cosa sensata bisognerebbe avere dibìverse lampadine da 2-5 watt (forno) 10-15 watt (frigo) 20-30 watt (abat jour), 60--100 watt (lampadario) In sintesi poco pratico e molto poco preciso. . senza andare a ordinare apposta un variac si va su amazon (o in discarica) e si prende un variatore per ventilatori a soffitto di quelli con il selettore a scatti Di solito reggono fino a 60/100 watt (difficile un ampli assorba molto di piu a vuoto a meno di ampli in classe A) Quello della "vortice" che ho recuperato in discarica ha 5 posizioni, circa 90 volts fino a tensione piena. https://www.amazon.it/Vortice-5canali-controller-velocità-ventola/dp/B00651IBUE/ref=asc_df_B00651IBUE/?tag=googshopit-21&linkCode=df0&hvadid=345761623679&hvpos=&hvnetw=g&hvrand=16918428686892889918&hvpone=&hvptwo=&hvqmt=&hvdev=c&hvdvcmdl=&hvlocint=&hvlocphy=20564&hvtargid=pla-565065753497&psc=1 Link al commento https://melius.club/topic/1347-variac-per-testare-amplificatore-a-valvole-spento-da-15-anni-come-si-usa/#findComment-64295 Condividi su altri siti Altre opzioni di condivisione...
M.B. Inviato 30 Aprile 2021 Condividi Inviato 30 Aprile 2021 2 ore fa, stefanino ha scritto: Per fare una cosa sensata bisognerebbe avere dibìverse lampadine da 2-5 watt (forno) 10-15 watt (frigo) 20-30 watt (abat jour), 60--100 watt (lampadario) Era ciò che avevo suggerito postando questo link: http://air-radiorama.blogspot.com/2018/05/attenuatore-bulbo-lampadina.html?m=1 P.S. Credo che in tutte le case italiane, a seguito della sostituzione con quelle a risparmio energetico, ci siano lampadine ad incandescenza di varia potenza in abbondanza. Link al commento https://melius.club/topic/1347-variac-per-testare-amplificatore-a-valvole-spento-da-15-anni-come-si-usa/#findComment-64490 Condividi su altri siti Altre opzioni di condivisione...
Ultima Legione @ Inviato 1 Maggio 2021 Condividi Inviato 1 Maggio 2021 . Bhé ragazzi, ottime precisazioni........peró tutto sommato per chi vuole avere gli ovvi vantaggi di un Variac propriamente detto, con meno di 50,00 euro su Amazon (link) se ne acquista uno monofase ben fatto da 1 KVA e per chi smanetta prova e ripara é una manna dal cielo oltre che un sano approccio anche al DIY. . . Link al commento https://melius.club/topic/1347-variac-per-testare-amplificatore-a-valvole-spento-da-15-anni-come-si-usa/#findComment-65262 Condividi su altri siti Altre opzioni di condivisione...
Fischio976 Inviato 1 Maggio 2021 Condividi Inviato 1 Maggio 2021 😁 Se la domanda la fai a Gugol vedi cosa ti esce --😁 Link al commento https://melius.club/topic/1347-variac-per-testare-amplificatore-a-valvole-spento-da-15-anni-come-si-usa/#findComment-65528 Condividi su altri siti Altre opzioni di condivisione...
corrado Inviato 1 Maggio 2021 Condividi Inviato 1 Maggio 2021 @Ultima Legione @ domanda probabilmente stupida, quello da te linkato può essere usato come trasformatore di isolamento? Link al commento https://melius.club/topic/1347-variac-per-testare-amplificatore-a-valvole-spento-da-15-anni-come-si-usa/#findComment-65974 Condividi su altri siti Altre opzioni di condivisione...
goldrake744 Inviato 1 Maggio 2021 Autore Condividi Inviato 1 Maggio 2021 @stefanino Grazie, io in discarica non ho mai trovato mai nulla di buono.... @M.B. grazie, lampade almeno a casa mia sono state buttate. Però forse in soffitta ne ho di colorate.. @Ultima Legione @ grazie, forse per quei soldi mi conviene prenderlo... @Fischio976 @corrado ho guardato le caratteristiche, la risposta è no. Se spendi di più ci sono modelli che hanno quella funzione Link al commento https://melius.club/topic/1347-variac-per-testare-amplificatore-a-valvole-spento-da-15-anni-come-si-usa/#findComment-66024 Condividi su altri siti Altre opzioni di condivisione...
arcdb Inviato 1 Maggio 2021 Condividi Inviato 1 Maggio 2021 Starei bene alla larga da questi prodotti dalla dubbia sicurezza. Ha il fusibile di protezione e non un interruttore automatico, la terra la devi collegare tu a parte e non sarà nemmeno isolato dalla rete. Link al commento https://melius.club/topic/1347-variac-per-testare-amplificatore-a-valvole-spento-da-15-anni-come-si-usa/#findComment-66076 Condividi su altri siti Altre opzioni di condivisione...
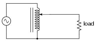
Ultima Legione @ Inviato 1 Maggio 2021 Condividi Inviato 1 Maggio 2021 1 ora fa, corrado ha scritto: domanda probabilmente stupida, quello da te linkato può essere usato come trasformatore di isolamento? . Le domande posso avere una risposta a volte ovvia, ma non sono mai stupide.😄😄 . I Variac, per la circostanza che hanno l'avvolgimento Secondario sul quale si "intercetta" la Tensione regolabile di uscita esattamente coincidente con l'avvolgimento Primario attaccato alla rete di alimentazione e mancando quindi della necessaria discontinuitá galvanica, NON possono essere assimilati in alcun modo ai Trasformatori di Isolamento che invece hanno due avvolgimenti distinti e separati e sono tra loro isolati galvanicamente. . . . Link al commento https://melius.club/topic/1347-variac-per-testare-amplificatore-a-valvole-spento-da-15-anni-come-si-usa/#findComment-66120 Condividi su altri siti Altre opzioni di condivisione...
goldrake744 Inviato 1 Maggio 2021 Autore Condividi Inviato 1 Maggio 2021 @corrado Il Variac, non disponendo di un secondario, è un autotrasformatore non isolato galvanicamente dalla tensione di rete, pertanto dovete sapere che state lavorando a diretto contatto con un potenziale pericolo. Va anche detto che la stessa mancanza dell’isolamento galvanico implica la certezza che, con tensioni superiori a 50 volt, in caso di guasto sul circuito di prova intervenga l’interruttore differenziale del vostro impianto. A prescindere da ciò, è importante essere ben coscienti di una cosa: lavorare con la tensione di rete è SEMPRE pericoloso se non si adottano tutte le misure di sicurezza. Non è un gioco, e se pensate che lo sia, ricordate che la posta in palio potrebbe essere la vostra stessa vita. Link al commento https://melius.club/topic/1347-variac-per-testare-amplificatore-a-valvole-spento-da-15-anni-come-si-usa/#findComment-66240 Condividi su altri siti Altre opzioni di condivisione...
corrado Inviato 1 Maggio 2021 Condividi Inviato 1 Maggio 2021 Pensavo che il variac fosse un trasformatore con secondario variabile invece sembra più un reostato. Link al commento https://melius.club/topic/1347-variac-per-testare-amplificatore-a-valvole-spento-da-15-anni-come-si-usa/#findComment-66381 Condividi su altri siti Altre opzioni di condivisione...
Messaggi raccomandati
Crea un account o accedi per lasciare un commento
Devi essere un membro per lasciare un commento
Crea un account
Iscriviti per un nuovo account nella nostra community. È facile!
Registra un nuovo accountAccedi
Sei già registrato? Accedi qui.
Accedi Ora