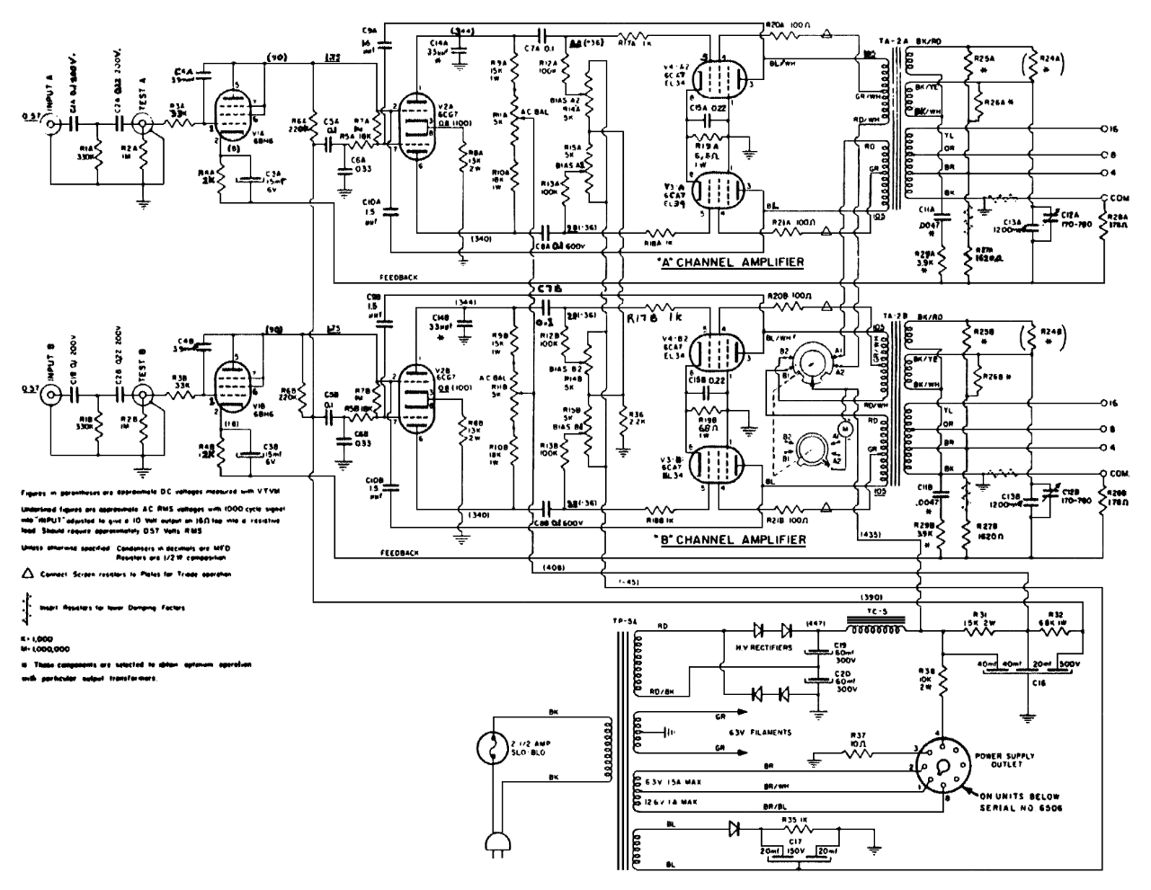
Le migliori EL34 che abbiate mai ascoltato.
-
83 Diffusori significativi degli anni ‘60
-
1. Quali tra questi diffusori degli anni '60 ritieni più significativi?
-
Acoustic Research AR-3a
-
Altec Lansing 604 Duplex
-
B&W DM70 Continental
-
Bose 901
-
Bozak B-410 Concert Grand
-
Celestion Ditton 66
-
IMF Professional Monitor
-
JBL 4343 Studio Monitor
-
JBL L100 Century
-
KLH Model Five
-
KLH Model Nine
-
Klipsch Cornwall
-
Klipsch Klipschorn
-
Lowther PM6 in Acousta enclosure
-
Quad ESL-57
-
Spendor BC1
-
Tannoy Monitor Gold 15
-
Wharfedale W90
-
- Si prega di accedere o registrarsi per votare a questo sondaggio.
- Visualizza topic
-
-
Notizie
-
-
Badge Recenti
-
max ha ottenuto un badge
Reputazione
-
Forest ha ottenuto un badge
Membro Attivo
-
Velvet ha ottenuto un badge
Grande Supporto
-
Mike Mike ha ottenuto un badge
Membro Attivo
-
lamm ha ottenuto un badge
Membro Attivo
-

Messaggi raccomandati
Crea un account o accedi per lasciare un commento
Devi essere un membro per lasciare un commento
Crea un account
Iscriviti per un nuovo account nella nostra community. È facile!
Registra un nuovo accountAccedi
Sei già registrato? Accedi qui.
Accedi Ora