max Inviato 29 Febbraio 2024 Condividi Inviato 29 Febbraio 2024 1 ora fa, Ligo ha scritto: Quale scopo ha per te verificare "se e come sono stati curati i difetti scientificamente intrinseci alla conversione analogico digitale" se: - Non importa se ha impatto sulle misure perché non contano ti sarei grato se cortesemente citassi dove @Andrea Mori ha scritto questo, io non lo ricordo ...cerco di seguire il thread e quello che ho letto io è che il raggiungimento di certi risultati passa da scelte tecnologiche che in quanto tali, assicurata una selezione adeguata dei componenti, danno risultati certi in termini di risoluzione, ecc. Link al commento https://melius.club/topic/18761-anatomia-di-un-dac-anzi-di-molti-dac/page/28/#findComment-1126537 Condividi su altri siti Altre opzioni di condivisione...
Ligo Inviato 29 Febbraio 2024 Condividi Inviato 29 Febbraio 2024 20 minuti fa, Andrea Mori ha scritto: Evidentemente non riesco proprio a spiegarmi. Ho scritto che non commenterò le misure, ma ho postato il link, quindi se vuoi puoi farlo tu, nessuno te lo impedisce. Sto descrivendo varie tecnologie basate su leggi matematiche e fisiche, significa che le ipotesi sono scientificamente verificate. Se uso resistenze con una tolleranza dello 0,01 % otterrò una precisione di almeno 13,5 bit, se invece uso resistenze allo 0,001 % di tolleranza raggiungerò un'accuratezza di almeno 16,5 bit. La differenza dal punto di vista scientifico è chiara ed ovvia, nel secondo caso otterrò una maggiore linearità di conversione. Quindi c'è anche una correlazione chiara con le misure. Che cosa non ti è chiaro? Da un lato hai le misure, dall'altro la descrizione delle tecnologie da un punto di vista prettamente scientifico, ti manca qualcosa per trarre le tue eventuali conclusioni? Dovrei trarle io per te? Dovrei spiegarti sulla base di principi scientifici solidi la correlazione tra misure/tecnologie e percezioni auditive? Dovrei spiegarti quello che (almeno così mi risulta) nessuno è ancora riuscito a spiegare? Non ti sembra di pretendere da me quello che anche altri non sono in grado di spiegare? Ma di nuovo, mi è stato chiesto di aprire un thread sulla tecnologia dei DAC, l'ho fatto e faticosamente sto cercando di spiegare in modo più comprensibile possibile le tecnologie adottate su basi prettamente scientifiche, rispondendo nei limiti delle mie competenze alle domande che vengono poste. Oltre non posso andare. Ma se è un "esercizio puramente stilistico" e quindi non interessa a nessuno mi fermo immediatamente, dato che è anche un po' impegnativo. Non hai risposto per nulla alla mia domanda. Non ti ho chiesto misure, so bene dove andare a reperirle. Se non mi sono espresso bene posso provare a riformulare. @fmr59, @Sfabr64, @Ricky81. Se i vostri commenti sono riferiti al mio intervento, preciso che la mia domanda non è volta a far interrompere il thread ma a chiarirmi lo scopo che si pone @Andrea Mori nel capire perché, viste le premesse, gli interessa "se e come sono stati curati i difetti scientificamente intrinseci alla conversione analogico digitale". Se pensate che il mio intervento violi qualche regola fatelo presente a un moderatore, io nel frattempo continuerò a chiedere chiarimenti se lo considererò utile. 1 Link al commento https://melius.club/topic/18761-anatomia-di-un-dac-anzi-di-molti-dac/page/28/#findComment-1126539 Condividi su altri siti Altre opzioni di condivisione...
AudioLover Inviato 29 Febbraio 2024 Condividi Inviato 29 Febbraio 2024 1 ora fa, Ricky81 ha scritto: @Andrea Mori su Dac come Bartok, Msb o Esoteric, la tecnologia implementata in essi è di primo livello o superiore alla maggioranza dei Dac come il prezzo suggerirebbe? Andrea mi quoto, grazie Link al commento https://melius.club/topic/18761-anatomia-di-un-dac-anzi-di-molti-dac/page/28/#findComment-1126543 Condividi su altri siti Altre opzioni di condivisione...
Ligo Inviato 29 Febbraio 2024 Condividi Inviato 29 Febbraio 2024 2 minuti fa, max ha scritto: ti sarei grato se cortesemente citassi dove @Andrea Mori ha scritto questo, io non lo ricordo ...cerco di seguire il thread e quello che ho letto io è che il raggiungimento di certi risultati passa da scelte tecnologiche che in quanto tali, assicurata una selezione adeguata dei componenti, danno risultati certi in termini di risoluzione, ecc. Quando dice che non comprerebbe mai un dac per le misure significa che non le considera importanti sulla resa finale. Concetto già in precedenza più volte espresso. Link al commento https://melius.club/topic/18761-anatomia-di-un-dac-anzi-di-molti-dac/page/28/#findComment-1126544 Condividi su altri siti Altre opzioni di condivisione...
AudioLover Inviato 29 Febbraio 2024 Condividi Inviato 29 Febbraio 2024 @Ligo Secondo me intende che a partire da delle misure di ottimo livello, che ormai accompagnano tutti i dac o quasi, lui predilige la tecnologia implementata....non penso darebbe corda a un dac con misure penose Link al commento https://melius.club/topic/18761-anatomia-di-un-dac-anzi-di-molti-dac/page/28/#findComment-1126546 Condividi su altri siti Altre opzioni di condivisione...
domenico80 Inviato 29 Febbraio 2024 Condividi Inviato 29 Febbraio 2024 15 minuti fa, Andrea Mori ha scritto: Abbi pazienza, ma io non conosco tutti i DAC presenti sul mercato, che sono migliaia. Che poi sia migliore o meno di altri DAC con dimensioni e peso maggiori ed anche parecchio più costosi, rispetto la tua opinione, ma non posso aggiungere altro poiché neanche lo ho ascoltato. Pertanto non posso fare alcun confronto tecnologico con altri DAC e neanche posso esprimere un parere personale sul risultato sonoro. Scusami , ma chiaramente non mi sono spiegato bene io. Il motivo , o uno dei motivi per cui seguo con curiosità questo 3 AD , è per capire , se ci riesco , perchè mai un baracchino , dimensionalmente , come il mio riesce , in queste dimensioni e costi , ad offrire prestazioni che , a mio parere , come peraltro di tanti altri , sono paragonabili se non superiori alla quasi totalità dei super DAC costosissimi ed ipertrofici in commercio , prestazioni rilevate durante un confronto presso una sede con diversi impianti e DAC . Ecco quanto mi sfugge , tutto qui Due note , dalle quali elimino marchio e modello Il .... DAC ......, audio portatile ad alta risoluzione avanzato e completo, è dotato di un amplificatore per cuffie ad alte prestazioni con un rapporto segnale-rumore migliore di 115 dB. Il DAC USB, che utilizza il DAC ES9018K2M leader della categoria di ESS, decodifica fino a DSD128 e formati audio PCM a 384 kHz. Una rete Wi-Fi integrata consente di utilizzare ...... il DAC .... come uno streamer multimediale in grado di eseguire streaming PCM a 24 bit/192 kHz. Un'uscita digitale Toslink S/PDIF e un'uscita analogica da 3,5 mm collegano .... il DAC .... a un'ampia gamma di dispositivi. .... il DAC .... è il primo DAC ad alte prestazioni al mondo che supporta sia connessioni via cavo USB che wireless a dispositivi Windows, Mac, Android (*OTG) e iOS. Un'altra novità mondiale è la capacità del .... DAC .... di decodificare e trasmettere in streaming file musicali a 24 bit/192 kHz. In questo modo l'utente può godere della riproduzione audio USB desktop della massima qualità disponibile e, con la semplice pressione di un pulsante, trasmette musica in streaming dai dispositivi collegati con una risoluzione migliore rispetto a quella del livello CD. Bassa distorsione e jitter Con il clock audio USB asincrono tramite due clock interni a basso jitter ad alta precisione per il campionamento a 44,1 kHz (88,2/176,4/352,8) e 48 kHz (96/192/384), .... il DAC .... ottimizza la trasmissione dei dati digitali USB per frequenze ultra-basse. prestazioni di jitter con un rapporto segnale-rumore migliore di 115 dB. Link al commento https://melius.club/topic/18761-anatomia-di-un-dac-anzi-di-molti-dac/page/28/#findComment-1126548 Condividi su altri siti Altre opzioni di condivisione...
max Inviato 29 Febbraio 2024 Condividi Inviato 29 Febbraio 2024 9 minuti fa, Ligo ha scritto: Quando dice che non comprerebbe mai un dac per le misure significa che non le considera importanti sulla resa finale. Concetto già in precedenza più volte espresso. questa se permetti è una tua interpretazione...io ad esempio in quell'affermazione leggo solo che non sceglierebbe un dac solo perchè ha misure buone 1 1 Link al commento https://melius.club/topic/18761-anatomia-di-un-dac-anzi-di-molti-dac/page/28/#findComment-1126549 Condividi su altri siti Altre opzioni di condivisione...
AudioLover Inviato 29 Febbraio 2024 Condividi Inviato 29 Febbraio 2024 @Ligo non era riferito a te Link al commento https://melius.club/topic/18761-anatomia-di-un-dac-anzi-di-molti-dac/page/28/#findComment-1126550 Condividi su altri siti Altre opzioni di condivisione...
Ligo Inviato 29 Febbraio 2024 Condividi Inviato 29 Febbraio 2024 1 minuto fa, max ha scritto: io in quell'affermazione leggo solo che non sceglierebbe un dac solo perchè ha misure buone questa, se permetti, è una tua deduzione. Link al commento https://melius.club/topic/18761-anatomia-di-un-dac-anzi-di-molti-dac/page/28/#findComment-1126551 Condividi su altri siti Altre opzioni di condivisione...
Andrea Mori Inviato 29 Febbraio 2024 Autore Condividi Inviato 29 Febbraio 2024 1 minuto fa, Ligo ha scritto: a chiarirmi lo scopo che si pone @Andrea Mori nel capire perché, viste le premesse, gli interessa "se e come sono stati curati i difetti scientificamente intrinseci alla conversione analogico digitale". Lo scopo mi sembra evidente: le tecniche di conversione digitale analogica hanno più o meno difetti intrinseci, che però, almeno in parte, possono essere superati o comunque mitigati. La scelta di una tecnologia piuttosto di un'altra aiuta a capire se e come questi difetti vengono curati. Se la tecnologia è stata applicata in modo corretto, sicuramente, dal punto di vista scientifico, avrò un dispositivo con minori difetti, ragionevolmente superiore dal punto di vista tecnico. Nella maggior parte dei casi (ma non tutti), l'applicazione di corrette tecnologie produrrà anche misure migliori, ma anche questo è già intrinseco nella tecnologia. Con resistenze allo 0,01 % di tolleranza otterrò una gamma dinamica di almeno 13,5 bit ossia 81 dB, usando invece resistenze allo 0,001 % di tolleranza la gamma dinamica sarà di almeno 16,5 bit ossia 99 dB. Da un punto di vista scientifico, sicuramente il secondo caso, raggiungendo una gamma dinamica maggiore, sarà più lineare, e conseguentemente produrrà misure di linearità dell'ampiezza migliori. Quindi la misura ottenibile è intrinseca nella tecnologia, e questo chiarisce lo scopo. Forse, dico forse, tutto questo non è chiaro quando si parla di misure ma non si sa cosa si misura. Link al commento https://melius.club/topic/18761-anatomia-di-un-dac-anzi-di-molti-dac/page/28/#findComment-1126558 Condividi su altri siti Altre opzioni di condivisione...
Moderatori paolosances Inviato 29 Febbraio 2024 Moderatori Condividi Inviato 29 Febbraio 2024 Ritengo che sarebbe auspicabile non discutere in questo thread di misure, da parte di chiunque. Per le misure esiste già un altro thread di cui è opener @ilmisuratore. 2 Link al commento https://melius.club/topic/18761-anatomia-di-un-dac-anzi-di-molti-dac/page/28/#findComment-1126563 Condividi su altri siti Altre opzioni di condivisione...
max Inviato 29 Febbraio 2024 Condividi Inviato 29 Febbraio 2024 8 minuti fa, Ligo ha scritto: questa, se permetti, è una tua deduzione vero, l'ho inserita solo per esemplificare che di interpretazioni si trattava Link al commento https://melius.club/topic/18761-anatomia-di-un-dac-anzi-di-molti-dac/page/28/#findComment-1126567 Condividi su altri siti Altre opzioni di condivisione...
Ligo Inviato 29 Febbraio 2024 Condividi Inviato 29 Febbraio 2024 19 minuti fa, Andrea Mori ha scritto: Lo scopo mi sembra evidente: le tecniche di conversione digitale analogica hanno più o meno difetti intrinseci, che però, almeno in parte, possono essere superati o comunque mitigati. La scelta di una tecnologia piuttosto di un'altra aiuta a capire se e come questi difetti vengono curati. Se la tecnologia è stata applicata in modo corretto, sicuramente, dal punto di vista scientifico, avrò un dispositivo con minori difetti, ragionevolmente superiore dal punto di vista tecnico. Nella maggior parte dei casi (ma non tutti), l'applicazione di corrette tecnologie produrrà anche misure migliori, ma anche questo è già intrinseco nella tecnologia. Con resistenze allo 0,01 % di tolleranza otterrò una gamma dinamica di almeno 13,5 bit ossia 81 dB, usando invece resistenze allo 0,001 % di tolleranza la gamma dinamica sarà di almeno 16,5 bit ossia 99 dB. Da un punto di vista scientifico, sicuramente il secondo caso, raggiungendo una gamma dinamica maggiore, sarà più lineare, e conseguentemente produrrà misure di linearità dell'ampiezza migliori. Quindi la misura ottenibile è intrinseca nella tecnologia, e questo chiarisce lo scopo. Forse, dico forse, tutto questo non è chiaro quando si parla di misure ma non si sa cosa si misura. Mi è chiaro quale è l'impatto di una corretta implementazione. Non mi è chiaro perché dovrebbe avere un peso per te visto che una corretta implementazione significa ovviamente misure migliori, come hai scritto nel post che ho citato, e consideri fuorviante basare le scelte sulle misure di un dac in quanto non significative rispetto al risultato finale, come hai più volte esternato. Sto cercando di capire la tua motivazione nel ricercare il "DAC perfetto" che mi pare sia l'obiettivo primario del tuo lavoro da hobbysta. Se questa domanda non è consentita ne prendo atto, significa che il thread è un seminario sulle tecnologie di realizzazione dei dac e forse la sua collocazione più naturale è in DIY. 13 minuti fa, max ha scritto: vero, l'ho inserita solo per esemplificare che di interpretazioni si trattava Perciò avevo chiesto chiarimenti, Link al commento https://melius.club/topic/18761-anatomia-di-un-dac-anzi-di-molti-dac/page/28/#findComment-1126577 Condividi su altri siti Altre opzioni di condivisione...
Andrea Mori Inviato 29 Febbraio 2024 Autore Condividi Inviato 29 Febbraio 2024 9 minuti fa, Ligo ha scritto: Sto cercando di capire la tua motivazione nel ricercare il "DAC perfetto" che mi pare sia l'obiettivo primario del tuo lavoro da hobbysta. La motivazione mi sembrerebbe abbastanza evidente, se implemento una tecnologia superiore sicuramente non mi sbaglio. Essendo un hobbista non ho limiti di budget (ovviamente non posso vendere la casa per realizzare il DAC) e neppure vincoli di marketing. Magari sovra-ingegnerizzerò il progetto, ma sicuramente se implemento tutte le tecnologie che scientificamente risolvono o mitigano i difetti intrinseci alla conversione non mi sbaglierò. Avrei comunque parlato più avanti delle metodologia progettuale che utilizzo quando disegno un apparecchio. Per chi invece non è interessato alla progettazione personale, come ho già detto, può sempre effettuare una selezione grossolana degli apparecchi sul mercato in base alle tecnologie implementate, che sicuramente saranno superiori ad altre dal punto di vista tecnico. Che poi è proprio quello che sto cercando di descrivere in questo thread. Ma per cortesia, finiamola con questa storia che io mi opporrei alle misure, ho appena iniziato a descrivere la tecnologia utilizzata nel primo DAC che sto analizzando, e la prima cosa che ho fatto è stata postare il link alle misure di ASR. Fatene quello che volete, analizzatele, commentatele, traetene le vostre conclusioni, oppure leggete quelle di Amir. Nessuno ve lo vieta, tanto che ho il lecito sospetto che non sapete di cosa farvene, Ma correggetemi se sbaglio. 1 Link al commento https://melius.club/topic/18761-anatomia-di-un-dac-anzi-di-molti-dac/page/28/#findComment-1126596 Condividi su altri siti Altre opzioni di condivisione...
Andrea Mori Inviato 29 Febbraio 2024 Autore Condividi Inviato 29 Febbraio 2024 52 minuti fa, Ricky81 ha scritto: Andrea mi quoto, grazie Intanto quello che accomuna tutti i DAC che hai menzionato è che non usano integrati monolitici, ma sono tutti a componenti discreti. Per quello che conosco, i DAC MSB implementano tecnologie molto simili a quelle di Holo, sono anch'essi DAC ibridi PCM/DSD, e tendenzialmente hanno esasperato al limite delle tecnologie disponibili tutto quello che hanno implementato. Non ho però conoscenza di eventuali calibrazioni o correzioni di sorta delle reti resistive, però non ho alcuna certezza dal momento che non ne parlano e l'interno del modulo DAC ibrido di ultima generazione non è visibile. dCs, sia il Bartok che gli altri più costosi, implementano una tecnologia proprietaria che hanno chiamato "Ring Dac". Sostanzialmente è un DAC sigma-delta DSD a tutti gli effetti, con la particolarità che fanno scorrere i bit del flusso continuo ad anello per superare, a detta loro, gli eventuali errori nel valore dei componenti (tolleranza delle resistenze) creando una sorta di media tra gli stessi. Non molto dissimile dai FIRDAC come il Mola MOLA, l'MSB, l'Holo ed anche il mio DAC DSD, ance se implementato in modo leggermente diverso. Posso anticipare che in un FIRDAC DSD, a differenza di quelli PCM R2R, la tolleranza delle resistenze non ha molta rilevanza sul risultato finale come spiegherò più avanti. Gli Esoteric dovrebbero essere FIRDAC a 16 taps implementati in parallelo per mediare gli errori ed abbassare l'impedenza di uscita. Sicuramente sovra-campionano tutto quello che gli arriva in ingresso in DSD512, dato scrivono "Up conversion del PCM a 768KHz e del DSD a 22,5MHz." (22,5792 MHz / 44,1 kHz = 512). Link al commento https://melius.club/topic/18761-anatomia-di-un-dac-anzi-di-molti-dac/page/28/#findComment-1126624 Condividi su altri siti Altre opzioni di condivisione...
Ligo Inviato 29 Febbraio 2024 Condividi Inviato 29 Febbraio 2024 50 minuti fa, Andrea Mori ha scritto: Ma per cortesia, finiamola con questa storia che io mi opporrei alle misure, ho appena iniziato a descrivere la tecnologia utilizzata nel primo DAC che sto analizzando, e la prima cosa che ho fatto è stata postare il link alle misure di ASR. Opporti no, hai però affermato più volte di trovarle incoerenti con il risultato finale, quindi a che pro ricercarne l'ottimizzazione attraverso un'ingegnerizzazione spinta? 51 minuti fa, Andrea Mori ha scritto: Fatene quello che volete, analizzatele, commentatele, traetene le vostre conclusioni, oppure leggete quelle di Amir. Nessuno ve lo vieta, tanto che ho il lecito sospetto che non sapete di cosa farvene, Ma correggetemi se sbaglio. Nel mio caso ti correggo: sbagli. Link al commento https://melius.club/topic/18761-anatomia-di-un-dac-anzi-di-molti-dac/page/28/#findComment-1126650 Condividi su altri siti Altre opzioni di condivisione...
alexis Inviato 29 Febbraio 2024 Condividi Inviato 29 Febbraio 2024 2 ore fa, Ricky81 ha scritto: come vedi il 90% è interessato e fa domande e ha curiosità, potrebbe diventare il thread più utile e interessante della sezione, solamente che c'è qualcuno, una piccola parte di utenti, che non ne trova l'utilità e vorrebbe ti fermassi...magari di solito un utente non interessato a un thread lo evita o lo ignora, in questo caso invece non è così...chissà...ti invito quindi a non dargli peso e a continuare la tua disamina .. assolutamente, continua. Uno dei tred piu interessanti e istruttivi degli ultimi anni! Ma qualcuno proprio non capisce? Qualcuno continua con le domande stupidine? ce ne faremo una ragione.. Link al commento https://melius.club/topic/18761-anatomia-di-un-dac-anzi-di-molti-dac/page/28/#findComment-1126664 Condividi su altri siti Altre opzioni di condivisione...
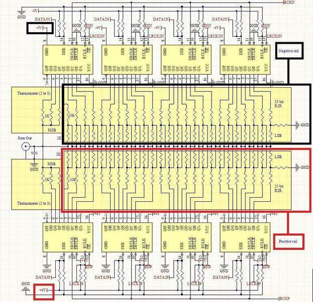
Andrea Mori Inviato 29 Febbraio 2024 Autore Condividi Inviato 29 Febbraio 2024 Riprendo il tema descrivendo un paio di tecniche volte a superare o quantomeno a mitigare gli effetti negativi del glitch sulla conversione PCM R2R. La prima tecnica si chiama implementazione "sign-magnitude". Questa tecnica, peraltro, permette anche di superare il problema dell'offset DC all'uscita del DAC in configurazione classica R2R. Come si può vedere nelle prime due immagini, la configurazione classica di un DAC esemplificativo a 4 bit prevede una sola rete resistiva R2R alimentata da un'unica tensione di alimentazione VRef. Questo, come ho già detto, comporta inevitabilmente un offset DC all'uscita del DAC pari a VRef / 2, quindi se alimentato a 4 Volt avrò un offset di 2 Volt. Nella seconda immagine, è descritta l'implementazione semplificata di un DAC che opera con l'architettura sign-magnitude. In questo caso abbiamo due tensioni di riferimento, una positiva (REF+) e l'altra negativa (REF-). Nella realtà, non si usa un interruttore a 3 stati (+, -, ground), bensì una doppia rete resistiva interconnessa, una delle quali ha come riferimento REF+ e l'altra REF-. In questa implementazione, quando il segnale in ingresso rappresenta 0 Volt campionati, tutti i bit di entrambe le reti resistive positiva e negativa si trovano a massa (0V), e quindi non c'è offset DC in uscita. Tuttavia, questa tecnica elimina totalmente anche il glitch che si verifica per il passaggio per lo zero (zero crossing), che come avevamo visto provoca il cambio di stato simultaneo di tutti i bit che compongono il ladder, e sopratutto del bit più significativo (MSB). Questo si ottiene poiché le due reti resistive non commuteranno mai l'MSB al passaggio per lo zero, dato che questo avrà il solo scopo di selezionare una delle due reti in funzione del segno positivo o negativo in ingresso. Pertanto il passaggio da dal semi-periodo positivo a quello negativo, o viceversa, della sinusoide campionata produrrà soltanto la commutazione di pochi LSB, per i quali l'impatto del glitch è pressoché ininfluente dato che viene enormemente attenuato dai partitori resistivi dei bit più significativi via via che ci si avvicina all'MSB. In questa configurazione, in pratica, per ottenere un DAC con 24 bit di risoluzione se ne implementano due da 23 bit ciascuno, uno gestisce la semionda positiva e l'altro quella negativa. A memoria, la prima implementazione di questa tecnologia è stata effettuata da Burr Brown nei suoi DAC fino all'ultimo PCM1704, e denominata "Collinear structure", che poi è la stessa cosa del sign-magnitude. Nell'ultima immagine il circuito che rappresenta un'implementa effettiva di un DAC R2R a 24 bit con architettura sign-magnitude, il Soekris DAM1021. Si noti la struttura a due quadranti positivo e negativo della rete resistiva. Nel prossimo commento descriverò la seconda tecnica utilizzabile per limitare l'effetto del glitch, ossia la decodifica unaria (cosiddetta a termometro) dei bit più significativi. Link al commento https://melius.club/topic/18761-anatomia-di-un-dac-anzi-di-molti-dac/page/28/#findComment-1126673 Condividi su altri siti Altre opzioni di condivisione...
Messaggi raccomandati
Crea un account o accedi per lasciare un commento
Devi essere un membro per lasciare un commento
Crea un account
Iscriviti per un nuovo account nella nostra community. È facile!
Registra un nuovo accountAccedi
Sei già registrato? Accedi qui.
Accedi Ora