Gian356 Inviato 18 Settembre 2024 Autore Condividi Inviato 18 Settembre 2024 @walge avendo poca conoscenza nel monde delle valvole, e leggendo un po' su internet (avrò sbagliato fonti), mi era parso di capire che il riscaldamento diretto fosse preferibile alimentarlo in DC . Link al commento https://melius.club/topic/20935-corrente-di-bias/page/4/#findComment-1300427 Condividi su altri siti Altre opzioni di condivisione...
Gian356 Inviato 18 Settembre 2024 Autore Condividi Inviato 18 Settembre 2024 @walge posso approfittare della tua disponibilità chiedendoti un tuo parere: ho cambiato i condensatori elettrolitici e i due di accoppiamento delle griglie e ho un dubbio proprio su questi ultimi: perchè misurando la tensione ai loro capi la tensione è molto diversa tra i due ? parliamo di 160/165 volt nel primo e di 195/200 nel secondo ... da cosa può essere dovuta tutta questa differenza ? ho provato a cambiare anche le valvole con un altro set che avevo ma nulla è cambiato . Possono essere le resistenze ? grazie Link al commento https://melius.club/topic/20935-corrente-di-bias/page/4/#findComment-1300452 Condividi su altri siti Altre opzioni di condivisione...
walge Inviato 18 Settembre 2024 Condividi Inviato 18 Settembre 2024 @Gian356 personalmente fin quando posso uso le accensioni in ac per i triodi a riscaldmento diretto. Secondo me è la migliore soluzione ma poi subentrano altri fattori quali il ripple residuo e non sempre è tollerabile. Link al commento https://melius.club/topic/20935-corrente-di-bias/page/4/#findComment-1300563 Condividi su altri siti Altre opzioni di condivisione...
walge Inviato 18 Settembre 2024 Condividi Inviato 18 Settembre 2024 2 ore fa, Gian356 ha scritto: Possono essere le resistenze Perchè non fai l'elenco pei pin della 6SN7 e cosa c'è collegato ad ognuno? Le foto non sono chiare. Poi si vede Link al commento https://melius.club/topic/20935-corrente-di-bias/page/4/#findComment-1300585 Condividi su altri siti Altre opzioni di condivisione...
walge Inviato 18 Settembre 2024 Condividi Inviato 18 Settembre 2024 6SN7 pin 1 = g2 pin 2 = a2 pin 3 = k2 pin 4 = g1 pin 5 = a1 pin 6 = k1 Link al commento https://melius.club/topic/20935-corrente-di-bias/page/4/#findComment-1300594 Condividi su altri siti Altre opzioni di condivisione...
Gian356 Inviato 18 Settembre 2024 Autore Condividi Inviato 18 Settembre 2024 33 minuti fa, walge ha scritto: 6SN7 pin 1 = g2 pin 2 = a2 pin 3 = k2 pin 4 = g1 pin 5 = a1 pin 6 = k1 Ti ringrazio del consiglio, appena riesco a tirare giù qualcosa lo posto . Link al commento https://melius.club/topic/20935-corrente-di-bias/page/4/#findComment-1300633 Condividi su altri siti Altre opzioni di condivisione...
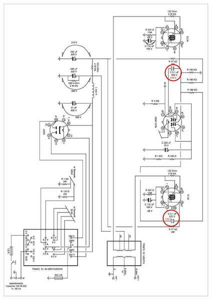
Gian356 Inviato 24 Settembre 2024 Autore Condividi Inviato 24 Settembre 2024 @walge buongiorno, ho provato a tirare giù lo schema dei collegamenti e provo a postarlo. Sicuramente non sarà giusto e avrò commesso qualche castroneria (abbiate pietà di me) non essendo un provetto elettrotecnico (sono ingegnere ma progetto centrali di riscaldamento, condizionamento e trattamento aria). Detto ciò mi piacerebbe solo capire nella mia estrema ignoranza perchè, nonostante il circuito che alimenta le due el34 si perfettamente simmetrico nei valori dei componenti, se vado a misurare la differenza di potenziale ai capi dei due condensatori di accoppiamento mi trovo una differenza di valore che si aggira intorno ai 40 volt (non dovrebbe essere in entrambi i casi uguale ?).Grazie anticipatamente per ogni consiglio e correzioni Link al commento https://melius.club/topic/20935-corrente-di-bias/page/4/#findComment-1304923 Condividi su altri siti Altre opzioni di condivisione...
walge Inviato 24 Settembre 2024 Condividi Inviato 24 Settembre 2024 @Gian356 non torna il circuito disegnato avendo un solo doppio triodo l'ipotesi è che la prima sezione sia a guadagno e la seconda come splitter ma il disegno non è congruo Però un test che farei è togliere tutte le valvole e misurare tra i piedini 3 sullo zoccolo delle 34 la resistenza; se è un p-p troveremo un valore superiore ad almeno 50 ohm W Link al commento https://melius.club/topic/20935-corrente-di-bias/page/4/#findComment-1305136 Condividi su altri siti Altre opzioni di condivisione...
Gian356 Inviato 24 Settembre 2024 Autore Condividi Inviato 24 Settembre 2024 @walge ti ringrazio proverò a fare come hai detto. (misuro la resistenza tra l'anodo e la massa dopo aver tolto tutte le valvole) Link al commento https://melius.club/topic/20935-corrente-di-bias/page/4/#findComment-1305180 Condividi su altri siti Altre opzioni di condivisione...
walge Inviato 24 Settembre 2024 Condividi Inviato 24 Settembre 2024 @Gian356 non tra anodo e massa ma tra i piedini 3 delle 34 Link al commento https://melius.club/topic/20935-corrente-di-bias/page/4/#findComment-1305185 Condividi su altri siti Altre opzioni di condivisione...
Gian356 Inviato 24 Settembre 2024 Autore Condividi Inviato 24 Settembre 2024 @walge ok scusa ora ho capito Link al commento https://melius.club/topic/20935-corrente-di-bias/page/4/#findComment-1305191 Condividi su altri siti Altre opzioni di condivisione...
Gian356 Inviato 24 Settembre 2024 Autore Condividi Inviato 24 Settembre 2024 @walge che equivale alla resistenza del primario del TU ? (ho azzeccato almeno questa ?) Link al commento https://melius.club/topic/20935-corrente-di-bias/page/4/#findComment-1305193 Condividi su altri siti Altre opzioni di condivisione...
walge Inviato 24 Settembre 2024 Condividi Inviato 24 Settembre 2024 @Gian356 si tra anodo-anodo Link al commento https://melius.club/topic/20935-corrente-di-bias/page/4/#findComment-1305197 Condividi su altri siti Altre opzioni di condivisione...
Gian356 Inviato 24 Settembre 2024 Autore Condividi Inviato 24 Settembre 2024 @walge ho misurato la resistenza è superiore ai 50 ohm ... Siamo sugli 80 Link al commento https://melius.club/topic/20935-corrente-di-bias/page/4/#findComment-1305426 Condividi su altri siti Altre opzioni di condivisione...
Gian356 Inviato 25 Settembre 2024 Autore Condividi Inviato 25 Settembre 2024 @walge scusa ho sbagliato a scrivere il valore effettivo è 280 ohm. Link al commento https://melius.club/topic/20935-corrente-di-bias/page/4/#findComment-1305608 Condividi su altri siti Altre opzioni di condivisione...
walge Inviato 25 Settembre 2024 Condividi Inviato 25 Settembre 2024 @Gian356 ok direi che è un p-p come ipotizzato Il valore appare alto a significare probabilmente una non elevata qualità del trafo. In teoria sarebbero 140 ohm per ramo ma una differenza potrebbe esistere secondo il tipo di avvolgimento impiegato. Lo potresti verificare mettendo un puntale del tester sull'ultimo condensatore di livellamento della HT (che corrispnderebbe poi al centrale dell'avvolgimento) e l'altro su ognuno dei pin 3. Lo schema potrebbe essere un praphase ma il dubbio rimane visto il disegno piuttosto intrecciato come linee. E il guadagno della 6SN7 non sembra adeguaro per quella configurazione. Quindi la sensibilità non sara alta. Ma non è per caso che debba montare una 6SL7? Walter Link al commento https://melius.club/topic/20935-corrente-di-bias/page/4/#findComment-1305849 Condividi su altri siti Altre opzioni di condivisione...
Gian356 Inviato 25 Settembre 2024 Autore Condividi Inviato 25 Settembre 2024 59 minuti fa, walge ha scritto: @Gian356 ok direi che è un p-p come ipotizzato Il valore appare alto a significare probabilmente una non elevata qualità del trafo. In teoria sarebbero 140 ohm per ramo ma una differenza potrebbe esistere secondo il tipo di avvolgimento impiegato. Lo potresti verificare mettendo un puntale del tester sull'ultimo condensatore di livellamento della HT (che corrispnderebbe poi al centrale dell'avvolgimento) e l'altro su ognuno dei pin 3. Lo schema potrebbe essere un praphase ma il dubbio rimane visto il disegno piuttosto intrecciato come linee. E il guadagno della 6SN7 non sembra adeguaro per quella configurazione. Quindi la sensibilità non sara alta. Ma non è per caso che debba montare una 6SL7? Walter Eseguirò una misura di resistenza come mi hai detto; per quanto riguarda la valvola preamplificatrice mi sono ritrovato una 6SN7 quando l ho preso ; essendo autocostruito e non conoscendo il suo costruttore non saprei se in origine ci fosse stata un altra valvola Link al commento https://melius.club/topic/20935-corrente-di-bias/page/4/#findComment-1305914 Condividi su altri siti Altre opzioni di condivisione...
Gian356 Inviato 25 Settembre 2024 Autore Condividi Inviato 25 Settembre 2024 6 ore fa, Gian356 ha scritto: Eseguirò una misura di resistenza come mi hai detto; per quanto riguarda la valvola preamplificatrice mi sono ritrovato una 6SN7 quando l ho preso ; essendo autocostruito e non conoscendo il suo costruttore non saprei se in origine ci fosse stata un altra valvola Se ho eseguito correttamente le misure come intendevi tu, i valori trovati sono di 118 e 142 ohm tra l'anodo ( piedino 3) ed il centrale del tu. Link al commento https://melius.club/topic/20935-corrente-di-bias/page/4/#findComment-1306282 Condividi su altri siti Altre opzioni di condivisione...
Messaggi raccomandati
Crea un account o accedi per lasciare un commento
Devi essere un membro per lasciare un commento
Crea un account
Iscriviti per un nuovo account nella nostra community. È facile!
Registra un nuovo accountAccedi
Sei già registrato? Accedi qui.
Accedi Ora