SHAR_BO Inviato 9 Ottobre 2024 Condividi Inviato 9 Ottobre 2024 Un amico ha acquistato un finale come da titolo e me lo ha portato per un controllo generale e per la taratura del bias delle finali. La costruzione risale agli anni '80 ad opera di una ormai scomparsa azienda in quel di Firenze. In rete non ho trovato nulla su quell'ampli: chiedo aiuto a chi ne sa qualcosa. Link al commento https://melius.club/topic/21971-hampton-245/ Condividi su altri siti Altre opzioni di condivisione...
Moderatori joe845 Inviato 10 Ottobre 2024 Moderatori Condividi Inviato 10 Ottobre 2024 lo conoscevo ma non così bene. ma il bias si può regolare? perchè non vedo trimmer o cose simili. Forse Walter lo conosce. G Link al commento https://melius.club/topic/21971-hampton-245/#findComment-1319554 Condividi su altri siti Altre opzioni di condivisione...
PerLab Inviato 10 Ottobre 2024 Condividi Inviato 10 Ottobre 2024 Nel mio c'erano un trimmer ed un Led rosso (sul pannello superiore) per ogni valvola, per la taratura bisognava ruotare il trimmer fino a far accendere il Led per poi tornare indietro quel tanto da farlo spengere. So che nelle ultime versioni il Led fu tolto perché spesso si riaccendeva per minime e normali variazioni della corrente di riposo e questo spesso destava eccessiva ansia e preoccupazione negli acquirenti. La corrente di riposo con le EL34 era di 50ma. Link al commento https://melius.club/topic/21971-hampton-245/#findComment-1319697 Condividi su altri siti Altre opzioni di condivisione...
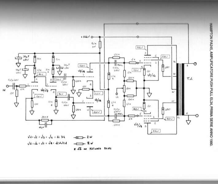
SHAR_BO Inviato 10 Ottobre 2024 Autore Condividi Inviato 10 Ottobre 2024 Questa è una versione con KT88 e sono presenti 4 trimmer per la regolazione, ma niente spie. Link al commento https://melius.club/topic/21971-hampton-245/#findComment-1320096 Condividi su altri siti Altre opzioni di condivisione...
Gian356 Inviato 11 Ottobre 2024 Condividi Inviato 11 Ottobre 2024 @SHAR_BO c'è una prova su Audioreview n 40 del 1985 , l ho trovato per caso nel loro archivio 1 Link al commento https://melius.club/topic/21971-hampton-245/#findComment-1320558 Condividi su altri siti Altre opzioni di condivisione...
SHAR_BO Inviato 11 Ottobre 2024 Autore Condividi Inviato 11 Ottobre 2024 @Gian356 Ora lo cerco, grazie ! Link al commento https://melius.club/topic/21971-hampton-245/#findComment-1320677 Condividi su altri siti Altre opzioni di condivisione...
PerLab Inviato 11 Ottobre 2024 Condividi Inviato 11 Ottobre 2024 Link al commento https://melius.club/topic/21971-hampton-245/#findComment-1320792 Condividi su altri siti Altre opzioni di condivisione...
walge Inviato 11 Ottobre 2024 Condividi Inviato 11 Ottobre 2024 @PerLab quei libri di Macrì li ho da 30 anni. Non ricordavo W Link al commento https://melius.club/topic/21971-hampton-245/#findComment-1320857 Condividi su altri siti Altre opzioni di condivisione...
SHAR_BO Inviato 11 Ottobre 2024 Autore Condividi Inviato 11 Ottobre 2024 @PerLab Grazie per l'assist. Purtroppo non corrisponde all'apparecchio: i catodi delle 4 finali sono connessi tutti assieme e senza res interposte. Poi questo deve essere di una serie successiva, monta le KT8 anzichè le EL34 come da schema. Link al commento https://melius.club/topic/21971-hampton-245/#findComment-1321051 Condividi su altri siti Altre opzioni di condivisione...
mariovalvola Inviato 13 Ottobre 2024 Condividi Inviato 13 Ottobre 2024 Il 11/10/2024 at 12:11, PerLab ha scritto: Interessante. Mi preoccupa la tensione alla g2 delle EL34, è oltre il limite scritto nei data sheet ( scritto quando i tubi erano migliori ). Link al commento https://melius.club/topic/21971-hampton-245/#findComment-1322666 Condividi su altri siti Altre opzioni di condivisione...
PerLab Inviato 13 Ottobre 2024 Condividi Inviato 13 Ottobre 2024 @mariovalvola Infatti poi passarono alle KT88... Anche il mio esemplare che cedetti ad un amico, sebbene valvolato con delle "costosissime" (15.000 lire) AEG, una volta giunto in assistenza per un controllo fu prontamente convertito alle KT88 "perché così va molto meglio". Link al commento https://melius.club/topic/21971-hampton-245/#findComment-1322759 Condividi su altri siti Altre opzioni di condivisione...
walge Inviato 13 Ottobre 2024 Condividi Inviato 13 Ottobre 2024 @mariovalvola Vtl nei 225 ( configurazione UL) adottò tensioni molto alte, intorno ai 520 v, senza mai avere problemi se non quando le 34 di ottima fattura divennero scarse. Quando ebbi a che fare con ampli simili la selezione delle nuove produzioni era piuttosto complicata Walter Link al commento https://melius.club/topic/21971-hampton-245/#findComment-1322861 Condividi su altri siti Altre opzioni di condivisione...
SHAR_BO Inviato 14 Ottobre 2024 Autore Condividi Inviato 14 Ottobre 2024 Ho trovato le informazioni che mi servivano. Grazie a tutti ! Link al commento https://melius.club/topic/21971-hampton-245/#findComment-1323657 Condividi su altri siti Altre opzioni di condivisione...
78 giri Inviato 17 Ottobre 2024 Condividi Inviato 17 Ottobre 2024 @SHAR_BO sembra un PA280 e non il 245. No mi correggo è proprio un 245, il 280 ha frontalino nero Link al commento https://melius.club/topic/21971-hampton-245/#findComment-1326025 Condividi su altri siti Altre opzioni di condivisione...
SHAR_BO Inviato 17 Marzo 2025 Autore Condividi Inviato 17 Marzo 2025 Torno sull'argomento di questo finale. Dopo qualche mese di onesto funzionamento il proprietario me lo ritorna per riparazione perchè una delle KT88 finali si è accesa molto. Apertolo, trovo bruciata la res da 620 Ohm sulla G2 di una delle finali di un canale, connesse in UL. La cosa strana è che è il proprietario mi aveva indicato un tubo, mentre la res pruciata è sull'altro: forse avrò capito male. Cambio la res e rimetto in funzione, controllando la corrente di riposo dopo una mezzoretta: tutto regolare collegato alle cassa suona regolarmente. Stamane, lo riaccendo per riconsegnarlo al proprietario e dopo pochi secondi dall'accensione dell'anodica una finale si avvampa. Riapertolo, nuovamente trovo bruciata la stessa res di G2 già sostituita e nuovamente - stavolta ne sono sicuro - sull'altro tubo, quello che non si era avvampato. Non so immaginare cosa possa causare tale comportamento: apprezzerò ogni suggerimento utile. Grazie in anticipo. Link al commento https://melius.club/topic/21971-hampton-245/#findComment-1463829 Condividi su altri siti Altre opzioni di condivisione...
walge Inviato 17 Marzo 2025 Condividi Inviato 17 Marzo 2025 @SHAR_BO fa parte della stessa sezione? Se si temo una oscillazione; da controllare le Rdc degli avvolgimenti del primario Per curiosità non è che la 88 ha il piedino 6 ? Walter Link al commento https://melius.club/topic/21971-hampton-245/#findComment-1464032 Condividi su altri siti Altre opzioni di condivisione...
SHAR_BO Inviato 17 Marzo 2025 Autore Condividi Inviato 17 Marzo 2025 1 ora fa, walge ha scritto: fa parte della stessa sezione? Si, le 2 finali di un canale 1 ora fa, walge ha scritto: non è che la 88 ha il piedino 6 ? No, postazione vuota. Il pin 6 dello zoccolo è usato come capocorda. Link al commento https://melius.club/topic/21971-hampton-245/#findComment-1464231 Condividi su altri siti Altre opzioni di condivisione...
SHAR_BO Inviato 17 Marzo 2025 Autore Condividi Inviato 17 Marzo 2025 La cosa strana è che nel pushpull si infiamma il tubo A ma si brucia la res di G2 del tubo B. Link al commento https://melius.club/topic/21971-hampton-245/#findComment-1464239 Condividi su altri siti Altre opzioni di condivisione...
Messaggi raccomandati
Crea un account o accedi per lasciare un commento
Devi essere un membro per lasciare un commento
Crea un account
Iscriviti per un nuovo account nella nostra community. È facile!
Registra un nuovo accountAccedi
Sei già registrato? Accedi qui.
Accedi Ora