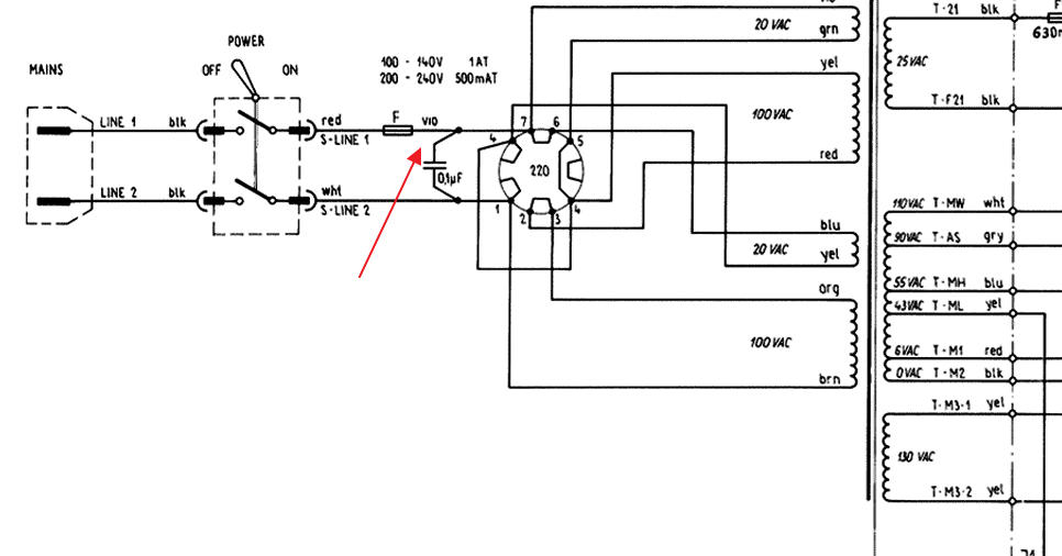
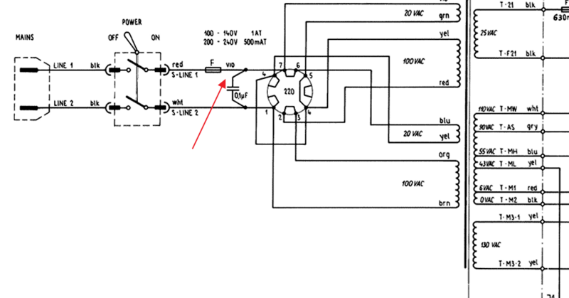
Abolire Frako esploso su Revox B77.
-
Badge Recenti
-
Fabio Cottatellucci ha ottenuto un badge
Ringraziamento dal Club
-
G.Carlo ha ottenuto un badge
Reputazione
-
PL-L1000 ha ottenuto un badge
Reputazione
-
simo15 ha ottenuto un badge
Membro Attivo
-
Paky33 ha ottenuto un badge
Ottimi Contenuti
-
-
Notizie
-
-
88 Diffusori significativi degli anni ‘70
-
1. Quali tra questi diffusori degli anni '70 ritieni più significativi?
-
Acoustic Research AR-10π
-
Acoustic Research AR-9
-
Allison One
-
B&W DM6
-
BBC LS3/5a
-
Dahlquist DQ10
-
Decibel 360 Modus
-
ESS AM-T 1B
-
IMF TLS 80
-
JBL L300 Summit
-
Jensen Model 15 Serenata
-
KEF 105 Reference
-
Linn Isobarik
-
Magnepan Magneplanar SMG
-
Magnepan Magneplanar Tympani 1
-
Philips RH545 MFB Studio
-
RCF BR40 & BR55
-
Snell Type A
-
Technics SB-10000
-
Yamaha NS-1000M
-
- Si prega di accedere o registrarsi per votare a questo sondaggio.
- Visualizza topic
-

Messaggi raccomandati
Crea un account o accedi per lasciare un commento
Devi essere un membro per lasciare un commento
Crea un account
Iscriviti per un nuovo account nella nostra community. È facile!
Registra un nuovo accountAccedi
Sei già registrato? Accedi qui.
Accedi Ora