emiliopablo Inviato 8 Marzo 2025 Condividi Inviato 8 Marzo 2025 La primissima serie del Ref3 montava la 6l6gc subito sostituita dalla 6550 credo dopo solo un anno di produzione. Da lì in avanti tutti i Ref sempre con la 6550 assolutamente non intercambiabile con 6l6 1 Link al commento https://melius.club/topic/994-audio-research-i-migliori-preamplificatori-del-brand/page/64/#findComment-1456456 Condividi su altri siti Altre opzioni di condivisione...
indifd Inviato 8 Marzo 2025 Condividi Inviato 8 Marzo 2025 15 minuti fa, emiliopablo ha scritto: serie del Ref3 montava la 6l6gc subito sostituita dalla 6550 credo dopo solo un anno di produzione L'esemplare che ho visto io aveva la 6L6GC, spero che il manuale a corredo dei Ref 3 evidenzi bene quale valvola debba essere utilizzata, anche ARCDB non riporta l'informazione dell'ennesima versione mkII di ARC per il Ref 3 Link al commento https://melius.club/topic/994-audio-research-i-migliori-preamplificatori-del-brand/page/64/#findComment-1456469 Condividi su altri siti Altre opzioni di condivisione...
noam Inviato 8 Marzo 2025 Condividi Inviato 8 Marzo 2025 Per le quattro 6h30 sul segnale, anche io ho preferito le EH gold pin … @emiliopabloper quale motivo ? Le mie sono al limite (4500 ore) e dovrò presto sostituirle . Link al commento https://melius.club/topic/994-audio-research-i-migliori-preamplificatori-del-brand/page/64/#findComment-1456531 Condividi su altri siti Altre opzioni di condivisione...
emiliopablo Inviato 8 Marzo 2025 Condividi Inviato 8 Marzo 2025 @noam a 4500 ore sono nella piena maturità! 😅 tienile e poi confrontale tra qualche tempo con le sostitute quando quelle avranno 200 ore … poi mi dirai. Trovo le EH immediatamente fruibili, sfoderano subito una grande finezza di grana … le Sovtek ci mettono molto di più a tirar fuori le nuance, partono un pò più crude e prima di farti entrare nella scena con tutta la profondità e tridimensionalità di cui AR e capace, ci mettono molto. Conservo un quartetto di Sovtek sulle 9000 ore e quando lo metto su è sempre un sorriso, altro che fine corsa. Quello su cui invece non bisogna indugiare è la 6h30 dell’alimentazione, su quella come sulla 6550 meglio essere puntuali o in anticipo perchè altrimenti l’impianto si siede … 1 Link al commento https://melius.club/topic/994-audio-research-i-migliori-preamplificatori-del-brand/page/64/#findComment-1456630 Condividi su altri siti Altre opzioni di condivisione...
emiliopablo Inviato 8 Marzo 2025 Condividi Inviato 8 Marzo 2025 Le 6h30 hanno una aspettativa di vita di 10.000 ore … le DR sono date a 15.000 ore Link al commento https://melius.club/topic/994-audio-research-i-migliori-preamplificatori-del-brand/page/64/#findComment-1456636 Condividi su altri siti Altre opzioni di condivisione...
indifd Inviato 8 Marzo 2025 Condividi Inviato 8 Marzo 2025 La mia aspettativa di vita è di 80 anni (maschio Italia), informazione statistica, poi: a) se un medico valuta la mia cartella clinica attuale formula una previsione diversa b) i miei futuri eredi potranno dare l'informazione corretta (a posteriori) P.S un bella verifica con tube tester e si passa da previsione statistica (da verificare sempre) a situazione reale oggettiva Link al commento https://melius.club/topic/994-audio-research-i-migliori-preamplificatori-del-brand/page/64/#findComment-1456642 Condividi su altri siti Altre opzioni di condivisione...
emiliopablo Inviato 8 Marzo 2025 Condividi Inviato 8 Marzo 2025 @indifd 😅😅😅 Link al commento https://melius.club/topic/994-audio-research-i-migliori-preamplificatori-del-brand/page/64/#findComment-1456644 Condividi su altri siti Altre opzioni di condivisione...
walge Inviato 8 Marzo 2025 Condividi Inviato 8 Marzo 2025 @indifd ho avuto a che fare con le 6H30 dai primi anni 2000, quando sporadicamente si riuscivano a trovare. All'epoca parlavo direttamente con Mike Matthews di New Senso/Sovtek perchè ordinavo da lui e mi arrivavano i pacconi dalla russia ( parliamo di circ 20.000 euro/anno) A mio parere è la migliore valvola doppio triodo di bassa potenza ( relativa), in assoluto Forse la 7044 nos e un pò più in là, la 6900 nos possono essere assimilate La sua linearità, la bassa Rp sono di grande aiuto. La questione è che una seria selezione è necessaria. Con Sofia ne passavano almeno 10 per avere due coppie ottime. Ma è un problema relativo. Un amico di vecchia data ha voluto sostituirne due su un linea che costruii e consegnai 10 anni fa; con una corrente di bias di 20 mA dissipando più di 2 w per ogni placca. E tutt'ora andavano alla grande. Walter Link al commento https://melius.club/topic/994-audio-research-i-migliori-preamplificatori-del-brand/page/64/#findComment-1456678 Condividi su altri siti Altre opzioni di condivisione...
Grancolauro Inviato 8 Marzo 2025 Condividi Inviato 8 Marzo 2025 7 ore fa, eduardo ha scritto: Trovo un maggiore dettaglio e finezza di grana, con disposizione più precisa degli strumenti nel palcoscenico. Le Sovtek sono più "brutali", con un basso più presente ma "sordo" del quale il mio sistema non ha bisogno Condivido. Anch’io sull’LS27 preferisco le Electro Harmonix. Le Sovtek hanno decisamente più spinta ma si perde in finezza di grana, specie nei medio-alti. 1 Link al commento https://melius.club/topic/994-audio-research-i-migliori-preamplificatori-del-brand/page/64/#findComment-1456726 Condividi su altri siti Altre opzioni di condivisione...
gierre Inviato 8 Marzo 2025 Condividi Inviato 8 Marzo 2025 @emiliopablo Quindi per la 6550 di alimentazione in un pre ARC, secondo la tua esperienza, meglio una 6550 Winged C (TAD) o una Sovtek 6550WE ? C’è ancora di meglio? Invece come 6H30 sempre nello stadio di alimentazione, hai preso una “6H30n-EB for DC Heating” o hai preso proprio una DR ? In questo caso una “normale” 6H30 la trovi inferiore? Grazie Link al commento https://melius.club/topic/994-audio-research-i-migliori-preamplificatori-del-brand/page/64/#findComment-1456808 Condividi su altri siti Altre opzioni di condivisione...
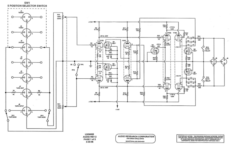
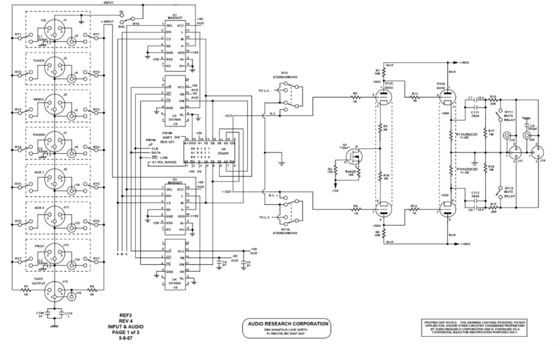
walge Inviato 9 Marzo 2025 Condividi Inviato 9 Marzo 2025 Questo è lo schema del Ref 3 parte linea rev. 4 Link al commento https://melius.club/topic/994-audio-research-i-migliori-preamplificatori-del-brand/page/64/#findComment-1456880 Condividi su altri siti Altre opzioni di condivisione...
gierre Inviato 9 Marzo 2025 Condividi Inviato 9 Marzo 2025 Ovviamente estendo il mio quesito di cui sopra anche a chiunque altro abbia esperienza in merito. Grazie :) Link al commento https://melius.club/topic/994-audio-research-i-migliori-preamplificatori-del-brand/page/64/#findComment-1456910 Condividi su altri siti Altre opzioni di condivisione...
alexis Inviato 9 Marzo 2025 Condividi Inviato 9 Marzo 2025 @walge quanti stadi di guadagno attivi hanno mediamente i pre AR? Nessuno me lo sa dire..🤓? Link al commento https://melius.club/topic/994-audio-research-i-migliori-preamplificatori-del-brand/page/64/#findComment-1456963 Condividi su altri siti Altre opzioni di condivisione...
password Inviato 9 Marzo 2025 Condividi Inviato 9 Marzo 2025 Cosa significa mediamente, ognuno fa per sé. Che domande. Link al commento https://melius.club/topic/994-audio-research-i-migliori-preamplificatori-del-brand/page/64/#findComment-1456972 Condividi su altri siti Altre opzioni di condivisione...
noam Inviato 9 Marzo 2025 Condividi Inviato 9 Marzo 2025 @gierre credo che non si possa fare di ogni erba un fascio , molto dipende dall'impianto e da quello che si ricerca . Un Ref3 suona in maniera diversa rispetto ad un Ref6 , magari una 6550 GE Nos può trovarsi più a suo agio su un 3 rispetto al 6 , mentre una cinese selezionata , tipo una Gold Aero , la vedo più adatta al 6 , perché ha una gamma bassa un po' indietro , mentre la gamma medioalta è molto bella e luminosa , con una grana finissima . In mezzo ci sono le Russe , e ci mancherebbe altro , visto che questi pre sono nati con le valvole sovietiche , quindi é difficile sbagliare ed allontanarsi da un ideale equilibrio sonico . Link al commento https://melius.club/topic/994-audio-research-i-migliori-preamplificatori-del-brand/page/64/#findComment-1457027 Condividi su altri siti Altre opzioni di condivisione...
walge Inviato 9 Marzo 2025 Condividi Inviato 9 Marzo 2025 @alexis dipende dal modello, in questo caso uno solo ( ma anche il 2)con abbondante reazione locale ( il fet sui catodi); la prima sezione a guadagno la seconda come Cathode Follower. In questo caso, ma non è l'unico, il volume è gestito da un chip ; la selezione delle resistenze interne al chip avviene tramite l'accensione e lo spegnimento di componenti attivi ( sempre all'interno del chip) AR si è divertita molto con gli stadi dei pre, sia come phono che come linea. Nei bilanciati hanno usato schemi a valvole speculari, che poi, nel bene e/o nel male, è la norma. Walter 1 Link al commento https://melius.club/topic/994-audio-research-i-migliori-preamplificatori-del-brand/page/64/#findComment-1457030 Condividi su altri siti Altre opzioni di condivisione...
walge Inviato 9 Marzo 2025 Condividi Inviato 9 Marzo 2025 @alexis un esempio clamoroso è l'LS5, linea 4+4 valvole per canale, full balanced!!!! Un dispiego di componenti non da poco. La metà di valvole rispetto al Ref 3 Sono modelli differenti ma di base sempre doppi triodi LS5 Le prime due valvole a sx sono a guadagno con reazione locale ( sempre i fet), quelle a destra, la prima è a guadagno e la seconda CF, è presente sia la reazione locale che il FB globale. Quindi gli stadi a guadagno sono due ( e mezzo) 1 Link al commento https://melius.club/topic/994-audio-research-i-migliori-preamplificatori-del-brand/page/64/#findComment-1457038 Condividi su altri siti Altre opzioni di condivisione...
emiliopablo Inviato 9 Marzo 2025 Condividi Inviato 9 Marzo 2025 @gierre la 6550WE è quella che tecnicamente secondo AR va meglio. Ma immagino che si riferiscano alla produzione attuale disponibile e la gloriosa Winged-C non lo è più. Quindi occorre provare. Tung Sol attuale e molto valida, dinamica e cobtrastata.La Svetlana wc più morbida. La WE mi sembra a metà strada, contrastata ma non cruda, molto introspettiva. ovviamente, il risultato finale risente di tutto l’impianto però il carattere direi che è quello. la 6h30 che ho messo nell’alimentazione è proprio una DR degli anni buoni (strapagata su TAD, ma almeno ho un minimo di garanzie) Link al commento https://melius.club/topic/994-audio-research-i-migliori-preamplificatori-del-brand/page/64/#findComment-1457074 Condividi su altri siti Altre opzioni di condivisione...
Messaggi raccomandati
Crea un account o accedi per lasciare un commento
Devi essere un membro per lasciare un commento
Crea un account
Iscriviti per un nuovo account nella nostra community. È facile!
Registra un nuovo accountAccedi
Sei già registrato? Accedi qui.
Accedi Ora