captainsensible Inviato 8 Novembre 2025 Condividi Inviato 8 Novembre 2025 @ildoria76 buon studio allora. CS Link al commento https://melius.club/topic/26968-amplificazione-zero-feedback-la-mia-esperienza/page/8/#findComment-1630511 Condividi su altri siti Altre opzioni di condivisione...
ildoria76 Inviato 8 Novembre 2025 Condividi Inviato 8 Novembre 2025 5 minuti fa, captainsensible ha scritto: buon studio allora. intanto si è appurato che la classe di un amplificatore c'entra eccome nel concetto di zero feedback ...e tu come ingegnere che sventoli le pagine di testi universitari hai fatto anche una figura di m...a. Io studio e tu ripassa. LC 1 1 Link al commento https://melius.club/topic/26968-amplificazione-zero-feedback-la-mia-esperienza/page/8/#findComment-1630512 Condividi su altri siti Altre opzioni di condivisione...
captainsensible Inviato 8 Novembre 2025 Condividi Inviato 8 Novembre 2025 @ildoria76 ahaha, il tuo amico Pass la usa in ampli in classe A, ma strano, non ci dovrebbe essere. Sai quel testo che ho postato e' molto attinente all'argomento. Qualche giorno te lo spiego, se vorrai. CS 1 Link al commento https://melius.club/topic/26968-amplificazione-zero-feedback-la-mia-esperienza/page/8/#findComment-1630516 Condividi su altri siti Altre opzioni di condivisione...
ildoria76 Inviato 8 Novembre 2025 Condividi Inviato 8 Novembre 2025 Adesso, captainsensible ha scritto: ahaha, il tuo amico Pass la usa in ampli in classe A, ma strano, non ci dovrebbe essere. Sai quel testo che ho postato e' molto attinente all'argomento. Qualche giorno te lo spiego, se vorrai. No no Nelson Pass è amico tuo, sei tu che l'hai tirato in ballo....se hai dubbi copia-incolla quello che ho affermato e chiedigli se ho torto o ragione. saluti LC Link al commento https://melius.club/topic/26968-amplificazione-zero-feedback-la-mia-esperienza/page/8/#findComment-1630517 Condividi su altri siti Altre opzioni di condivisione...
ildoria76 Inviato 8 Novembre 2025 Condividi Inviato 8 Novembre 2025 @captainsensible piuttosto che avere spiegazioni da te preferisco googolare...purtroppo questo hai dimostrato. Link al commento https://melius.club/topic/26968-amplificazione-zero-feedback-la-mia-esperienza/page/8/#findComment-1630520 Condividi su altri siti Altre opzioni di condivisione...
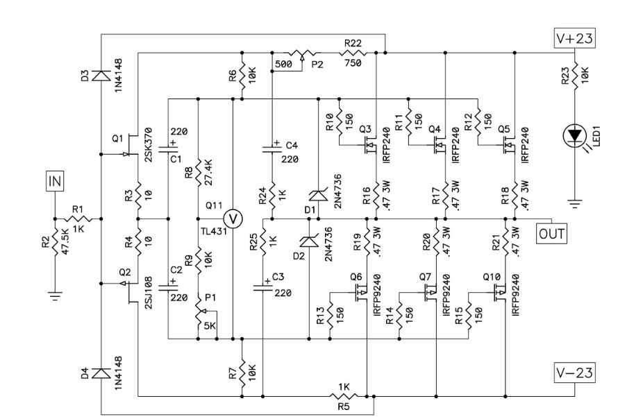
captainsensible Inviato 8 Novembre 2025 Condividi Inviato 8 Novembre 2025 @ildoria76 ma a dire il vero lo schema di Pass l'ho tirato fuori per farti vedere che il feedback so usa nella classe A A me pareva che sostenevi non si usasse.perche' lineare di suo. E poi se guardi bene la storia degli ampli in classe A l'ha tirata fuori gustavino.mentre si discuteva di tutt'altro CS Link al commento https://melius.club/topic/26968-amplificazione-zero-feedback-la-mia-esperienza/page/8/#findComment-1630521 Condividi su altri siti Altre opzioni di condivisione...
captainsensible Inviato 8 Novembre 2025 Condividi Inviato 8 Novembre 2025 4 minuti fa, ildoria76 ha scritto: googolare...purtroppo questo hai dimostrato. Mi paghi lo stipendio ? Sei un mio parente? No, quindi fa quello che ti pare CS 1 Link al commento https://melius.club/topic/26968-amplificazione-zero-feedback-la-mia-esperienza/page/8/#findComment-1630522 Condividi su altri siti Altre opzioni di condivisione...
ildoria76 Inviato 8 Novembre 2025 Condividi Inviato 8 Novembre 2025 4 minuti fa, captainsensible ha scritto: ma a dire il vero lo schema di Pass l'ho tirato fuori per farti vedere che il feedback so usa nella classe A A me pareva che sostenevi non si usasse.perche' lineare di suo. Avevi capito male tu...siete voi che avevate affermato a @Gustavino che la classe dell'amplificatore non c'entrava una sega....ora non rigiriamo la frittata. La classe c'entra eccome, e la classe A se progettata bene ha meno controreazione di tutte le altre classi, perchè più controreazione c'è più il suono fa schifo! Spero che questo sia chiaro a tutti coloro che stanno seguendo questo 3D 1 Link al commento https://melius.club/topic/26968-amplificazione-zero-feedback-la-mia-esperienza/page/8/#findComment-1630524 Condividi su altri siti Altre opzioni di condivisione...
captainsensible Inviato 8 Novembre 2025 Condividi Inviato 8 Novembre 2025 @ildoria76 3 minuti fa, ildoria76 ha scritto: che la classe dell'amplificatore non c'entrava una sega. Non c'entrava una sega con quello di cui si discuteva. Rileggi bene. CS Link al commento https://melius.club/topic/26968-amplificazione-zero-feedback-la-mia-esperienza/page/8/#findComment-1630526 Condividi su altri siti Altre opzioni di condivisione...
ildoria76 Inviato 8 Novembre 2025 Condividi Inviato 8 Novembre 2025 4 minuti fa, captainsensible ha scritto: 6 minuti fa, ildoria76 ha scritto: che la classe dell'amplificatore non c'entrava una sega. Non c'entrava una sega con quello di cui si discuteva. Rileggi bene. Ingegnè ti vedo un pò confuso... 1 Link al commento https://melius.club/topic/26968-amplificazione-zero-feedback-la-mia-esperienza/page/8/#findComment-1630527 Condividi su altri siti Altre opzioni di condivisione...
captainsensible Inviato 8 Novembre 2025 Condividi Inviato 8 Novembre 2025 @ildoria76e che attinenza aveva con il mio post che ha quotato? CS Link al commento https://melius.club/topic/26968-amplificazione-zero-feedback-la-mia-esperienza/page/8/#findComment-1630528 Condividi su altri siti Altre opzioni di condivisione...
ildoria76 Inviato 8 Novembre 2025 Condividi Inviato 8 Novembre 2025 10 minuti fa, captainsensible ha scritto: e che attinenza aveva con il mio post che ha quotato? Ma sei l'avvocato di Gustavino, fammi capire. CS Hai scritto tu che la classe non c'entra una benemerita mazza...(con la controreazione) Non sono l'avvocato di nessuno ma sono intervenuto perchè avete infangato la classe A in un contesto improprio, ma pure se lo fossi, hai detto una inesattezza e sono intervenuto nella discussione, ci sono problemi? LC Link al commento https://melius.club/topic/26968-amplificazione-zero-feedback-la-mia-esperienza/page/8/#findComment-1630532 Condividi su altri siti Altre opzioni di condivisione...
ildoria76 Inviato 8 Novembre 2025 Condividi Inviato 8 Novembre 2025 a torto stai continuando ad insistere e a mandare questo 3D in vacca...io mi fermerei qui, perchè non ti concedo l'ultima parola avendo torto. Link al commento https://melius.club/topic/26968-amplificazione-zero-feedback-la-mia-esperienza/page/8/#findComment-1630534 Condividi su altri siti Altre opzioni di condivisione...
captainsensible Inviato 8 Novembre 2025 Condividi Inviato 8 Novembre 2025 @ildoria76 l'osservazione della classe era fuori contesto rispetto a quello che intendevo dire, e sinceramente a me di infangare la classe A B C D ecc non me ne frega una beneamata mazza. Carissimo, io non vendo nulla, non ho alcun interesse nel settore e non devo difendere o infangare nulla. Se il thread è inquinato la moderazione potrà cancellare i miei post senza problemi. CS 1 Link al commento https://melius.club/topic/26968-amplificazione-zero-feedback-la-mia-esperienza/page/8/#findComment-1630535 Condividi su altri siti Altre opzioni di condivisione...
ildoria76 Inviato 8 Novembre 2025 Condividi Inviato 8 Novembre 2025 Benissimo, a me basta che sia passata l'informazione che c'è correlazione tra le classi di un amplificatore e la controreazione, perchè e tema di questo 3D...altrimenti cosa si discute a fare. A me ha dato fastidio il modo come vi siete rivolti a @Gustavino, qui tutti possono dire castronerie, ma sventolare le pagine dei testi di elettronica per dimostrare superiorità a prescindere quando invece avete detto anche cose errate sull'argomento ora c'è n'è passa. Tutto qui...vogliamo chiuderla, o continuare? Link al commento https://melius.club/topic/26968-amplificazione-zero-feedback-la-mia-esperienza/page/8/#findComment-1630537 Condividi su altri siti Altre opzioni di condivisione...
Messaggi raccomandati
Crea un account o accedi per lasciare un commento
Devi essere un membro per lasciare un commento
Crea un account
Iscriviti per un nuovo account nella nostra community. È facile!
Registra un nuovo accountAccedi
Sei già registrato? Accedi qui.
Accedi Ora